电脑桌面
添加小米粒文库到电脑桌面
安装后可以在桌面快捷访问

祁山九年制学校物理期中测试卷VIP免费

祁山九年制学校物理期中测试卷_第1页
1/4
祁山九年制学校物理期中测试卷_第2页
2/4
祁山九年制学校物理期中测试卷_第3页
3/4
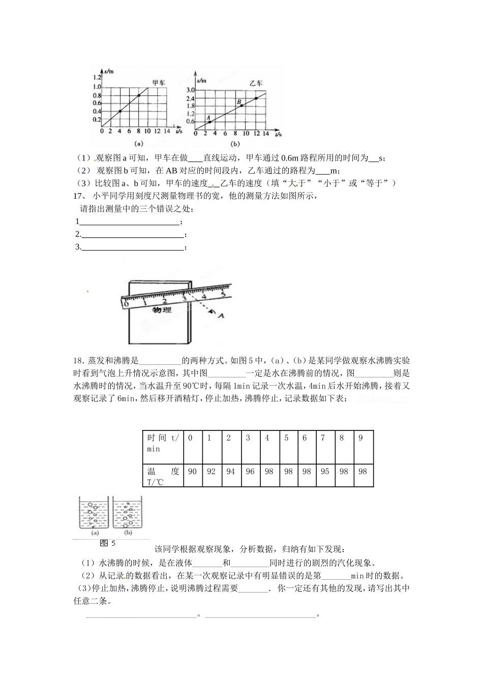
祁山九年制学校物理期中测试卷一填空(每空2分,共28分)1.清晨,太阳从东方冉冉升起,则以________为参照物,太阳是运动的.2.歌词“小小竹排江中游,巍巍青山两岸走”,前句是以______为参照物,后句是以_______为参照物.3.温度是用来表示物体_________程度的物理量。常用温度计是根据液体____________性质制成的。如图4所示的温度计,它的测量范围是______℃至______℃,分度值是_____℃。图中温度计的示数是_______℃。-8℃正确的读法是___________。4.蚊子和牛叫声的区别是:牛叫声音的音调比蚊子,而响度比蚊子。5.小欣打开冰箱门,发现冷冻室的侧壁上有很多霜,这是水蒸气________(填物态变化的名称)形成的,这个过程中水蒸气________(填“吸收”或“放出”)热量。当他拿起湿抹布去擦时,抹布却粘在了侧壁上,这是因为发生了_______(填物态变化的名称)现象。二选择(每题3分,共30分)6.如图所示是路程—时间的图像,其中能表示物体做匀速直线运动的图像是()7.根据匀速直线运动公式v=s/t,可知()A速度跟路程成正比B速度跟时间成反比C速度不变,路程跟时间成反比D以上说法都不对8、如图3所示的四种现象中,属于升华的是()9.关于声的知识,下列说法错误的是A.声音借助介质以波的形式传播B.利用超声波清洗钟表,说明声波可以传递信息C.“高声大叫”中的“高”实际是指响度大D.在城市道路旁设置隔声板,是为了在传播过程中减弱噪声10、下列现象中利用了熔化吸热的是()A.天热时向地上洒水会感到凉快B.运输食品时利用干冰降温防止食品腐烂C.游泳离开泳池时身上会感到有点冷D.向可乐饮料中加冰块会使饮料的温度变低11.生活中常把碗放在普通锅内的水中蒸食物,碗与锅底不接触,如图2所示,当锅内的水沸腾以后,碗中的水()A.稍后沸腾B.同时沸腾C.温度能够达到沸点,但不沸腾D.温度总是低于锅里水的温度,因此不会沸腾12.如图1所示,是四位同学“用温度计测量某种液体温度”的实验操作示意图,其中正确的操作是()13.小明家距学校1.5Km,一天,小明骑自行车上学,他以4m/s的速度行驶到刚好一半路程时,车扎带他只好停下来,补胎用了5min,接着又以6m/s的速度到达学校,则小明骑车从家到学校的平均速度约为()A4.8m/sB5m/sC2.45m/sD4.8km/h14.某同学测量物体的长度,四次测量结果分别是5.51cm,5.51cm,5.53cm,5.55cm,则这个物体的长度应记作()A5.51cmB5.52cmC5.525cmD5.53cm15.下列两个物体可以认为保持相对静止的是()新-课-标-第-一-网A地球和太阳B月球和地球C地球和它的同步卫星D人行走时左脚和右脚三,探究题(每空2分共32分)16某小组同学分别测出了甲、乙两电动小车做直线运动的路程和时间,并依据数据作出了相应的路程一时间图像,如图所示。(1)观察图a可知,甲车在做直线运动,甲车通过0.6m路程所用的时间为s;(2)观察图b可知,在AB对应的时间段内,乙车通过的路程为m;(3)比较图a、b可知,甲车的速度乙车的速度(填“大于”“小于”或“等于”)17、小平同学用刻度尺测量物理书的宽,他的测量方法如图所示,请指出测量中的三个错误之处:1;2.;3.;18.蒸发和沸腾是__________的两种方式。如图5中,(a)、(b)是某同学做观察水沸腾实验时看到气泡上升情况示意图,其中图_________一定是水在沸腾前的情况,图_________则是水沸腾时的情况,当水温升至90℃时,每隔1min记录一次水温,4min后水开始沸腾,接着又观察记录了6min,然后移开酒精灯,停止加热,沸腾停止,记录数据如下表:[来源:Z_x新课标第一网x_k.Com]该同学根据观察现象,分析数据,归纳有如下发现:(1)水沸腾的时候,是在液体_______和_________同时进行的剧烈的汽化现象。(2)从记录的数据看出,在某一次观察记录中有明显错误的是第_______min时的数据。(3)停止加热,沸腾停止,说明沸腾过程需要_______.你一定还有其他的发现,请写出其中任意二条。__________________________。__________________________。时间t/min01234xkb1.comXkb1.com567www.xkb1.com89温度T/℃909294969898xkb1.com98959898四、计算题(10分)19、已知一辆汽车在合宁高速公路上行驶,一位乘客在车到如图3所示的A处时...

1、当您付费下载文档后,您只拥有了使用权限,并不意味着购买了版权,文档只能用于自身使用,不得用于其他商业用途(如 [转卖]进行直接盈利或[编辑后售卖]进行间接盈利)。
2、本站所有内容均由合作方或网友上传,本站不对文档的完整性、权威性及其观点立场正确性做任何保证或承诺!文档内容仅供研究参考,付费前请自行鉴别。
3、如文档内容存在违规,或者侵犯商业秘密、侵犯著作权等,请点击“违规举报”。

碎片内容

祁山九年制学校物理期中测试卷

您可能关注的文档

确认删除?
VIP
微信客服
  • 扫码咨询
会员Q群
  • 会员专属群点击这里加入QQ群
客服邮箱
回到顶部