电脑桌面
添加小米粒文库到电脑桌面
安装后可以在桌面快捷访问

(完整版)楼盖的结构和平面布置VIP免费

(完整版)楼盖的结构和平面布置_第1页
1/7
(完整版)楼盖的结构和平面布置_第2页
2/7
(完整版)楼盖的结构和平面布置_第3页
3/7
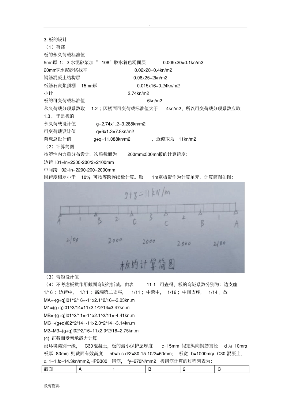
.教育资料2.楼盖的结构和平面布置主梁沿纵向布置,次梁沿横向布置。主梁的跨度为6.6m,次梁跨度为6m。主梁每跨内布置两根次梁,板的跨度为6.6/3=2.2m,l02/l01=6.6/2.2=3,因此按单向板设计。按跨高比条件,要求板厚h大于等于2200/30=73mm,对工业建筑的楼盖板,要求h大于等于70mm,取板厚h=80mm。次梁截面高度应满足h=l0/18~l0/12=6000/18~6000/12=333~500mm.考虑到楼面可变荷载比较大,取h=500mm.截面宽度取为b=200mm。主梁的截面高度应满足h=l0/15~l0/10=6600/15~6600/10=440~660mm,取h=650mm.截面宽度取为b=300mm。楼盖结构平面布置图:.教育资料3.板的设计(1)荷载板的永久荷载标准值5mm厚1:2水泥砂浆加“108”胶水着色粉面层0.005x20=0.1kn/m220mm厚水泥砂浆找平0.02x20=0.4kn/m2钢筋混凝土结构层0.08x25=2kn/m2纸筋石灰浆顶棚15mm厚0.015x16=0.24kn/m2小计2.74kn/m2板的可变荷载标准值6kn/m2永久荷载分项系数取1.2;因楼面可变荷载标准值大于4kn/m2,所以可变荷载分项系数应取1.3。于是板的永久荷载设计值g=2.74x1.2=3.288kn/m2可变荷载设计值q=6x1.3=7.8kn/m2荷载总设计值g+q=11.088kn/m2,近似取为11kn/m2(2)计算简图按塑性内力重分布设计。次梁截面为200mmx500mm,板的计算跨度:边跨l01=ln=2200-200/2=2100mm中间跨l02=ln=2200-200=2000mm因跨度相差小于10%,可按等跨连续板计算。取1m宽板带作为计算单元,计算简图如图:(3)弯矩设计值(4)不考虑板拱作用截面弯矩的折减。由表11-1可查得,板的弯矩系数分别为:边支座1/16;边跨中,1/11;离端第二支座,1/11;中跨中,1/16;中间支座,1/14。故MA=-(g+q)l01^2/16=-11x2.1^2/16=-3.03kn.mM1=(g+q)l01^2/14=11x2.1^2/14=3.47kn.mMB=-(g+q)l01^2/11=-11x2.1^2/11=-4.41kn.mMC=-(g+q)l02^2/14=-11x2.0^2/14=-3.14kn.mM2=M3=(g+q)l02^2/16=11x2.0^2/16=2.75kn.m(4)正截面受弯承载力计算设环境类别一级,C30混凝土,板的最小保护层厚度c=15mm。假定纵向钢筋直径d为10mm,板厚80mm,则截面有效高度h0=h-c-d/2=80-15-10/2=60mm;板宽b=1000mm。C30混凝土,α1=1,fc=14.3kn/mm2,HPB300钢筋,fy=270N/mm2。板钢筋计算的过程列表为:截面A1B2C.教育资料弯矩设计值(kn.m)-3.033.47-4.41-3.142.75αs0.0580.0670.0860.0610.053ξ0.054<0.350.0690.090<0.350.0630.054<0.35计算配筋As(mm2)171.6219.3286.0200.2171.6实际配筋(mm2)Ф6/8@200As=196Ф8@200As=251Ф8/10@200As=322Ф8@200As=251Ф6/8@200As=196计算结果表明:支座截面的ξ均小于0.35,符合塑性内力重分布的原则;As/bh=251/(1000x80)=0.31%,此值大于0.45Ft/Fy=0.45x1.43/270=0.24%,同时大于0.2%,满足最小配筋率的要求。4.次梁的设计根据本车间楼盖的实际使用情况,楼盖的次梁和主梁的可变荷载不考虑梁从属面积的荷载折减。(1)荷载的设计值永久荷载设计值板传来永久荷载3.288x2.2=7.23kn/m次梁自重0.2x(0.5-0.08)x25x1.2=2.52kn/m次梁粉刷0.02x(0.5-0.08)x2x17x1.2=0.34kn/m小计10.09kn/m可变荷载设计值:q=7.8x2.2=17.16kn/m荷载总设计值:g+q=27.25kn/m(2)计算简图按塑性内力重分布设计。主梁截面为300mmx650mm。计算跨度:边跨L01=Ln=6600-100-300/2=6350mm中间跨L02=Ln=6600-300=6300mm因跨度相差小于10%,可按等跨连续梁计算。次梁的计算简图:(3)内力计算由表11-1、表11-3可分别查得弯矩系数和剪力系数。弯矩设计值:MA=-(g+q)L01^2/24=-27.25x6.35^2/24=-45.78kn.mM1=(g+q)L01^2/14=27.25x6.35^2/14=78.48kn.mMB=-(g+q)L01^2/11=-27.25x6.35^2/11=-99.89kn.mM2=M3=(g+q)L02^2/16=27.25x6.30^2/16=67.60kn.m.教育资料MC=-(g+q)L02^2/14=-27.25x6.30^2/14=-77.25kn.m剪力设计值:VA=0.50(g+q)Ln1=0.50x27.25x6.35=86.52knVBl=0.55(g+q)Ln1=0.55x27.25x6.35=95.17knVBr=Vc=0.55(g+q)Ln2=0.55x27.25x6.3=94.42kn承载力计算1)正截面受弯承载力正截面受弯承载力计算时,跨内按T形截面计算,翼缘宽度取bf=L/3=6000/3=2000mm、bf=b+Sn=200+2000=2200mm,b+12hf=200+12x80=1160mm。三者的较小值,故取bf=1160mm.除支座B截面纵向钢筋按两排布置外,其余截面均布...

1、当您付费下载文档后,您只拥有了使用权限,并不意味着购买了版权,文档只能用于自身使用,不得用于其他商业用途(如 [转卖]进行直接盈利或[编辑后售卖]进行间接盈利)。
2、本站所有内容均由合作方或网友上传,本站不对文档的完整性、权威性及其观点立场正确性做任何保证或承诺!文档内容仅供研究参考,付费前请自行鉴别。
3、如文档内容存在违规,或者侵犯商业秘密、侵犯著作权等,请点击“违规举报”。

碎片内容

(完整版)楼盖的结构和平面布置

爱的疯狂+ 关注
实名认证
内容提供者

该用户很懒,什么也没介绍

确认删除?
VIP
微信客服
  • 扫码咨询
会员Q群
  • 会员专属群点击这里加入QQ群
客服邮箱
回到顶部