电脑桌面
添加小米粒文库到电脑桌面
安装后可以在桌面快捷访问

(完整版)工具钳工高级操作技能复习资料VIP免费

(完整版)工具钳工高级操作技能复习资料_第1页
1/9
(完整版)工具钳工高级操作技能复习资料_第2页
2/9
(完整版)工具钳工高级操作技能复习资料_第3页
3/9
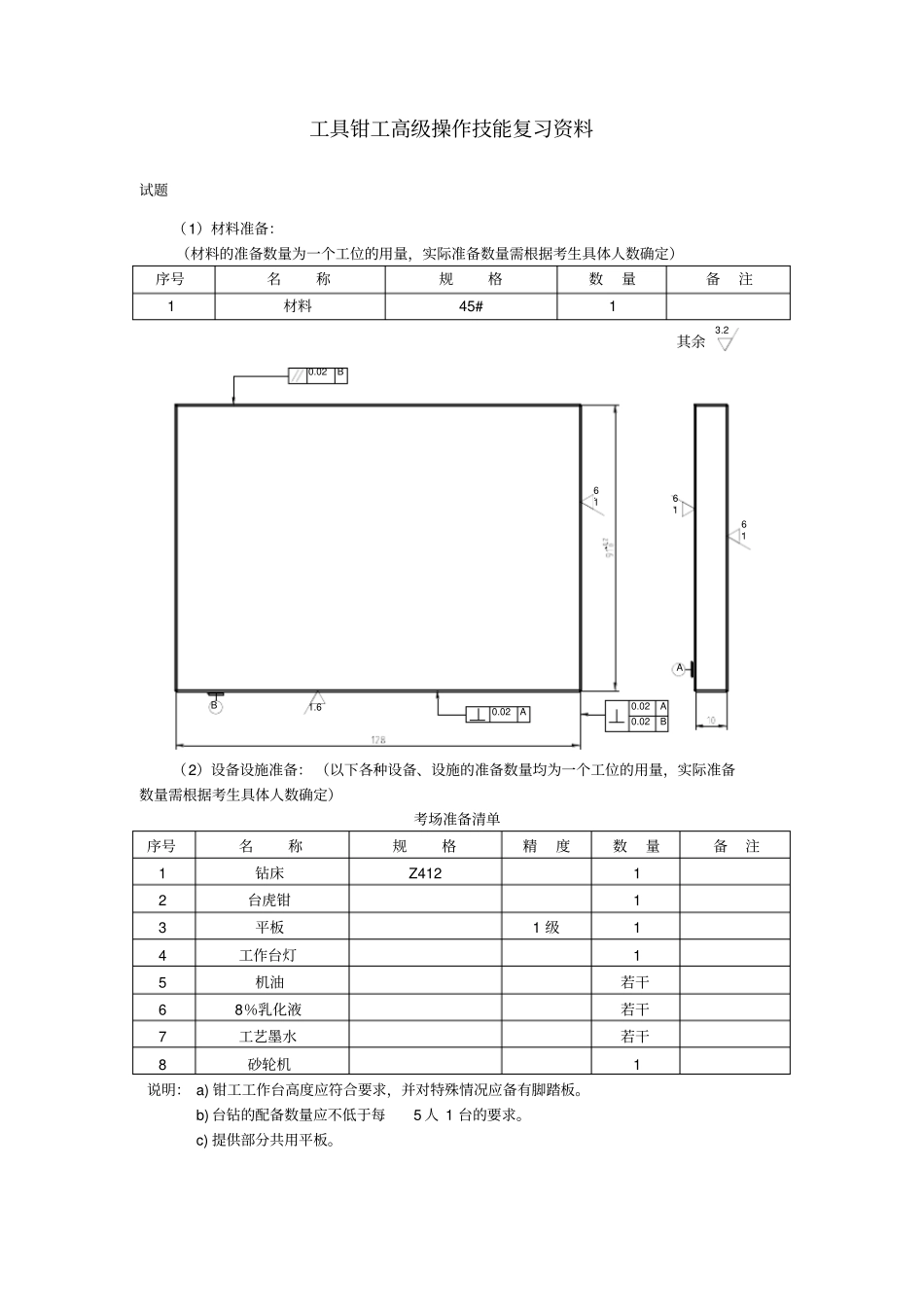
工具钳工高级操作技能复习资料试题(1)材料准备:(材料的准备数量为一个工位的用量,实际准备数量需根据考生具体人数确定)序号名称规格数量备注1材料45#11.61.60.02AA3.2其余0.02B0.02A0.02BB1.61.6(2)设备设施准备:(以下各种设备、设施的准备数量均为一个工位的用量,实际准备数量需根据考生具体人数确定)考场准备清单序号名称规格精度数量备注1钻床Z41212台虎钳13平板1级14工作台灯15机油若干68%乳化液若干7工艺墨水若干8砂轮机1说明:a)钳工工作台高度应符合要求,并对特殊情况应备有脚踏板。b)台钻的配备数量应不低于每5人1台的要求。c)提供部分共用平板。工具钳工高级操作技能姓名:准考证号:单位:试题工、量具准备清单序号名称规格精度数量备注1高度游标卡尺0~30012游标卡尺自定13外径千分尺0~251级14外径千分尺25~501级15外径千分尺50~751级16外径千分尺75~1001级17万能量角器0~320°1级18刀口尺1251级19刀口直角尺63×1001级110平板300×3001级111正弦规80×1000级112量块83块1级1套1级或二等13杠杆表0~0.81带表座14测量棒215V形铁或靠铁自定1划线用16划线工具1套钢板尺、划规、划针、样冲、手锤等17什锦整形锉自定1套18锉刀自定19中心钻自定120直柄麻花钻34567、、、、899.8、、各1只21铰刀107H1机用手用均可22绞杠自定123手锯124锯条若干25平行垫铁自定1付26软钳口自定1付27锉刀刷128毛刷自定29科学计算器130防护眼镜1付31平口钳自定1工具钳工高级操作技能考件编号:注意事项一、本试卷依据2002年颁布的《工具钳工》国家职业标准命制。二、请根据试题考核要求,完成考试内容。三、请服从考评人员指挥,保证考核安全顺利进行。制作"组合锉配"(1)本题分值:100分(2)考核时间:480min(另加30min准备时间)(3)考核形式:实操(4)具体考核要求:a)按图样要求制作“组合锉配”:1.熟悉图样,分析技术要点,确定加工工艺。2.进行划线、锯削加工、锉削加工、孔加工及测量。b)精度要求:1.锉削IT7~IT8级、钻孔IT7~IT10级。2.形位公差按图样要求加工。3.表面粗糙度:锉削1.6Ram、钻、铰孔0.8Ram。c)安全文明生产。图样:组合锉配零件图一、三角形体(件Ⅰ)Ⅰ技术要求:1.各锉削面平面度≤0.02,与端面的垂直度≤0.02。2.孔口倒角C0.5。3.锐角倒钝R0.3。其余1.60.8零件图二、燕尾、V形组合形体(件Ⅱ)0.1A0.04A0.8配作配作BA1.6其余Ⅱ技术要求:1.各锉削面平面度≤0.02,与基准面B的垂直度≤0.02。2.孔口倒角C0.5。3.锐角倒钝R0.3。4.不得使用二类工具。零件图三、双燕尾凹形体(件Ⅲ)0.1A0.8配作配作配作其余1.6BAⅢ技术要求:1.各锉削面平面度≤0.02,与基准面B的垂直度≤0.02。2.孔口倒角C0.5。3.锐角倒钝R0.3。4.不得使用二类工具。装配图:组合锉配技术要求:1.以件Ⅰ为基准,其余配作;件Ⅰ要求转位配合;件Ⅲ不动,件Ⅱ要求翻转配合,合计配合间隙42处。2.配合间隙≤0.04mm。ⅢⅡⅠ0.1ABAB(5)否定项说明:若考生严重违反安全操作规程,造成人员伤害或设备损坏,则应及时终止其考试,考生该题成绩记为零分。工具钳工高级操作技能考件编号:姓名:准考证号:单位:制作"组合锉配"序号考核项目考核内容配分评分标准实测结果扣分得分01锉削(3处)3每处超差扣1分,扣完为止02602¢±o(5处)5每处超差扣1分,扣完为止03(2处)2每处超差扣1分,扣完为止041超差无分051超差无分06(2处)2每处超差扣1分,扣完为止072超差无分080.04A2超差无分090.02(24处)6每处超差扣0.25分,扣完为止100.02(24处)6每处超差扣0.25分,扣完为止111.6Ram(24处)6每处超差扣0.25分,扣完为止12钻孔107H(5处)10每处超差扣2分,扣完为止13300.042(2处)3每处超差扣1.5分,扣完为止14450.05(2处)3每处超差扣1.5分,扣完为止15600.06(2处)4每处超差扣2分,扣完为止160.1(2处)4每处超差扣2分,扣完为止170.8Ram(5处)5每处超差扣1分,扣完为止18配合配合间隙≤0.04(42处)21每处超差扣0.5分,扣完为止19900.05(4处)4每处超差扣1分,扣完为止20600.1(4处)4每处超差扣1分,扣完为止210.1(6处)6每处超差扣1分,扣完为止22安全文明生产要求1.达到有关规定...

1、当您付费下载文档后,您只拥有了使用权限,并不意味着购买了版权,文档只能用于自身使用,不得用于其他商业用途(如 [转卖]进行直接盈利或[编辑后售卖]进行间接盈利)。
2、本站所有内容均由合作方或网友上传,本站不对文档的完整性、权威性及其观点立场正确性做任何保证或承诺!文档内容仅供研究参考,付费前请自行鉴别。
3、如文档内容存在违规,或者侵犯商业秘密、侵犯著作权等,请点击“违规举报”。

碎片内容

(完整版)工具钳工高级操作技能复习资料

您可能关注的文档

确认删除?
VIP
微信客服
  • 扫码咨询
会员Q群
  • 会员专属群点击这里加入QQ群
客服邮箱
回到顶部