电脑桌面
添加小米粒文库到电脑桌面
安装后可以在桌面快捷访问

PCB布线设计VIP免费

PCB布线设计_第1页
1/12
PCB布线设计_第2页
2/12
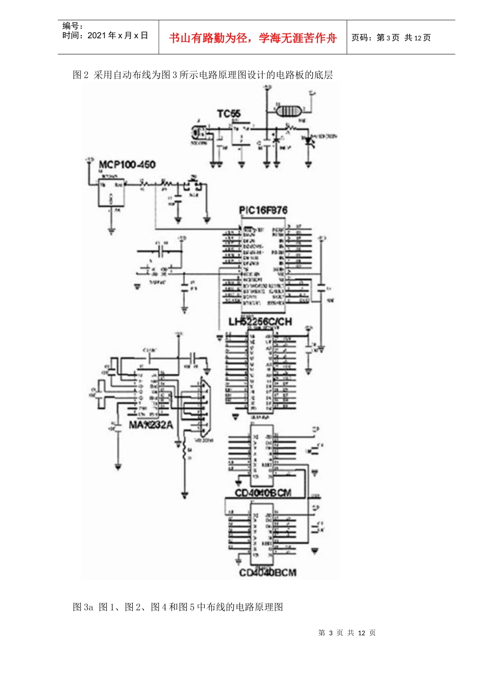
PCB布线设计_第3页
3/12
第1页共12页编号:时间:2021年x月x日书山有路勤为径,学海无涯苦作舟页码:第1页共12页PCB布线设计在当今激烈竞争的电池供电市场中,由于成本指标限制,设计人员常常使用双面板。尽管多层板(4层、6层及8层)方案在尺寸、噪声和性能方面具有明显优势,成本压力却促使工程师们重新考虑其布线策略,采用双面板。在本文中,我们将讨论自动布线功能的正确使用和错误使用,有无地平面时电流回路的设计策略,以及对双面板元件布局的建议。自动布线的优缺点以及模拟电路布线的注意事项设计PCB时,往往很想使用自动布线。通常,纯数字的电路板(尤其信号电平比较低,电路密度比较小时)采用自动布线是没有问题的。但是,在设计模拟、混合信号或高速电路板时,如果采用布线软件的自动布线工具,可能会出现一些问题,甚至很可能带来严重的电路性能问题。例如,图1中显示了一个采用自动布线设计的双面板的顶层。此双面板的底层如图2所示,这些布线层的电路原理图如图3a和图3b所示。设计此混合信号电路板时,经仔细考虑,将器件手工放在板上,以便将数字和模拟器件分开放置。采用这种布线方案时,有几个方面需要注意,但最麻烦的是接地。如果在顶层布地线,则顶层的器件都通过走线接地。器件还在底层接地,顶层和底层的地线通过电路板最右侧的过孔连接。当检查这种布线策略时,首先发现的弊端是存在多个地环路。另外,还会发现底层的地线返回路径被水平信号线隔断了。这种接地方案的可取之处是,模拟器件(12位A/D转换器MCP3202和2.5V参考电压源MCP4125)放在电路板的最右侧,这种布局确保了这些模拟芯片下面不会有数字地信号经过。图3a和图3b所示电路的手工布线如图4、图5所示。在手工布线时,为确保正确实现电路,需要遵循一些通用的设计准则:尽量采用地平面作为电流回路;将模拟地平面和数字地平面分开;如果地平面被信号走线隔断,为降低对地电流回路的干扰,应使信号走线与地平面垂直;模拟电路尽量靠近电路板边缘放置,数字电路尽量靠近电源连接端放置,这样做可以降低由数字开关引起的di/dt效应。第2页共12页第1页共12页编号:时间:2021年x月x日书山有路勤为径,学海无涯苦作舟页码:第2页共12页这两种双面板都在底层布有地平面,这种做法是为了方便工程师解决问题,使其可快速明了电路板的布线。厂商的演示板和评估板通常采用这种布线策略。但是,更为普遍的做法是将地平面布在电路板顶层,以降低电磁干扰。图1采用自动布线为图3所示电路原理图设计的电路板的顶层第3页共12页第2页共12页编号:时间:2021年x月x日书山有路勤为径,学海无涯苦作舟页码:第3页共12页图2采用自动布线为图3所示电路原理图设计的电路板的底层图3a图1、图2、图4和图5中布线的电路原理图第4页共12页第3页共12页编号:时间:2021年x月x日书山有路勤为径,学海无涯苦作舟页码:第4页共12页图3b图1、图2、图4和图5中布线的模拟部分电路原理图有无地平面时的电流回路设计对于电流回路,需要注意如下基本事项:1.如果使用走线,应将其尽量加粗PCB上的接地连接如要考虑走线时,设计应将走线尽量加粗。这是一个好的经验法则,但要知道,接地线的最小宽度是从此点到末端的有效宽度,此处“末端”指距离电源连接端最远的点。2.应避免地环路3.如果不能采用地平面,应采用星形连接策略(见图6)通过这种方法,地电流独立返回电源连接端。图6中,注意到并非所有器件都有自己的回路,U1和U2是共用回路的。如遵循以下第4条和第5条准则,是可以这样做的。4.数字电流不应流经模拟器件数字器件开关时,回路中的数字电流相当大,但只是瞬时的,这种现象是由地线的有效感抗和阻抗引起的。对于地平面或接地走线的感抗部分,计算公式为V=Ldi/dt,其中V是产生的电压,L是地平面或接地走线的感抗,di是数字器件的电流变化,dt是持续时间。对地线阻抗部分的影响,其计算公式为V=RI,其中,V是产生的电压,R是第5页共12页第4页共12页编号:时间:2021年x月x日书山有路勤为径,学海无涯苦作舟页码:第5页共12页地平面或接地走线的阻抗,I是由数字器件引起的电流变化。经过模拟器件的地平面或接地走线上的这些电压变化,将改变信号链中信号和地之...

1、当您付费下载文档后,您只拥有了使用权限,并不意味着购买了版权,文档只能用于自身使用,不得用于其他商业用途(如 [转卖]进行直接盈利或[编辑后售卖]进行间接盈利)。
2、本站所有内容均由合作方或网友上传,本站不对文档的完整性、权威性及其观点立场正确性做任何保证或承诺!文档内容仅供研究参考,付费前请自行鉴别。
3、如文档内容存在违规,或者侵犯商业秘密、侵犯著作权等,请点击“违规举报”。

碎片内容

确认删除?
VIP
微信客服
  • 扫码咨询
会员Q群
  • 会员专属群点击这里加入QQ群
客服邮箱
回到顶部