电脑桌面
添加小米粒文库到电脑桌面
安装后可以在桌面快捷访问

低压电气动力设备试验和试运行VIP专享VIP免费

低压电气动力设备试验和试运行_第1页
1/27
低压电气动力设备试验和试运行_第2页
2/27
低压电气动力设备试验和试运行_第3页
3/27
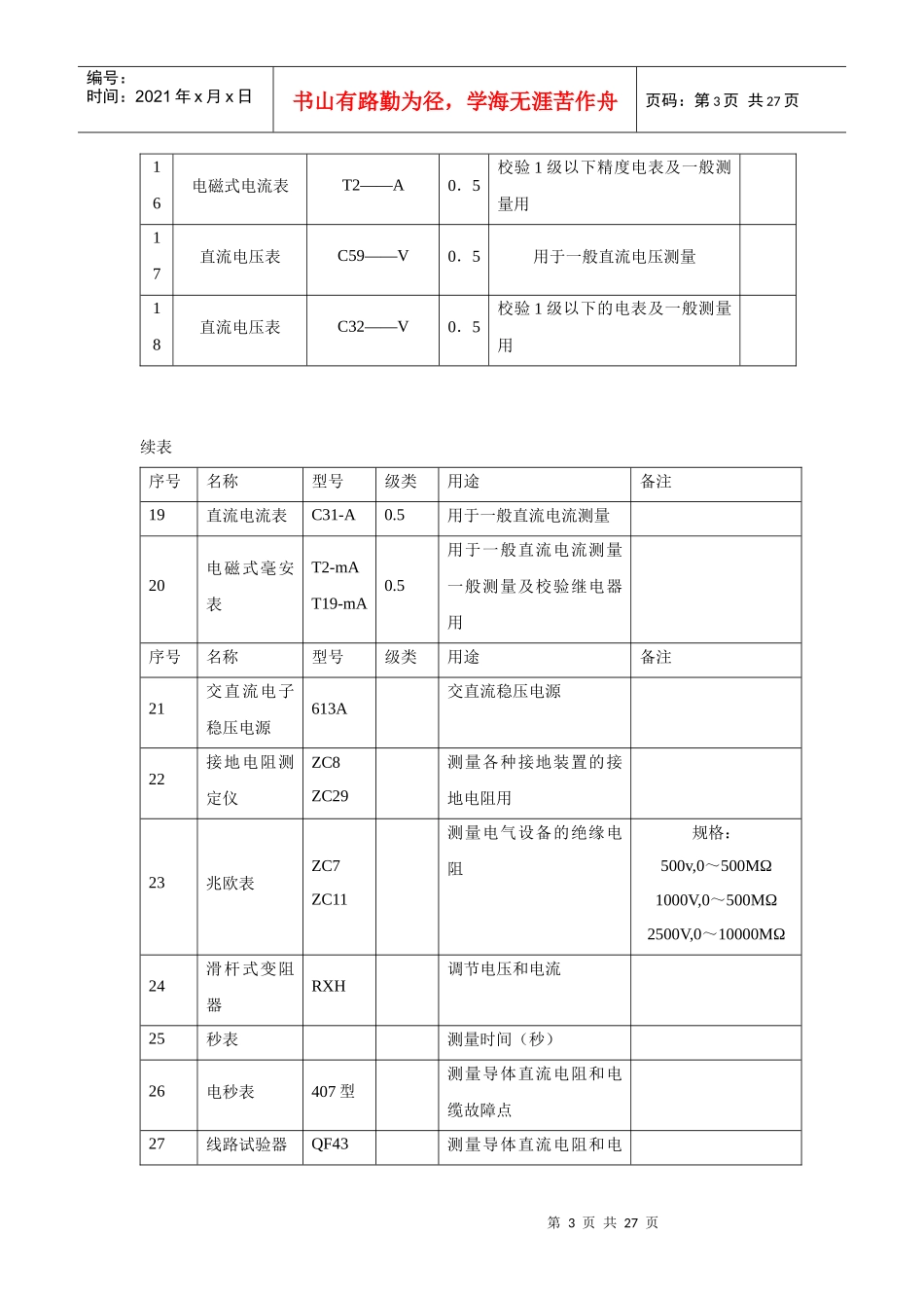
第1页共27页编号:时间:2021年x月x日书山有路勤为径,学海无涯苦作舟页码:第1页共27页低压电气动力设备试验和试运行本章适用于建筑电气工程的低压电气动力设备试验和试运行.一、设备及材料要求1设备、仪器仪表、材料进场检验结论应有记录,确认符合规范(GB50303-2002)规定,才能在施工中应用。2依法定程序批准进入市场的新设备、仪器仪表、材料验收,除符合规范(GB50303-2002)规定外,尚应提供安装、使用、维修和试验要求等技术文件。3进口电气设备、仪器仪表和材料进场验收,除符合规范(GB50303-2002)规定外,尚应提供商检证明和中文的质量合格证明文件、规格、型号、性能检测报告以及中文的安装、使用、维修和试验要求等技术文件。4电气设备上计量仪表和与电气保护有关的仪表应检定合格,当投入试运行时,应在有效期内。5因有异议送有资质试验室进行抽样检测,试验室应出具检测报告,确认符合规范(GB50303-2002)和相关技术标准规定,才能在施工中应用。二、主要机具低压电气设备交接试验常用主要仪器设备见下表.低压电气设备交接试验常用主要仪器设备表序号名称型号级类用途备注1低压大电流变压器DDG-10/0.5供电流互感器特性试验,低压断路器压脱扣试验及熔断器特性试验第2页共27页第1页共27页编号:时间:2021年x月x日书山有路勤为径,学海无涯苦作舟页码:第2页共27页2多量程电流互感器HL——25型HL——26型0.2供电流互感器特性试验,检验电表,扩大量程用及检验继电器保护动作电流的测试3仪用电压互感器HU10型0.2检验电表扩大量程用4双综双扫示波器ST——22型测量电压、电流、频率,相位波形和各种参数等5交直流稳压器613——4作稳压电源用6携带式晶体管参数测试仪JS——7A测量晶体管参数用7数字式频率计PP4测量频率用8钳形交流电流电压表T——3022.5测量交流电源和电压9单相相位表D26——COS1.0测量单相交流电压与电流之间的相位角10三相相序表测量三相相序用11携带式直流双臂电桥QJ28测量开头接触电阻、发电机、变压器线圈等直流低电阻12携带式直流单臂电桥QJ23测量1欧姆以上直流电阻13单相携带式电度表DB1检验电度表用14交直流电流表D2/3——AD26A0.20.5作为标准表校验0.5级电表用校难1级以下电表用及电流测量15交直流电压表D2——VD8——V0.20.5作为标准表校验0.5级电表用校难1级以下电表用及测量电压第3页共27页第2页共27页编号:时间:2021年x月x日书山有路勤为径,学海无涯苦作舟页码:第3页共27页16电磁式电流表T2——A0.5校验1级以下精度电表及一般测量用17直流电压表C59——V0.5用于一般直流电压测量18直流电压表C32——V0.5校验1级以下的电表及一般测量用续表序号名称型号级类用途备注19直流电流表C31-A0.5用于一般直流电流测量20电磁式毫安表T2-mAT19-mA0.5用于一般直流电流测量一般测量及校验继电器用序号名称型号级类用途备注21交直流电子稳压电源613A交直流稳压电源22接地电阻测定仪ZC8ZC29测量各种接地装置的接地电阻用23兆欧表ZC7ZC11测量电气设备的绝缘电阻规格:500v,0~500MΩ1000V,0~500MΩ2500V,0~10000MΩ24滑杆式变阻器RXH调节电压和电流25秒表测量时间(秒)26电秒表407型测量导体直流电阻和电缆故障点27线路试验器QF43测量导体直流电阻和电第4页共27页第3页共27页编号:时间:2021年x月x日书山有路勤为径,学海无涯苦作舟页码:第4页共27页型缆故障点28自耦调压器TDGCTSGC调节电压用有单相、三相29万用表JSWMF9测量交、直流电压,直流电流和电阻30转速表测量电机或其他设备的转速31半导体点温计测量一个很小面积的温度,特别适宜测量触头、触点等部位的温度32红外线遥测温度仪630A及以上导线或母线连接处的温度测量33低压验电笔低压验电用三、作业条件1门窗安装完毕。2运行后无法进行的和影响安全运行的施工工作完毕。3施工中造成的建筑物损坏部分应修补完整。四、操作工艺(一)工艺流程:低压电气动力设备试验和试运行程序如下:第5页共27页第4页共27页编号:时间:2021年x月x日书山有路勤为径,学海无涯苦作舟页码:第5页共27页(二)准备工作:1认真学习和审查图纸资料。2组织技术学习。3编制调整试验、试运行方案(包括安全技...

1、当您付费下载文档后,您只拥有了使用权限,并不意味着购买了版权,文档只能用于自身使用,不得用于其他商业用途(如 [转卖]进行直接盈利或[编辑后售卖]进行间接盈利)。
2、本站所有内容均由合作方或网友上传,本站不对文档的完整性、权威性及其观点立场正确性做任何保证或承诺!文档内容仅供研究参考,付费前请自行鉴别。
3、如文档内容存在违规,或者侵犯商业秘密、侵犯著作权等,请点击“违规举报”。

碎片内容

低压电气动力设备试验和试运行

确认删除?
VIP
微信客服
  • 扫码咨询
会员Q群
  • 会员专属群点击这里加入QQ群
客服邮箱
回到顶部