电脑桌面
添加小米粒文库到电脑桌面
安装后可以在桌面快捷访问

“二手书交易”管理系统分析设计 北京化工大学-经济管理学院VIP免费

“二手书交易”管理系统分析设计 北京化工大学-经济管理学院_第1页
1/29
“二手书交易”管理系统分析设计 北京化工大学-经济管理学院_第2页
2/29
“二手书交易”管理系统分析设计 北京化工大学-经济管理学院_第3页
3/29
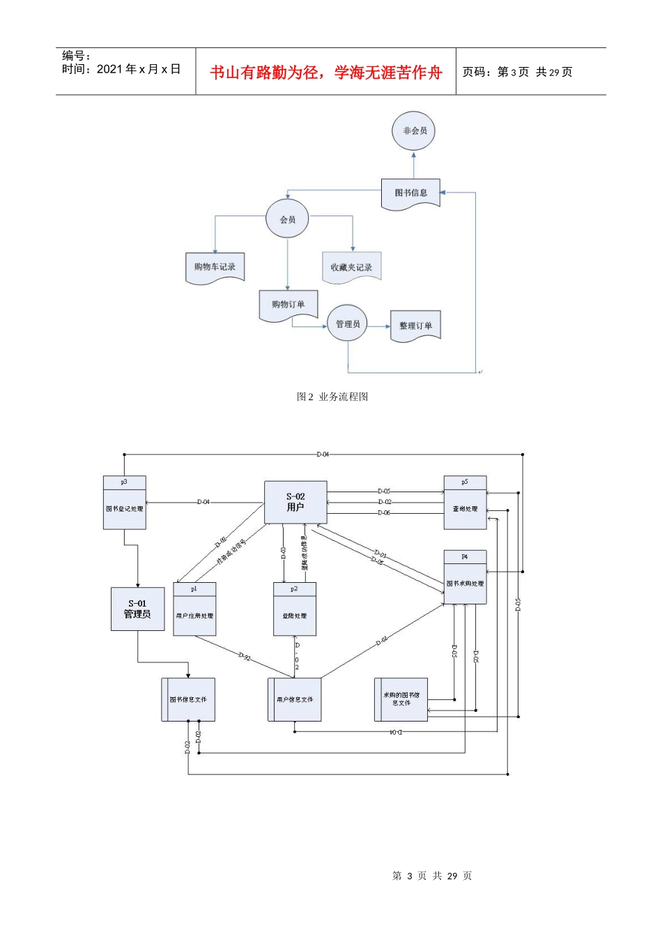
北京化工大学经济管理学院信息管理与信息系统“二手书交易”管理系统分析设计基于Dreamweaver与SQL数据库小组成员:董雪璠(信管0802)郑雪峰(信管0802)马杨(信管0802)郭伟晨(信管0801)2011/12/02第2页共29页二手书交易管理系统注册系统图书管理图书入库图书交易出售者查询图书查询图书登记图书统计修改库存登记图书出库图书统计修改库存登记编号:时间:2021年x月x日书山有路勤为径,学海无涯苦作舟页码:第2页共29页1系统分析1.1系统开发背景(by国伟晨)随着高等教育中教材买卖部分的改革的深入,很多学校如今已经不强迫学生购买教材。此外,高校教材更新缓慢也为二手教材交易活跃创造了条件。并且现在高校大学生钟情二手书。由于高校教学教材价格比较高,学生购买时要花费比较多的钱,这对于学生是一笔较大的开支。但是现如今教材更新速度较慢,从上一届到后几届教材知识要点基本没什么改变,学生在购买材料时就需要再次重复购买,这样会造成一定的浪费。对于需要书的学生来讲,他们选择二手书的目的明确,一般都是教科书,在二手书仍然很新并且知识点没怎么变化的时候,购买二手书,不失为一个好办法。他们只需要在我们的平台上进行登记需求,查看我们在上面发布的最新资料更新,更具自己的情况,选择同校、同城、外省交易,我们会及时调配。总的说来,二手书市场是一个等够实现低价出清的市场。并且,经过调研,发现目前国际上许多国家都有重复使用课本的传统,同一本教材,美国学生使用5年,日本学生使用达到10年,而在资源缺乏、经济落后的中国教辅类书籍的使用寿命仅半年。高校教材本身缓慢的更新速度也为旧书市场火爆提供了必要条件。除了极少数工科的专业课书籍保持着两到三年一次的更新速度外,绝大多数教材都是常年不变的。所以,在旧书店里,一本教材上写着不同年级好几个同学名字的情况非常普遍。学生们几乎不用担心提前买了旧书会遭遇用不了的尴尬。故在校园之中建立一个二手书交易平台迫在眉睫。通过对二手书交易系统的调查,所得其结构功能图见图1:图1二手书交易系统的功能结构图1.2数据流程图(by国伟晨)通过对二手书市场的调查分析,可以得出其各个环节之间的业务流程图和数据流程图如下:第3页共29页第2页共29页编号:时间:2021年x月x日书山有路勤为径,学海无涯苦作舟页码:第3页共29页图2业务流程图第4页共29页第3页共29页编号:时间:2021年x月x日书山有路勤为径,学海无涯苦作舟页码:第4页共29页图3数据流程图1.3数据字典(by董雪璠)1.3.1数据流信息的描述表1-1数据流—管理员信息数据流编号:D-01数据流名称:管理员信息数据流来源:管理员数据流去向:系统处理模块A描述:管理员的相关信息定义:管理员编号+管理员登录名+管理员登录密码+管理员的等级表1-2数据流—用户个人信息数据流编号:D-02数据流名称:用户个人信息数据流来源:用户数据流去向:系统处理模块B描述:用户注册设置的相关信息定义:用户编号+用户登录账号+用户登录密码+真实姓名+性别+电话+邮箱表1-3数据流—登录请求信息数据流编号:D-03数据流名称:登陆请求信息数据流来源:用户数据流去向:系统处理模块C描述:用户登陆时的相关信息定义:用户编号+登陆账号+登陆密码表1-4数据流—图书信息数据流编号:D-04数据流名称:图书信息数据流来源:用户数据流去向:图书信息文件描述:用户发布所售的图书信息定义:图书类别+图书信息编号+图书名称+图书作者+图书出版社+图书简介+出版年份+用户编号+发布时间+图书情况表1-5数据流—买家求购图书信息数据流编号:D-05数据流名称:买家求购的图书信息数据流来源:用户数据流去向:求购图书信息文件描述:用户发布所要购买的图书信息定义:图书类别+求购图书信息编号+图书名称+图书作者+图书出版社+图书简介+出版年份+用户编号+图书情况(求购)表1-6数据流—已出售图书信息数据流编号:D-06数据流名称:已出售图书信息数据流来源:用户数据流去向:图书信息库描述:用户发布的关于已经出售的图书信息的修改定义:图书类别+已出售图书信息编号+图书名称+图书作者+图书出版社+图书简介+出版年份+用户编号+图书情况(待售,已售)1...

1、当您付费下载文档后,您只拥有了使用权限,并不意味着购买了版权,文档只能用于自身使用,不得用于其他商业用途(如 [转卖]进行直接盈利或[编辑后售卖]进行间接盈利)。
2、本站所有内容均由合作方或网友上传,本站不对文档的完整性、权威性及其观点立场正确性做任何保证或承诺!文档内容仅供研究参考,付费前请自行鉴别。
3、如文档内容存在违规,或者侵犯商业秘密、侵犯著作权等,请点击“违规举报”。

碎片内容

“二手书交易”管理系统分析设计 北京化工大学-经济管理学院

确认删除?
VIP
微信客服
  • 扫码咨询
会员Q群
  • 会员专属群点击这里加入QQ群
客服邮箱
回到顶部