电脑桌面
添加小米粒文库到电脑桌面
安装后可以在桌面快捷访问

《湖南省水土保持公报》基础资料编报VIP免费

《湖南省水土保持公报》基础资料编报_第1页
1/8
《湖南省水土保持公报》基础资料编报_第2页
2/8
《湖南省水土保持公报》基础资料编报_第3页
3/8
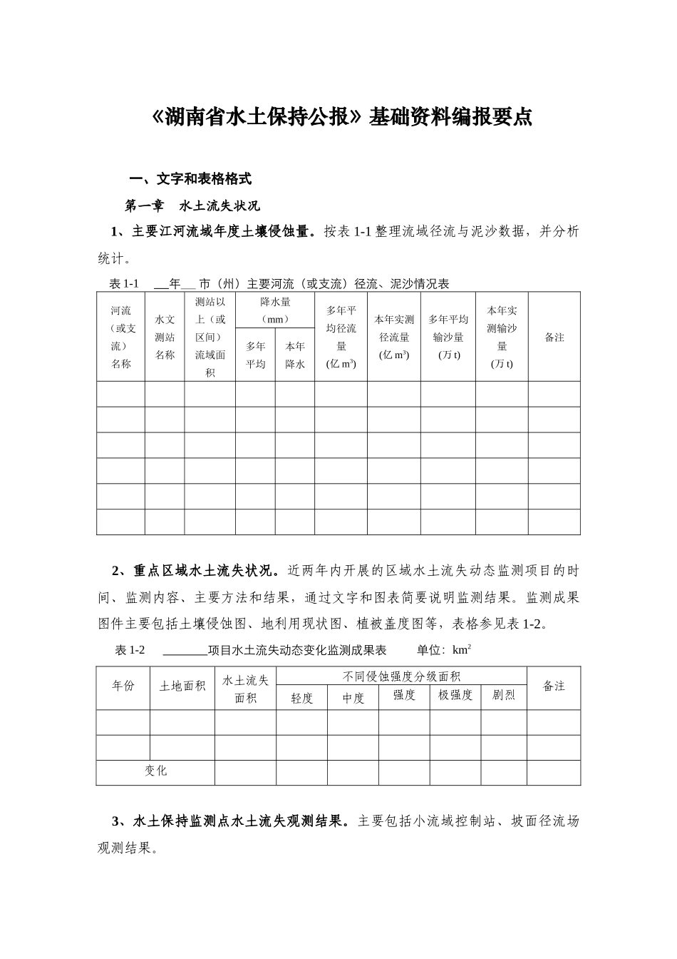
《湖南省水土保持公报》基础资料编报要点一、文字和表格格式第一章水土流失状况1、主要江河流域年度土壤侵蚀量。按表1-1整理流域径流与泥沙数据,并分析统计。表1-1年市(州)主要河流(或支流)径流、泥沙情况表河流(或支流)名称水文测站名称测站以上(或区间)流域面积降水量(mm)多年平均径流量(亿m3)本年实测径流量(亿m3)多年平均输沙量(万t)本年实测输沙量(万t)备注多年平均本年降水2、重点区域水土流失状况。近两年内开展的区域水土流失动态监测项目的时间、监测内容、主要方法和结果,通过文字和图表简要说明监测结果。监测成果图件主要包括土壤侵蚀图、地利用现状图、植被盖度图等,表格参见表1-2。表1-2项目水土流失动态变化监测成果表单位:km2年份土地面积水土流失面积不同侵蚀强度分级面积备注轻度中度强度极强度剧烈变化3、水土保持监测点水土流失观测结果。主要包括小流域控制站、坡面径流场观测结果。(1)小流域控制站观测结果。填报表格如表1-3。表1-3年小流域控制站观测结果表观测单位名称控制站名称控制站所在位置观测环境(条件)观测结果备注东经:°′″北纬:°′″控制面积km2年径流量:m³年输沙量:t土壤名称年降水量mm措施配置(2)坡面径流场观测结果表。填报表格如表1-4。表1-4年坡面径流场观测结果表观测单位名称径流小区名称小区所在位置观测环境(条件)观测结果东经:°′″北纬:°′″小区面积km2产流临界值:mm冲刷量:t/km2措施名称有效降水量mm地形坡度土壤名称注:1、表中“有效降水量”是指当年所有产流降雨量;2、产流临界值指当年观测到产生地表径流的最小降雨量。4、典型水土流失灾害事件。主要指造成重大经济损失、水土保持设施毁坏和人员伤亡的滑坡、泥石流、洪灾等事件。简述灾害事件发生的时间、地点、当时的水文气象等情况,灾害的规模及其对生态环境、区域经济的危害、对人民生命财产造成的损失等。对每个事件,应配以相应的图件或照片,照片上应标明事件发生所在市(州)、县(市、区)、乡(镇)名称和灾害类型等。第二章水土流失防治情况1、全省总体情况。主要包括年内全省新增各项综合治理措施数量和截至该年年底各项综合治理措施累计保存数量。填报参见表2-1、表2-2。表2-1市(州)年水土保持综合治理完成情况表累计治理面积(km2)年度新增治理面积(km2)新建基本农田(hm2)营造水土保持林(乔木、灌木)、经果林(hm2)种草(hm2)封育治理(hm2)其它(hm2)重点小流域累计治理面积(km2)实施小流域数(条)当年竣工正在实施①②=(③+④+⑤+⑥+⑦)/100③④⑤⑥⑦⑧⑨⑩注:1、第⑥项“封育治理”指以小流域为单元综合治理范围内的封育面积,不含大面积的生态修复措施;2、第⑦项“其他”指各地可以用面积计算但未包含在第③~⑥项内的措施量;3、各地上报数据一定要与计划部门上报的数据一致。表2-2市(州)年水土保持拦蓄工程建设情况表淤地坝(拦沙(泥)坝)工程小型蓄水保土工程土石方工程量(万m3)投工(万工日)座数新增效益座数(座)水平阶(沟)(m)沟头防护(m)新增效益合计骨干坝中小型坝控制面积(km2)拦泥库容(万m3)设计淤地面积(hm2)合计塘坝(涝池)水窖(水凼)谷坊蓄水总量(万m3)保土总量(万m3)2、国家水土保持重点工程实施情况。按重点工程分别填报表2-3、表2-4,同时配以简要的文字说明及当年拍摄的实景照片,照片应注明所在市(州)、县(市、区)、乡(镇)和主要措施名称等。表2-3市(州)年水土保持重点工程完成情况表项目名称累计治理面积(km2)年度新增治理面积(km2)新建基本农田(hm2)营造水土保持林经果林(hm2)种草(hm2)封育治理(hm2)其它(hm2)小流域治理面积(km2)实施小流域数(条)当年竣工正在实施表2-4市(州)年水土保持重点工程拦蓄工程建设情况表项目名称拦沙坝工程小型蓄水保土工程土石方工程量(万m3)投工(万工日)座数新增效益座数(座)水平阶(沟)(m)沟头防护(m)新增效益合计骨干坝中小型坝控制面积(km2)拦泥库容(万m3)设计淤地面积(hm2)合计塘坝水窖谷坊蓄水总量(万m3)保土总量(万m3)3、水土保持生态修复工程实施情况。(1)按照表2-5格式填报本行政辖区内颁行封山禁牧政策情况,年内已经实施的封禁面积...

1、当您付费下载文档后,您只拥有了使用权限,并不意味着购买了版权,文档只能用于自身使用,不得用于其他商业用途(如 [转卖]进行直接盈利或[编辑后售卖]进行间接盈利)。
2、本站所有内容均由合作方或网友上传,本站不对文档的完整性、权威性及其观点立场正确性做任何保证或承诺!文档内容仅供研究参考,付费前请自行鉴别。
3、如文档内容存在违规,或者侵犯商业秘密、侵犯著作权等,请点击“违规举报”。

碎片内容

《湖南省水土保持公报》基础资料编报

您可能关注的文档

教育教学文库+ 关注
实名认证
内容提供者

本店有大量的教育教学资料,课件

确认删除?
VIP
微信客服
  • 扫码咨询
会员Q群
  • 会员专属群点击这里加入QQ群
客服邮箱
回到顶部