电脑桌面
添加小米粒文库到电脑桌面
安装后可以在桌面快捷访问

住宅设计规范解析VIP免费

住宅设计规范解析_第1页
1/15
住宅设计规范解析_第2页
2/15
住宅设计规范解析_第3页
3/15
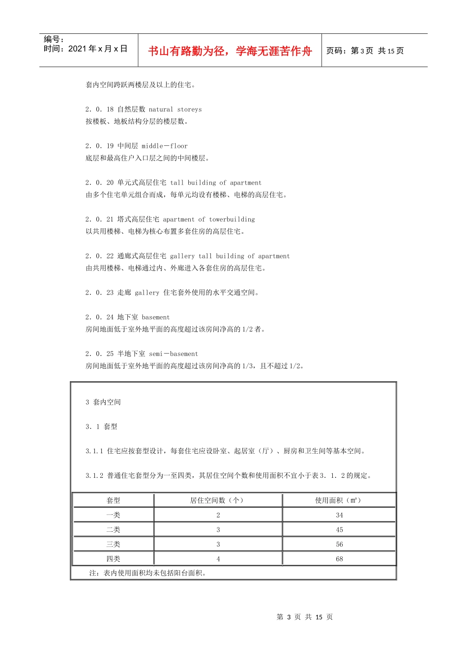
第1页共15页编号:时间:2021年x月x日书山有路勤为径,学海无涯苦作舟页码:第1页共15页住宅设计规范1总则l.0.l为保障城市居民基本的住房条件,提高城市住宅功能质量,使住宅设计符合适用、安全、卫生、经济等要求,制定本规范。1.0.2本规范适用于全国城市新建、扩建的住宅设计。l.0.3住宅按层数划分如下;l低层住宅为一层至三层;2多层住宅为四层至六层;3中高层住宅为七层至九层;4高层住宅为十层及以上。1.0.4住宅设计必须执行国家的方针政策和法规,遵守安全卫生、环境保护、节约用地、节约能源、节约用材、节约用水等有关规定。1.0.5住宅设计应符合城市规划和居住区规划的要求,使建筑与周围环境相协调,创造方便、舒适、优美的生活空间。l.0.6住宅设计应推行标准化、多样化,积极采用新技术、新材料、新产品,促进住宅产业现代化。1.0.7住宅设计应在满足近期使用要求的同时,兼顾今后改造的可能。l.0.8住宅设计应以人为核心,除满足一般居住使用要求外,根据需要尚应满足老年人、残疾人的特殊使用要求。1.0.9住宅设计除应符合本规范外,尚应符合国家现行的有关强制性标准的规定。2术语2.0.1住宅residentialbuildings供家庭居住使用的建筑。2.0.2套型dwellingsize按不同使用面积、居住空间组成的成套住宅类型。2.0.3居住空间habitablespace第2页共15页第1页共15页编号:时间:2021年x月x日书山有路勤为径,学海无涯苦作舟页码:第2页共15页系指卧室、起居室(厅)的使用空间。2.0.4卧室bedroom供居住者睡眠、休息的空间。2.0.5起居室(厅)livingroom供居住者会客、娱乐、团聚等活动的空间。2.0.6厨房kitchen供居住者进行炊事活动的空间。2.0.7卫生间bathroom供居住者进行便溺、洗浴、盥洗等活动的空间。2.0.8使用面积usablearea房间实际能使用的面积,不包括墙、柱等结构构造和保温层的面积。2.0.9标准层typicalfloor平面布置相同的住宅楼层。2.0.10层高storeyheight上下两层楼面或楼面与地面之间的垂直距离。2.0.11室内净高interiornetstoreyheight楼面或地面至上部楼板底面或吊顶底面之间的垂直距离。2.0.12阳台balcony供居住者进行室外活动、晾晒衣物等的空间。2.0.13平台terrace供居住者进行室外活动的上人屋面或由住宅底层地面伸出室外的部分。2.0.14过道passage住宅套内使用的水平交通空间。2.0.15壁柜cabinet住宅套内与墙壁结合而成的落地贮藏空间。2.0.16吊柜wall-hungcupboard住宅套内上部的贮藏空间。2.0.17跃层住宅duplexapartment第3页共15页第2页共15页编号:时间:2021年x月x日书山有路勤为径,学海无涯苦作舟页码:第3页共15页套内空间跨跃两楼层及以上的住宅。2.0.18自然层数naturalstoreys按楼板、地板结构分层的楼层数。2.0.19中间层middle-floor底层和最高住户入口层之间的中间楼层。2.0.20单元式高层住宅tallbuildingofapartment由多个住宅单元组合而成,每单元均设有楼梯、电梯的高层住宅。2.0.21塔式高层住宅apartmentoftowerbuilding以共用楼梯、电梯为核心布置多套住房的高层住宅。2.0.22通廊式高层住宅gallerytallbuildingofapartment由共用楼梯、电梯通过内、外廊进入各套住房的高层住宅。2.0.23走廊gallery住宅套外使用的水平交通空间。2.0.24地下室basement房间地面低于室外地平面的高度超过该房间净高的1/2者。2.0.25半地下室semi-basement房间地面低于室外地平面的高度超过该房间净高的1/3,且不超过1/2。3套内空间3.1套型3.1.1住宅应按套型设计,每套住宅应设卧室、起居室(厅)、厨房和卫生间等基本空间。3.1.2普通住宅套型分为一至四类,其居住空间个数和使用面积不宜小于表3.1.2的规定。套型居住空间数(个)使用面积(㎡)一类234二类345三类356四类468注:表内使用面积均未包括阳台面积。第4页共15页第3页共15页编号:时间:2021年x月x日书山有路勤为径,学海无涯苦作舟页码:第4页共15页3.2卧室、起居室(厅)3.2.1卧室之间不应穿越,卧室应有直接采光、自然通风,其使用面积不应小于下列规定:1双人卧室为10m2;2单人卧室为6m2;3兼起居的卧室为12m2。3.2.2起居室(厅)应有直接采光、...

1、当您付费下载文档后,您只拥有了使用权限,并不意味着购买了版权,文档只能用于自身使用,不得用于其他商业用途(如 [转卖]进行直接盈利或[编辑后售卖]进行间接盈利)。
2、本站所有内容均由合作方或网友上传,本站不对文档的完整性、权威性及其观点立场正确性做任何保证或承诺!文档内容仅供研究参考,付费前请自行鉴别。
3、如文档内容存在违规,或者侵犯商业秘密、侵犯著作权等,请点击“违规举报”。

碎片内容

住宅设计规范解析

文本预览

{php // 将文本按句子/段落分割,输出为段落标签,更利于SEO $paragraphs = preg_split('/[\n\r]+/', trim($seo_txt)); foreach($paragraphs as $p) { $p = trim($p); if(strlen($p) > 5) { echo '

' . htmlspecialchars($p) . '

'; } } }
展开全部 ▼
确认删除?
VIP
微信客服
  • 扫码咨询
会员Q群
  • 会员专属群点击这里加入QQ群
客服邮箱
回到顶部