电脑桌面
添加小米粒文库到电脑桌面
安装后可以在桌面快捷访问

城市轨道交通信号系统的安全性VIP免费

城市轨道交通信号系统的安全性_第1页
1/9
城市轨道交通信号系统的安全性_第2页
2/9
城市轨道交通信号系统的安全性_第3页
3/9
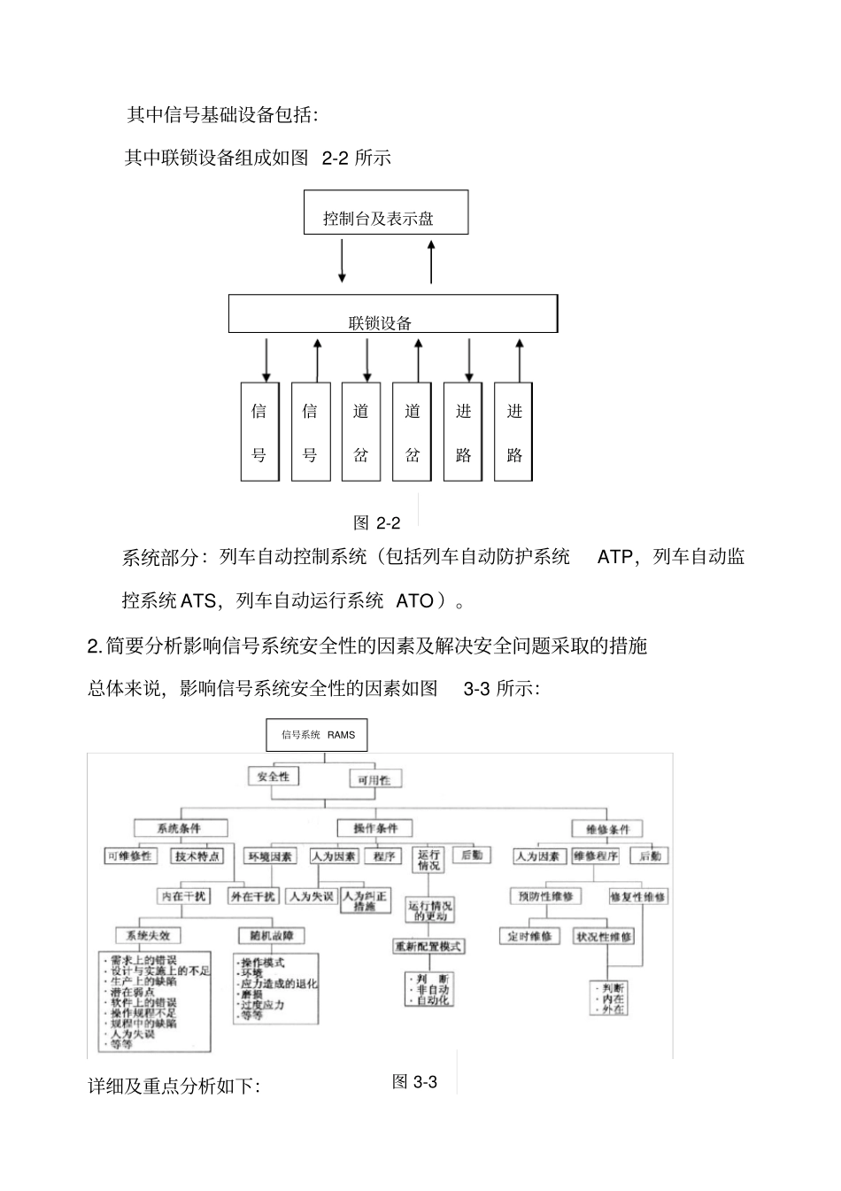
城市轨道交通信号系统的安全性摘要1.简要介绍城市轨道交通信号系统2.简要分析影响信号系统安全性的因素(RAMS):3.简要阐述解决安全问题采取的措施(与第二点穿插阐述)4.简要分析信号系统与其他系统的相互影响5.总结(与第四点融合阐述)引言城市轨道交通系统作为大容量公共交通工具,其安全性直接关系到广大乘客的生命安全。信号系统作为保证列车安全、正点、快捷、舒适、高密度不间断运行的重要技术装备,在城市轨道交通系统中有着举足轻重的地位。因此,信号系统的安全性就显得尤其关键和重要。正文1.简要介绍城市轨道交通信号系统信号系统包括信号设备、联锁设备、闭塞设备三部分(如图1-1所示)。轨道交通信号设备指挥列车运行;连锁设备保证轨道交通车站(包括车辆基地)列车运行的安全;闭塞设备则是保证区间列车运行安全的专门装置。设备部分①设备失事档案时间:1988年12月12日地点:伦敦以南的克拉普汉姆中转站事件:载有500多名乘客的普勒列车撞上了载有900名乘客的星巴斯托克列车的尾部,并转而撞向了第三图1-1①信号机②继电器③转辙机④轨道电路注:图只是效其中信号基础设备包括:其中联锁设备组成如图2-2所示系统部分:列车自动控制系统(包括列车自动防护系统ATP,列车自动监控系统ATS,列车自动运行系统ATO)。2.简要分析影响信号系统安全性的因素及解决安全问题采取的措施总体来说,影响信号系统安全性的因素如图3-3所示:详细及重点分析如下:联锁设备信号信号道岔道岔进路进路图2-2控制台及表示盘信号系统RAMS图3-3设备部分信号机:如图3.1-3.目前城市轨道交通采用的信号机主要采用发光二极管半导体发光器件作为光源。因此在选择发光二极管半导体发光器件时应该考虑安全问题,除材料外还有窜光、灯丝断裂、点灯冲击电流等安全隐患。解决办法:选择材料器件时应该满足轨道交通RAMS标准;而选择组合式色灯信号机或者透镜式色灯信号机能够有效避免窜光问题;LED色灯信号机可以消除灯丝突然断丝和点灯冲击电流等问题。信号机电灯电路是安全电路,设计电路时既要考虑断线保护,又要考虑混线防护。信号机电灯电路断线即要灭灯;信号机电灯电路要具有灯丝报警电路。继电器:如图3.2-3.它在电路中起着自动调节、安全保护、转换电路等作用。信号继电器室组成信号系统的基本器材,必须符合“故障—安全”准则(即当设备、器材、元件发生故障时,其后果必须是导向安全侧),除此之外还有在继电器所处的环境温度下,对于所承受的电流来说如散热不良,会损坏输出半导体器件;由于交变的dv/dt问题,会有半周波动等。解决方法:当控制信号机开关的灯丝继电器故障时,一定只能导致信号机点红灯,强制停车;散热不良时应使用较大的或更有效的散热片;有半周波动时采用缓冲器是有帮助的。图3.1-3图3.2-3转辙机:如图3.3-3.它的基本任务是转换道岔、锁闭道岔和反映道岔的位置和状态。它存在的安全隐患有由设置整流子而引起的故障,由挤切销劳损造成的惯性故障等故障。解决方法:采用交流三相电动机可从根本上解决整流子而引起的故障,还可以提高寿命;采用直径32mm的滚动珠丝杠作为驱动装置可以延长转辙机寿命;采用具有簧式挤脱装置的保持联结器,并选用不可挤型零件,从根本上解决了由挤切销劳损造成的惯性故障;采用多片干式可调摩擦联结器,经工厂调整加封,使用中无需调整。(多选用S00K型电动转辙机)轨道电路:如图3.4-3它是以列车运行线路的两根铁轨作为导体,两端加以电气绝缘或电气分割,并接上送电和受电设备构成的电路。既然是电路必定会有电源、负荷,因此存在负荷过大的安全隐患;某些交流电路还会存在相位偏差;相邻钢轨之间会有联系导致“串音”现象;在道床条件恶劣时,会发生“红光带”及“压不死”现象;钢轨损坏引起的短路问题等。解决方法:采用抗电器可以保护电源设备不因过负荷损坏,并保证在列车占用轨道电路是,轨道继电器能可靠落下,还能调整相位;钢轨绝缘可以分隔相邻轨道电路,从电的方面加以绝缘,但它们仍可通过地面联系;改善轨道条件、改进电路、提高检测信息的差别等可以有效改善“红光带”及“压不死”现象;轨道电路设计原理“故障—安全”能够有...

1、当您付费下载文档后,您只拥有了使用权限,并不意味着购买了版权,文档只能用于自身使用,不得用于其他商业用途(如 [转卖]进行直接盈利或[编辑后售卖]进行间接盈利)。
2、本站所有内容均由合作方或网友上传,本站不对文档的完整性、权威性及其观点立场正确性做任何保证或承诺!文档内容仅供研究参考,付费前请自行鉴别。
3、如文档内容存在违规,或者侵犯商业秘密、侵犯著作权等,请点击“违规举报”。

碎片内容

城市轨道交通信号系统的安全性

爱的疯狂+ 关注
实名认证
内容提供者

该用户很懒,什么也没介绍

确认删除?
VIP
微信客服
  • 扫码咨询
会员Q群
  • 会员专属群点击这里加入QQ群
客服邮箱
回到顶部