电脑桌面
添加小米粒文库到电脑桌面
安装后可以在桌面快捷访问

典型轴类零件的数控车加工工艺VIP免费

典型轴类零件的数控车加工工艺_第1页
1/9
典型轴类零件的数控车加工工艺_第2页
2/9
典型轴类零件的数控车加工工艺_第3页
3/9
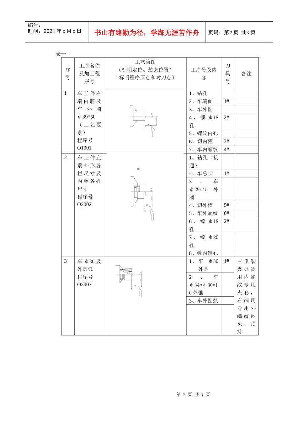
第1页共9页编号:时间:2021年x月x日书山有路勤为径,学海无涯苦作舟页码:第1页共9页典型轴类零件的数控车加工工艺在数控机床上加工零件,与普通机床有所不同,不仅要考虑夹具、刀具、切削用量等常规工艺的选择,更要考虑对刀点、编程原点等设置,在保证质量的前提下,尽可能提高机床的加工效率。以图一所示的轴类零件为例,要在数控机床上完成此单个零件的车削,首先要进行工艺分析,确定工艺方案。常见的工艺方案有两种,分别为表一和表二。第2页共9页第1页共9页编号:时间:2021年x月x日书山有路勤为径,学海无涯苦作舟页码:第2页共9页表一序号工序名称及加工程序号工艺简图(标明定位、装夹位置)(标明程序原点和对刀点)工序号及内容刀具号备注1车工件右端内腔及车外圆ф39*50(工艺要求)程序号O10011、钻孔2、车端面1#3、车外圆4、锁ф18孔2#5、螺纹内孔6、切内槽3#7、车内螺纹4#2车工件左端外形各栏尺寸及内腔各孔尺寸程序号O20021、钻孔(接通)2、车总长1#3、车ф29*45外圆4、切外槽5#5、车外螺纹6#6、镗ф18孔2#7、镗ф20孔8、镗内锥孔3车ф30及外圆弧程序号O30031、车ф30外圆1#三爪装夹处需用内螺纹专用夹套,右端用专用外螺纹闷头,顶持2、车ф34*ф30*10外锥3、车外圆弧第3页共9页第2页共9页编号:时间:2021年x月x日书山有路勤为径,学海无涯苦作舟页码:第3页共9页表二一、1、车工件左端面2、车工件左端外圆弧至工件总长的1/2处3、车工件左端内腔二、1、车工件端面至总长尺寸2、车工件外形与原外圆弧相接3、车工件右端内腔一、夹具和工件装夹方法的比较比较两种工艺方案,在夹具选择方面,都选择了数控车床上的最通用的夹具——三爪卡盘。但是,方案一,除了使用卡盘,还采用了顶尖,为一夹一顶的方式,采用此方式,必须预先车削辅助夹套(如图);方案二,不需要辅助夹套,可省下车削夹套的材料和时第4页共9页第3页共9页编号:时间:2021年x月x日书山有路勤为径,学海无涯苦作舟页码:第4页共9页间,但是,在调头装夹后,只装夹了工件的很短的一部分,对于像本例中比较细长的轴类零件的车削,存在装夹不安全的因素,并且由于装夹不可靠,还会引起工件同轴度的误差造成废品。因此,尽管方案一较为烦琐,但是,装夹可靠,并能保证此细长轴类零件的同轴度要求,在夹具的选用中,方案一较合适。二、刀具的选择及对刀点、换刀点的位置。1、刀具的选择与普通机床相比,数控加工时对刀具提出了更高的要求,不仅要求刚性好、精度高,而且要求尺寸稳定、耐用度高、断屑和排屑性能好,同时要求安装调整方便,满足数控机床的高效率。本例中,两种方案采用了类似的刀具,分别为:1号刀大偏角刀如图2号刀镗刀3号刀内切槽刀4号刀内螺纹刀5号刀外切槽刀第5页共9页第4页共9页编号:时间:2021年x月x日书山有路勤为径,学海无涯苦作舟页码:第5页共9页6号刀外螺纹刀1号刀为大偏角刀,分别用来车削端面,外圆及圆弧,采用较大的副偏角,可以避免连圆弧时产生过切现象,但是在两种方案中,方案一中间连续的圆弧在一次车削中完成,能保证圆弧的光滑连接、方案二中间连续的圆弧通过调头车削来完成,接刀处会产生明显的接刀痕迹,相比方案一有所欠缺。2号刀为镗刀,用于内孔的加工,由于工件的孔较深,且直径小,对于镗刀的要求较高,故采用了切削刃口(刀夹)位置在镗杆直径为1/2处这样处理,可增大镗杆的直径,从而提高镗刀的刚性。3号刀内切槽刀、4号刀内螺纹刀、5号刀外切槽刀、6号刀外螺纹刀,方案相同。2、对刀点、换刀点的位置。工件装夹方式确定后,即可通过确定工件原点来确定工件坐标系。如果要运行这一程序来加工工件,必须确定刀具在工件坐标系开始运动的起点。程序起始点或起刀点一般通过对刀来确定,所以,该点又称为对刀点。在编制程序时,要正确选择对刀点的位置。对刀点设置原则是:(1)便于数值处理和简化程序编制;(2)易于找正并在加工过程中便于查找;(3)引起的加工误差小。对刀点可以设置在加工零件上,也可以设置在夹具或机床上。在本例中,两个方案均运用了工件右端面与轴线的交点作为对刀点,完全符合对刀点的设置原则,对刀点都处理的较好。而换刀点...

1、当您付费下载文档后,您只拥有了使用权限,并不意味着购买了版权,文档只能用于自身使用,不得用于其他商业用途(如 [转卖]进行直接盈利或[编辑后售卖]进行间接盈利)。
2、本站所有内容均由合作方或网友上传,本站不对文档的完整性、权威性及其观点立场正确性做任何保证或承诺!文档内容仅供研究参考,付费前请自行鉴别。
3、如文档内容存在违规,或者侵犯商业秘密、侵犯著作权等,请点击“违规举报”。

碎片内容

典型轴类零件的数控车加工工艺

您可能关注的文档

确认删除?
VIP
微信客服
  • 扫码咨询
会员Q群
  • 会员专属群点击这里加入QQ群
客服邮箱
回到顶部