电脑桌面
添加小米粒文库到电脑桌面
安装后可以在桌面快捷访问

E4、矿山法区间工程VIP免费

E4、矿山法区间工程_第1页
1/54
E4、矿山法区间工程_第2页
2/54
E4、矿山法区间工程_第3页
3/54
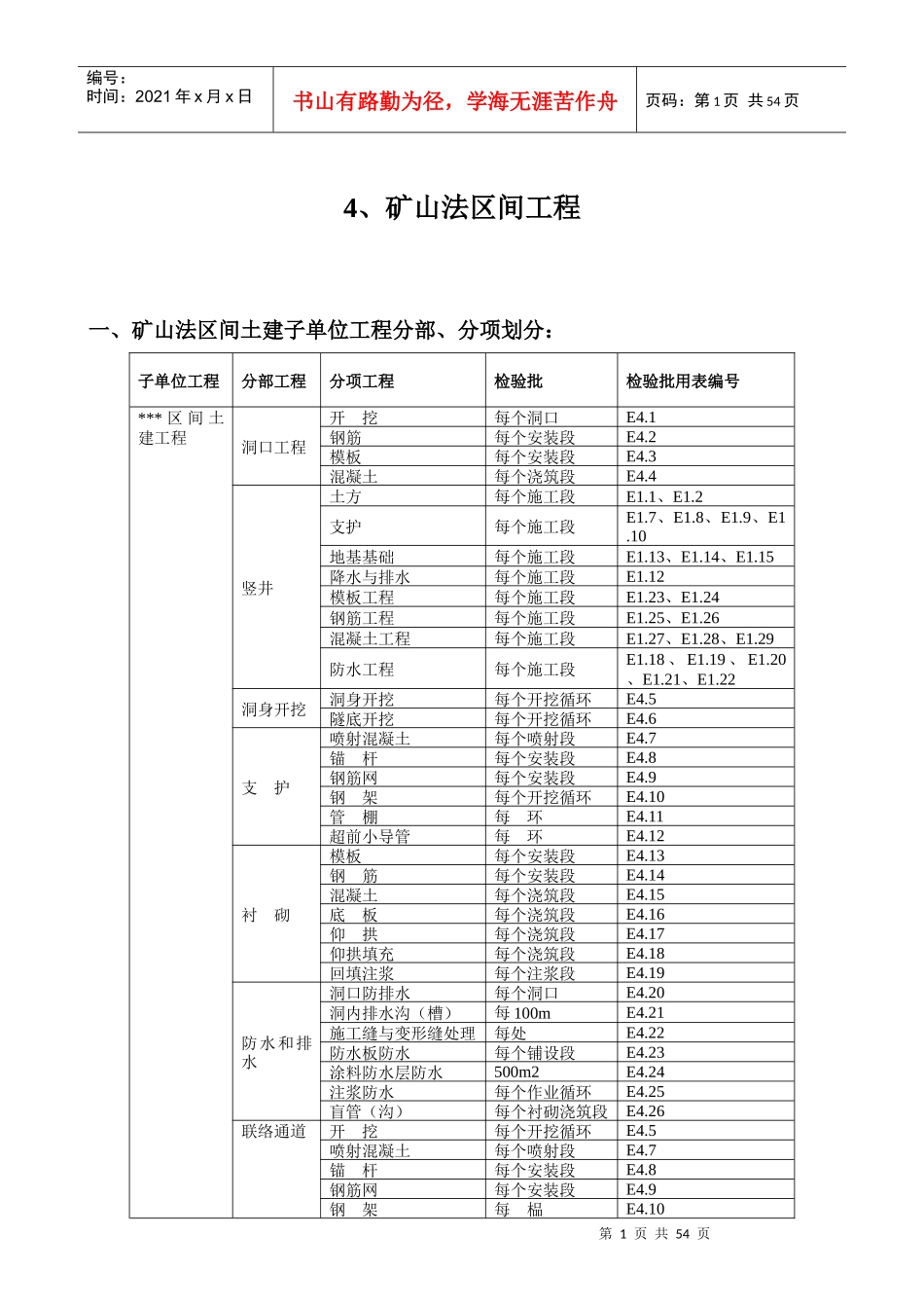
第1页共54页编号:时间:2021年x月x日书山有路勤为径,学海无涯苦作舟页码:第1页共54页4、矿山法区间工程一、矿山法区间土建子单位工程分部、分项划分:子单位工程分部工程分项工程检验批检验批用表编号***区间土建工程洞口工程开挖每个洞口E4.1钢筋每个安装段E4.2模板每个安装段E4.3混凝土每个浇筑段E4.4竖井土方每个施工段E1.1、E1.2支护每个施工段E1.7、E1.8、E1.9、E1.10地基基础每个施工段E1.13、E1.14、E1.15降水与排水每个施工段E1.12模板工程每个施工段E1.23、E1.24钢筋工程每个施工段E1.25、E1.26混凝土工程每个施工段E1.27、E1.28、E1.29防水工程每个施工段E1.18、E1.19、E1.20、E1.21、E1.22洞身开挖洞身开挖每个开挖循环E4.5隧底开挖每个开挖循环E4.6支护喷射混凝土每个喷射段E4.7锚杆每个安装段E4.8钢筋网每个安装段E4.9钢架每个开挖循环E4.10管棚每环E4.11超前小导管每环E4.12衬砌模板每个安装段E4.13钢筋每个安装段E4.14混凝土每个浇筑段E4.15底板每个浇筑段E4.16仰拱每个浇筑段E4.17仰拱填充每个浇筑段E4.18回填注浆每个注浆段E4.19防水和排水洞口防排水每个洞口E4.20洞内排水沟(槽)每100mE4.21施工缝与变形缝处理每处E4.22防水板防水每个铺设段E4.23涂料防水层防水500m2E4.24注浆防水每个作业循环E4.25盲管(沟)每个衬砌浇筑段E4.26联络通道开挖每个开挖循环E4.5喷射混凝土每个喷射段E4.7锚杆每个安装段E4.8钢筋网每个安装段E4.9钢架每榀E4.10第2页共54页第1页共54页编号:时间:2021年x月x日书山有路勤为径,学海无涯苦作舟页码:第2页共54页子单位工程分部工程分项工程检验批检验批用表编号管棚每环E4.11超前小导管每环E4.12模板每个安装段E4.13钢筋每个安装段E4.14混凝土每个浇筑段E4.15回填注浆每个注浆段E4.19明洞工程注:1、矿山法隧道验收标准主要参照《地下铁道工程施工及验收规范》和《铁路隧道工程施工质量验收标准》,结合轨道交通工程特点进行编制的。2、竖井(包括施工用联络通道)作为一个分部工程单独验收,可根据设计内容参照矿山法施工的内容进行编制,若基坑回填采用素混凝土则采用混凝土验收标准。3、联络通道作为一个分部工程单独验收,分项工程内容可根据工法确定。4、明洞工程可以参照明挖区间工程的规定确定分项工程和相应的表格。5、洞口工程中的洞口防护可参照明挖区间的砌体工程(如石砌体)。二、矿山法区间土建工程验收表格目录序号表格名称表号1矿山法区间土建子单位工程质量竣工验收记录统表一2矿山法区间土建子单位工程质量控制资料核查记录统表二3安全和功能检验资料核查记录及主要功能抽查记录统表三4矿山法区间土建子单位工程观感质量检查记录统表四5洞口开挖工程检验批质量验收记录E4.16洞口钢筋工程检验批质量验收记录E4.27洞口模板工程检验批质量验收记录E4.38洞口混凝土工程检验批质量验收记录E4.49洞身开挖工程检验批质量验收记录E4.510隧底开挖工程检验批质量验收记录E4.611喷射混凝土工程检验批质量验收记录E4.712锚杆工程检验批质量验收记录E4.813钢筋网工程检验批质量验收记录E4.914钢架工程检验批质量验收记录E4.1015管棚工程检验批质量验收记录E4.1116超前小导管工程检验批质量验收记录E4.1217衬砌模板工程检验批质量验收记录E4.1318衬砌钢筋工程检验批质量验收记录E4.14第3页共54页第2页共54页编号:时间:2021年x月x日书山有路勤为径,学海无涯苦作舟页码:第3页共54页19衬砌混凝土工程检验批质量验收记录E4.1520底板工程检验批质量验收记录E4.1621仰拱工程检验批质量验收记录E4.1722仰拱填充工程检验批质量验收记录E4.1823回填注浆工程检验批质量验收记录E4.1924洞口防、排水工程检验批质量验收记录E4.2025洞内排水沟(槽)工程检验批质量验收记录E4.2126施工缝与变形缝处理工程检验批质量验收记录E4.2227防水板防水工程检验批质量验收记录E4.2328涂料防水层防水工程检验批质量验收记录E4.2429注浆防水工程检验批质量验收记录E4.2530盲管(沟)工程检验批质量验收记录E4.26三、矿山法区间土建工程验收表格第4页共54页第3页共54页编号:时间:2021年x月x日书山有路勤为径,学海无涯苦作舟页码:第4页共54页无...

1、当您付费下载文档后,您只拥有了使用权限,并不意味着购买了版权,文档只能用于自身使用,不得用于其他商业用途(如 [转卖]进行直接盈利或[编辑后售卖]进行间接盈利)。
2、本站所有内容均由合作方或网友上传,本站不对文档的完整性、权威性及其观点立场正确性做任何保证或承诺!文档内容仅供研究参考,付费前请自行鉴别。
3、如文档内容存在违规,或者侵犯商业秘密、侵犯著作权等,请点击“违规举报”。

碎片内容

E4、矿山法区间工程

确认删除?
VIP
微信客服
  • 扫码咨询
会员Q群
  • 会员专属群点击这里加入QQ群
客服邮箱
回到顶部