电脑桌面
添加小米粒文库到电脑桌面
安装后可以在桌面快捷访问

园路工程施工程序VIP免费

园路工程施工程序_第1页
1/9
园路工程施工程序_第2页
2/9
园路工程施工程序_第3页
3/9
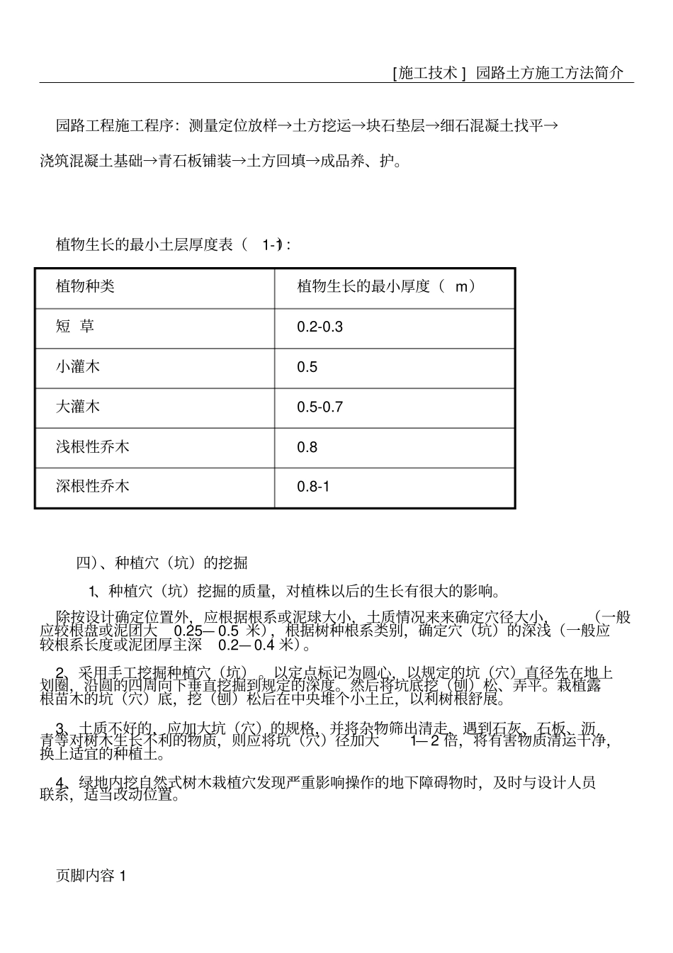
[施工技术]园路土方施工方法简介页脚内容1园路工程施工程序:测量定位放样→土方挖运→块石垫层→细石混凝土找平→浇筑混凝土基础→青石板铺装→土方回填→成品养、护。植物生长的最小土层厚度表(1-1):植物种类植物生长的最小厚度(m)短草0.2-0.3小灌木0.5大灌木0.5-0.7浅根性乔木0.8深根性乔木0.8-1四)、种植穴(坑)的挖掘1、种植穴(坑)挖掘的质量,对植株以后的生长有很大的影响。除按设计确定位置外,应根据根系或泥球大小,土质情况来来确定穴径大小,(一般应较根盘或泥团大0.25—0.5米),根据树种根系类别,确定穴(坑)的深浅(一般应较根系长度或泥团厚主深0.2—0.4米)。2、采用手工挖掘种植穴(坑)。以定点标记为圆心,以规定的坑(穴)直径先在地上划圈,沿圆的四周向下垂直挖掘到规定的深度。然后将坑底挖(刨)松、弄平。栽植露根苗木的坑(穴)底,挖(刨)松后在中央堆个小土丘,以利树根舒展。3、土质不好的,应加大坑(穴)的规格,并将杂物筛出清走,遇到石灰、石板、沥青等对树木生长不利的物质,则应将坑(穴)径加大1—2倍,将有害物质清运干净,换上适宜的种植土。4、绿地内挖自然式树木栽植穴发现严重影响操作的地下障碍物时,及时与设计人员联系,适当改动位置。[施工技术]园路土方施工方法简介页脚内容2七)、地被植物类工程地被植物类工程附属于栽植工程,具有美化裸露地面,巩固树根,增加美观效果等功能。施工时,与栽植工程同样要注意栽植适期,注意个植物的特性和土质关系,以及选派熟练的技术人员作业等。它也是各类工程竣工后的收尾作业,更应该彻底实行质量及工程管理,保证按期完成。主要注意点如下:1、根据各种条件(与栽植工程配合等)编制工程计划和日程安排表。2、对地被材料及使用材料等进行质量管理。3、配合树木栽植工程进行施工技术管理。在设计施工中,按以下规范进行操作:a、铺设和栽种地被植物时,事先按设计标高,整理好场地,主要包括掘松土地,清理砖石土质、整平、施肥等,必要时还要换土。b、起掘厚度为2—3cm,面积为15*15cm左右,其操作程序是整地去杂→施肥→铺草→浇水→填压。c、播种时应精细整地,去除实物杂块,为了使籽能均匀撒播,可掺入等量的细砂和细泥。有风天不宜播籽。遇干燥天气,先浇水,播籽后覆土少许(一般覆土厚度为1—2cm),轻轻压实。d、草坪施工只是草坪建设的第一步,三分种,七分养,草坪同花木一样,施工过后要使草坪成活长好,则需日复一日,年复一年的精心养护管理工作。实践证明,要想达到绿草如茵,寸土不露的效果,草坪的养护管理工作非常重要。e、草坪养护的作业包括滚剪、除杂草、防旱浇水、施肥、排积水、填低洼、防病虫害。九)、大树移植实施性技术方案1、挖掘起掘前应按种植设计统一编号,并做好标记,以便对号入座。土壤过干的于掘前数日浇水,起掘时应标明主要观赏面和树的阴、阳面,使其在种植时仍能保持按原方位种下,以满足他对蔽荫及阳光的要求。起掘前应预先搭好三角支架,避免因起掘大树而产生的一系列不安全的因素。大树在总树冠保持的前提下,需进行整体性疏枝,内堂枝,小枝需剪掉,部分树叶需要摘除,否则大树自身蒸腾作用太大,不利于植株的正常生长。起掘前应用阿司匹林千分之五的浓度喷发树叶,以此来减少大树的蒸腾作用。起掘应观察好地形,确定最佳起掘点,以及泥土堆放地,以便于吊装。土球起掘一树干为圆心,以树干的周长为半径画圆,土球的直径不小于2.5米,厚度不小于0.8米,(具体可视操作过程中定)。根部断根切口用阿尔法——奈乙酸(千分之五的浓度)进行根部喷雾或用刷子刷根。[施工技术]园路土方施工方法简介页脚内容32、包装泥球可用软件包装,深根性树种的沙壤土球应呈“红星苹果形”,浅根性树种的粘土土球可呈扁球形。对粗根应进行剪、锯,不得硬铲一面引起散坨。预先将湿润过的草绳理顺(一面扭拉而断),于土球中部缠绕,两人合作边拉边缠,边用木捶敲打草绳,使草绳略嵌于土球,要使每圈草绳紧靠,总宽度达土球高度的1/4—1/3,并将其系牢,就土球的上部修成凸镜状,粗根应掏空后锯断,使其利于草绳绕过底沿不易松脱。然后用麻袋、塑料布...

1、当您付费下载文档后,您只拥有了使用权限,并不意味着购买了版权,文档只能用于自身使用,不得用于其他商业用途(如 [转卖]进行直接盈利或[编辑后售卖]进行间接盈利)。
2、本站所有内容均由合作方或网友上传,本站不对文档的完整性、权威性及其观点立场正确性做任何保证或承诺!文档内容仅供研究参考,付费前请自行鉴别。
3、如文档内容存在违规,或者侵犯商业秘密、侵犯著作权等,请点击“违规举报”。

碎片内容

园路工程施工程序

确认删除?
VIP
微信客服
  • 扫码咨询
会员Q群
  • 会员专属群点击这里加入QQ群
客服邮箱
回到顶部