电脑桌面
添加小米粒文库到电脑桌面
安装后可以在桌面快捷访问

2015《房屋建筑学》课程设计题目—某商务办公楼VIP免费

2015《房屋建筑学》课程设计题目—某商务办公楼_第1页
1/10
2015《房屋建筑学》课程设计题目—某商务办公楼_第2页
2/10
2015《房屋建筑学》课程设计题目—某商务办公楼_第3页
3/10
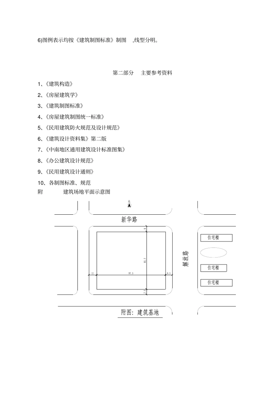
郑州大学现代远程教育《房屋建筑学》课程考核要求说明:本课程考核形式为提交作业,完成后请保存为WORD2003格式的文档,登陆学习平台提交,并检查与确认提交成功(能够下载,并且内容无误即为提交成功)。课程设计题目某商务办公楼课程设计工作内容与基本要求(目标、任务、途径、方法,应掌握的原始资料(数据)、参考资料(文献)以及设计技术要求、注意事项等)第一部分建筑设计一、目的作为新世纪合格而优秀的工程师,仅掌握基础知识与专业知识就是很不够的,她还必须具有较强的综合判断与科学决策的能力,独立处理各种复杂问题的能力以及树立超前创新的意识等等,这些能力与意识的培养与建立就是与教学过程中的实践环节密不可分的。课程设计就是实现培养学生树立正确的设计思想与方法,增强独立运用理论知识,以及技术标准、设计规范,参考资料,分析问题与解决问题的能力,能用通顺的文字与准确的图表系统地完整表达设计成果的主要方法,可以使学生得到工程实践的实际训练,提高其应用能力及动手能力。二、题目要求1、工程名称:自拟。2、建筑地点:详见建筑场地平面示意图。即城市主次干道交叉处。3、建筑规模:总建筑面积5000m2左右。层数5层。4、结构形式:框架结构。5、功能要求:1)底层布置门厅、接待室、值班室、配电间、消防控制室等。2)除一层以外,每层设100m2会议室1间,80m2办公室2间。3)顶层布置150~200m2会议室,其余为普通办公室。4)其它各层房间为普通办公室。5)各层均设置男女卫生间,并设前室。6)屋面为上人屋面。7)其它房间可灵活布置。8)二部电梯(1000Kg/台)三、水文地质气象资料1、所用水文、气象资料详见《建筑设计资料集》Ⅰ(第二版);2、土壤冻结深度:0、4m;3、场地地质情况、地下水位根据《岩土工程勘查报告(详勘)》,地下水静止水位深约1、4m,水质对混凝土无侵蚀。第一层为填土,层厚1、5m,第二层为粉土,层厚为4m,第三层为粉质粘土,层厚为2m。第二层地基土的指标:自然容重1、99g/cm2,液限26、4%,塑性指数8、5,孔隙比0、69,稠度0、30,承载力标准值为140KN/m2,第三层土承载力标准值为150Kpa、四、建筑标准1、建筑等级:ΙΙ级。2、防火等级:ΙΙ级。3、采光等级:ΙΙ级。4、建筑结构安全等级为二级。5、抗震设防烈度按7度设防。五、成果要求1、严格按照国家现行的设计、施工及验收规范、条例进行设计。2、设计过程以施工图设计为主。3、施工图设计:按要求完成图纸内容:1)底层平面图,标准层平面图,比例:1:100(1:150)。2)剖面图,比例:1:100。3)正立面图与侧立面图各一个,比例:1:100(1:150)。4)详图:2-3个,墙身剖面图、檐口详图、楼梯平面图等。比例:1:15或1:20。5)简要说明:简要的建筑设计说明,如建筑性质、设计依据、建筑概况、总建筑面积、总使用面积、使用面积系数K值、建筑类别、耐火等级、抗震设防烈度、墙体材料及厚度、玻璃厚度及颜色、门窗材料及颜色等。6)图例表示均按《建筑制图标准》制图,线型分明。第二部分主要参考资料1、《建筑构造》2、《房屋建筑学》3、《建筑制图标准》4、《房屋建筑制图统一标准》5、《民用建筑防火规范及设计规范》6、《建筑设计资料集》第二版7、《中南地区通用建筑设计标准图集》8、《办公建筑设计规范》9、《民用建筑设计通则》10、各制图标准、规范附建筑场地平面示意图某商务办公楼的设计方案施工图设计设计人:王姣姣学号:日期:2015年10月6日1:100一层平面图1:100二—四层平面图本层建筑面积:1185.3平方米1:100立面图1:1001:100立面图

1、当您付费下载文档后,您只拥有了使用权限,并不意味着购买了版权,文档只能用于自身使用,不得用于其他商业用途(如 [转卖]进行直接盈利或[编辑后售卖]进行间接盈利)。
2、本站所有内容均由合作方或网友上传,本站不对文档的完整性、权威性及其观点立场正确性做任何保证或承诺!文档内容仅供研究参考,付费前请自行鉴别。
3、如文档内容存在违规,或者侵犯商业秘密、侵犯著作权等,请点击“违规举报”。

碎片内容

2015《房屋建筑学》课程设计题目—某商务办公楼

爱的疯狂+ 关注
实名认证
内容提供者

该用户很懒,什么也没介绍

相关文档

确认删除?
VIP
微信客服
  • 扫码咨询
会员Q群
  • 会员专属群点击这里加入QQ群
客服邮箱
回到顶部