电脑桌面
添加小米粒文库到电脑桌面
安装后可以在桌面快捷访问

佛山市水利工程施工工地安全文明检查评估标准VIP免费

佛山市水利工程施工工地安全文明检查评估标准_第1页
1/3
佛山市水利工程施工工地安全文明检查评估标准_第2页
2/3
佛山市水利工程施工工地安全文明检查评估标准_第3页
3/3
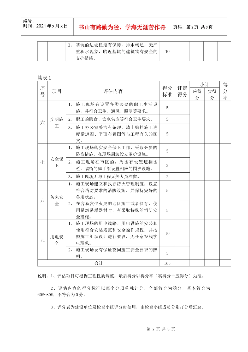
第1页共3页编号:时间:2021年x月x日书山有路勤为径,学海无涯苦作舟页码:第1页共3页佛山市水利工程施工工地安全文明检查评估标准表1:现场综合评估序号项目评估内容得分标准评定得分小计得分率应得分实得分一安全生产管理1、施工单位能执行国家有关安全生产和劳动保护的法规,建立健全安全生产责任制。102、能执行安全生产自检制,每个季度能进行一次安全生产自检。103、有各项安全生产规章制度及档案。54、加强规范化管理,进行安全交底、安全教育和安全宣传,严格执行安全技术方案。55、各类作业人员能依照有关规定持证上岗,施工现场的主要管理人员有佩戴证明其身份的证卡。106、施工现场的各种安全设施和劳动保护器具,能定期进行检查和维护,及时消除隐患,保证其安全有效。10二施工现场布置1、施工现场的办公室、宿舍、施工仓库、材料堆放场、施工道路、作业区等布置合理。102、材料堆放、机械停放有序整齐,堆放大宗材料、成品、半成品和机具设备时,无侵占场内道路及安全防护等设施。10三宣传标牌1、施工现场设置有明显的标牌和宣贯标语,包括宣传简介栏、文明施工标牌、有关规章制度标牌、危险区域的安全警示牌等。10四场容场貌1、施工现场道路平整、畅通。52、场容场貌整洁,建筑垃圾随时清理。53、采取有效措施控制施工现场的各种粉尘、废气、废水、固体废弃物以及噪声、振动对环境的污染和危害。5五作业安全1、作业区的所有人员有佩戴安全帽等安全防护措施,施工作业搭设必要的桥架,并有稳固牢靠的护栏。10附件一第2页共3页第1页共3页编号:时间:2021年x月x日书山有路勤为径,学海无涯苦作舟页码:第2页共3页2、基坑的边坡稳定有保障,排水畅通,无严重积水现象,临近基坑的建筑物有安全的支护措施。10续表1序号项目评估内容得分标准评定得分小计得分率应得分实得分六文明施工1、施工现场有设置各类必要的职工生活设施,并符合卫生、通风、照明等要求。52、职工的膳食、饮水供应等符合卫生要求。53、施工办公室整洁有条理,墙上贴挂施工进度横道图、平面布置图等与工程有关的图文。5七安全保卫1、施工现场落实安全保卫工作,采取必要的防盗措施,在现场周边设立围护设施。52、施工现场在市区的,周围有设置遮挡围栏,临街的脚手架设置相应的围护设施。33、施工现场无与工程无关人员滞留。2八防火安全1、施工现场建立和执行防火管理制度,设置符合消防要求的消防设施,并保持完好的备用状态。52、在容易发生火灾的地区施工或者储存、使用易燃易爆器材时,有采取特殊的消防安全措施。5九用电安全1、施工现场的用电线路、用电设施的安装和使用符合安装规范和安全操作规程,并按照施工组织设计进行架设,无任意拉线接电现象。102、施工现场设有保证夜间施工安全要求的照明。5合计165说明:1、评估项目可根据工程性质调整,最后得分以得分率(实得分÷应得分)为准。2、评估内容的得分标准以每个分项单独计分,全部符合为满分,基本符合为60%~80%,不符合为0分。3、评分表为建设单位及检查小组评分时使用,由检查小组成员分别打分后汇总。第3页共3页第2页共3页编号:时间:2021年x月x日书山有路勤为径,学海无涯苦作舟页码:第3页共3页佛山市水利水电工程质量监督站制

1、当您付费下载文档后,您只拥有了使用权限,并不意味着购买了版权,文档只能用于自身使用,不得用于其他商业用途(如 [转卖]进行直接盈利或[编辑后售卖]进行间接盈利)。
2、本站所有内容均由合作方或网友上传,本站不对文档的完整性、权威性及其观点立场正确性做任何保证或承诺!文档内容仅供研究参考,付费前请自行鉴别。
3、如文档内容存在违规,或者侵犯商业秘密、侵犯著作权等,请点击“违规举报”。

碎片内容

佛山市水利工程施工工地安全文明检查评估标准

精品中小学资料+ 关注
实名认证
内容提供者

精品文档

确认删除?
VIP
微信客服
  • 扫码咨询
会员Q群
  • 会员专属群点击这里加入QQ群
客服邮箱
回到顶部