电脑桌面
添加小米粒文库到电脑桌面
安装后可以在桌面快捷访问

钻孔桩成孔质量检查记录VIP免费

钻孔桩成孔质量检查记录_第1页
1/91
钻孔桩成孔质量检查记录_第2页
2/91
钻孔桩成孔质量检查记录_第3页
3/91
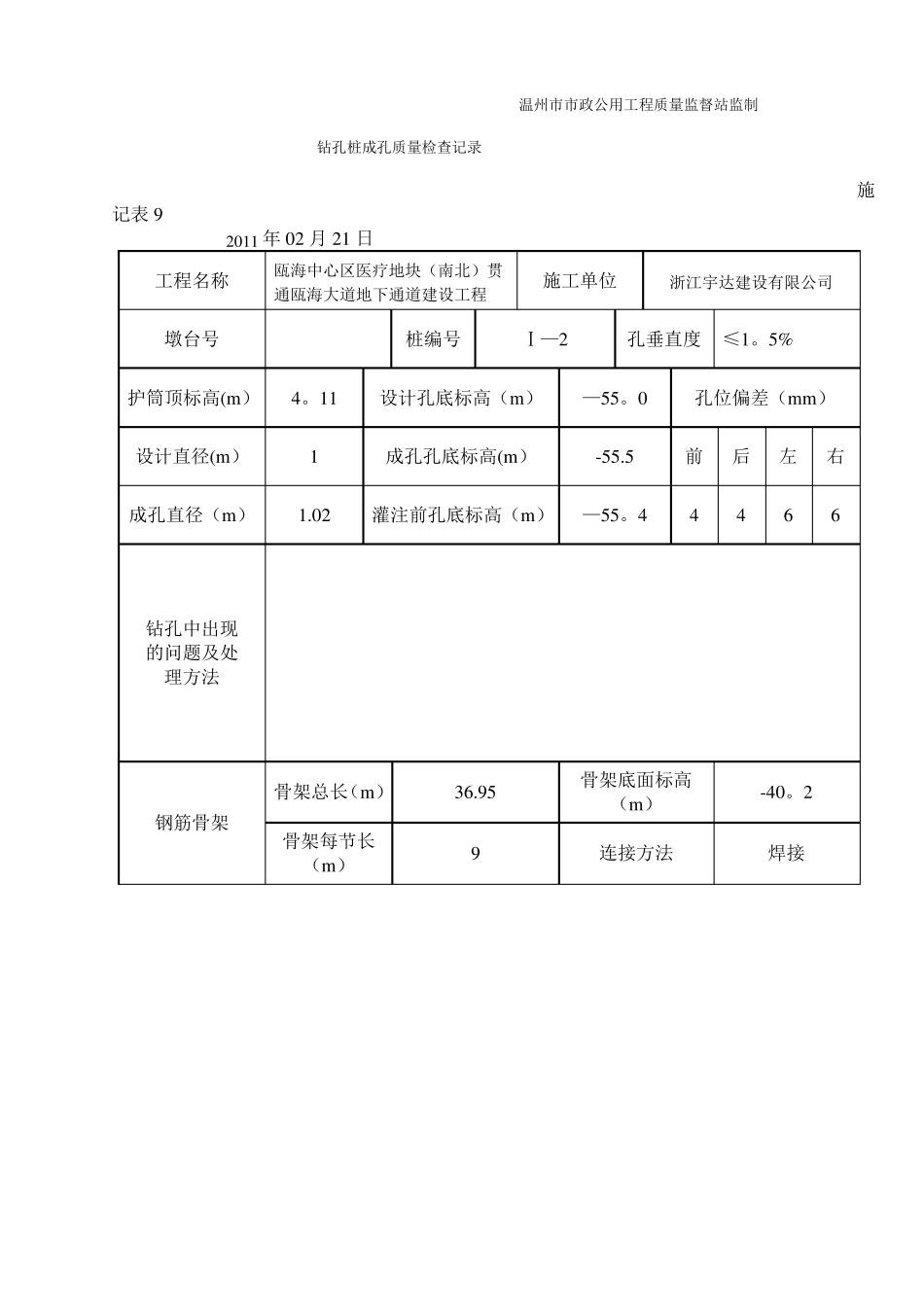
钻孔桩成孔质量检查记录施记表92011年02月22日瓯海中心区医疗地块(南北)贯通瓯海大道地下通道建设工程工程名称墩台号护筒顶标高(m)设计直径(m)成孔直径(m)施工单位Ⅰ—1浙江宇达建设有限公司4.1811。01桩编号孔垂直度≤1。5%-55。0—55.5-55.3孔位偏差(mm)前5后5左8右8设计孔底标高(m)成孔孔底标高(m)灌注前孔底标高(m)钻孔中出现的问题及处理方法骨架总长(m)钢筋骨架骨架每节长(m)36.959骨架底面标高(m)连接方法-40。2焊接检查意见施工项目技术负责人:质检员:监理:温州市市政公用工程质量监督站监制钻孔桩成孔质量检查记录施记表92011年02月21日瓯海中心区医疗地块(南北)贯通瓯海大道地下通道建设工程工程名称墩台号护筒顶标高(m)设计直径(m)成孔直径(m)施工单位Ⅰ—2浙江宇达建设有限公司4。1111.02桩编号孔垂直度≤1。5%—55。0-55.5—55。4孔位偏差(mm)前4后4左6右6设计孔底标高(m)成孔孔底标高(m)灌注前孔底标高(m)钻孔中出现的问题及处理方法骨架总长(m)钢筋骨架骨架每节长(m)36.959骨架底面标高(m)连接方法-40。2焊接检查意见施工项目技术负责人:质检员:监理:温州市市政公用工程质量监督站监制钻孔桩成孔质量检查记录施记表92011年02月20日瓯海中心区医疗地块(南北)贯通瓯海大道地下通道建设工程工程名称墩台号护筒顶标高(m)设计直径(m)成孔直径(m)施工单位Ⅰ-3浙江宇达建设有限公司4。1511。01桩编号孔垂直度≤1.5%-55.0-55.5-55.3孔位偏差(mm)前6后6左7右7设计孔底标高(m)成孔孔底标高(m)灌注前孔底标高(m)钻孔中出现的问题及处理方法钢筋骨架骨架总长(m)36。95骨架底面标高(m)-40。2骨架每节长(m)9连接方法焊接检查意见施工项目技术负责人:质检员:监理:温州市市政公用工程质量监督站监制钻孔桩成孔质量检查记录施记表92011年02月18日瓯海中心区医疗地块(南北)贯通瓯海大道地下通道建设工程工程名称墩台号护筒顶标高(m)设计直径(m)成孔直径(m)施工单位Ⅰ—4浙江宇达建设有限公司4.0511.02桩编号孔垂直度≤1.5%-55。0—55。5—55.4孔位偏差(mm)前3后3左5右5设计孔底标高(m)成孔孔底标高(m)灌注前孔底标高(m)钻孔中出现的问题及处理方法骨架总长(m)钢筋骨架骨架每节长(m)36.959骨架底面标高(m)连接方法—40。2焊接检查意见施工项目技术负责人:质检员:监理:温州市市政公用工程质量监督站监制钻孔桩成孔质量检查记录施记表92011年03月14日瓯海中心区医疗地块(南北)贯通瓯海大道地下通道建设工程工程名称墩台号护筒顶标高(m)设计直径(m)成孔直径(m)施工单位Ⅰ—5浙江宇达建设有限公司4。0611。01桩编号孔垂直度≤1.5%—55。0-55。5—55.4孔位偏差(mm)前5后5左6右6设计孔底标高(m)成孔孔底标高(m)灌注前孔底标高(m)钻孔中出现的问题及处理方法骨架总长(m)钢筋骨架骨架每节长(m)36。959骨架底面标高(m)连接方法—40.2焊接检查意见施工项目技术负责人:质检员:监理:温州市市政公用工程质量监督站监制钻孔桩成孔质量检查记录施记表92011年03月13日瓯海中心区医疗地块(南北)贯通瓯海大道地下通道建设工程工程名称墩台号护筒顶标高(m)设计直径(m)施工单位Ⅰ—6浙江宇达建设有限公司4.031桩编号孔垂直度≤1。5%-55.0-55。5孔位偏差(mm)前后左右设计孔底标高(m)成孔孔底标高(m)成孔直径(m)1.01灌注前孔底标高(m)-55。35588钻孔中出现的问题及处理方法骨架总长(m)钢筋骨架骨架每节长(m)36。959骨架底面标高(m)连接方法-40。2焊接检查意见施工项目技术负责人:质检员:监理:温州市市政公用工程质量监督站监制钻孔桩成孔质量检查记录施记表92011年03月15日瓯海中心区医疗地块(南北)贯通瓯海大道地下通道建设工程工程名称墩台号护筒顶标高(m)施工单位Ⅰ-7浙江宇达建设有限公司4.05桩编号孔垂直度≤1.5%—55。0孔位偏差(mm)设计孔底标高(m)设计直径(m)成孔直径(m)11.02成孔孔底标高(m)灌注前孔底标高(m)—55。5—55。4前4后4左6右6钻孔中出现的问题及处理方法骨架总长(m)钢筋骨架骨架每节长(m)36。959骨架底面标高(m)连接方法—40.1焊接检查意见施工项...

1、当您付费下载文档后,您只拥有了使用权限,并不意味着购买了版权,文档只能用于自身使用,不得用于其他商业用途(如 [转卖]进行直接盈利或[编辑后售卖]进行间接盈利)。
2、本站所有内容均由合作方或网友上传,本站不对文档的完整性、权威性及其观点立场正确性做任何保证或承诺!文档内容仅供研究参考,付费前请自行鉴别。
3、如文档内容存在违规,或者侵犯商业秘密、侵犯著作权等,请点击“违规举报”。

碎片内容

钻孔桩成孔质量检查记录

您可能关注的文档

确认删除?
VIP
微信客服
  • 扫码咨询
会员Q群
  • 会员专属群点击这里加入QQ群
客服邮箱
回到顶部