电脑桌面
添加小米粒文库到电脑桌面
安装后可以在桌面快捷访问

中空吹塑成型制备聚乙烯瓶试验报告VIP免费

中空吹塑成型制备聚乙烯瓶试验报告_第1页
1/7
中空吹塑成型制备聚乙烯瓶试验报告_第2页
2/7
中空吹塑成型制备聚乙烯瓶试验报告_第3页
3/7
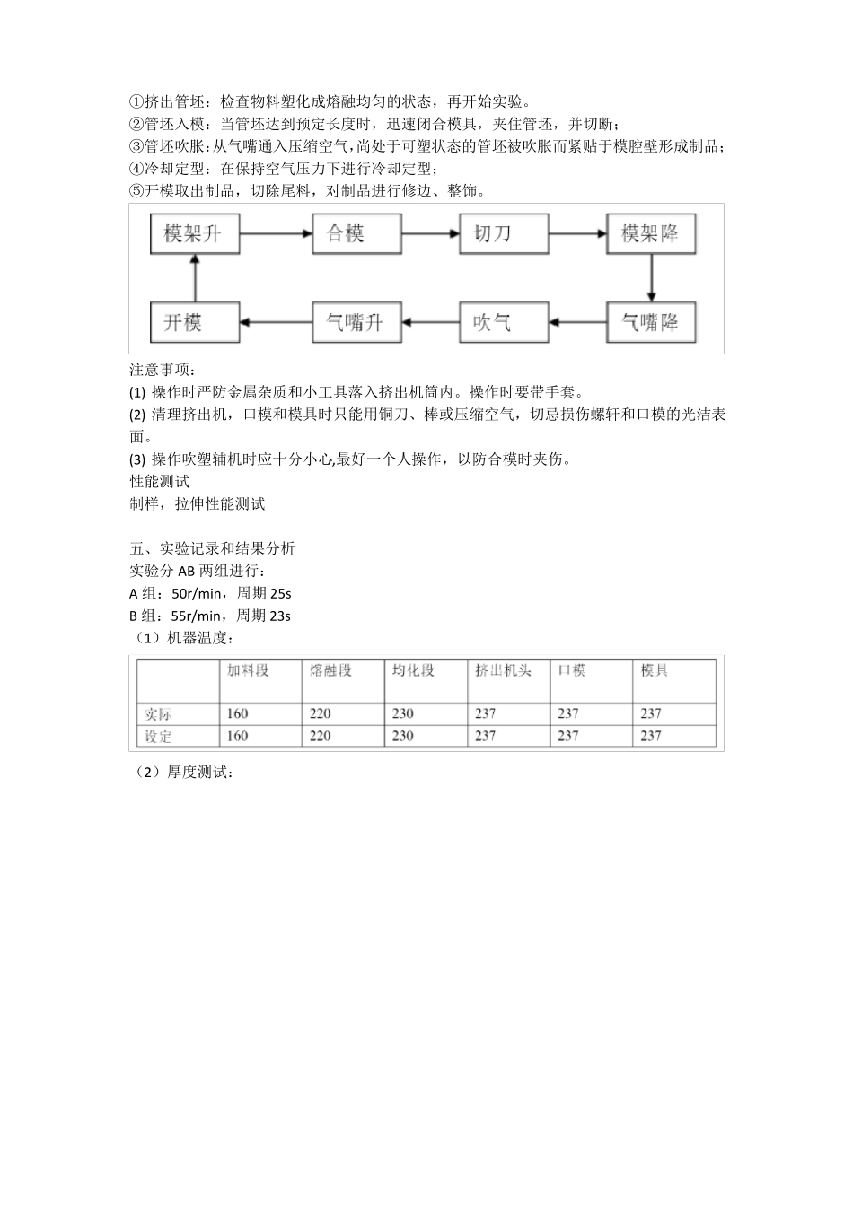
中空吹塑成型制备聚乙烯瓶实验报告一、目的要求1、理解中空的成型工艺原理和过程,掌握中空制瓶的实验技能;2、了解聚合物吹塑成型实际应用意义;3、了解拉吹塑成型工艺条件与制品质量的关系。二、实验原理中空吹塑是塑料的主要成型方法之一,中空吹塑成型是借助于气体的压力,把在闭合模具中呈热融状态的塑料型坯吹胀形成空心制品的工艺技术。根据型坯的生产特征不同,可以分为:挤出型坯一挤出吹塑和注射型坯一注射吹塑两种,前者是用挤出机制造管状型坯,并把它置于开启的两瓣模具之间,然后闭合模具,封闭型坯的上端及底部,通入压缩空气吹胀型坯,使其紧贴模腔,经冷却后开模即可获得中空制品;后者则是用注射机先在模具内注射有底的型坯,然后开模将型坯移至吹塑模内,进行吹塑成型,冷却开模脱出制品。在工业生产和日用生活中所使用的许多塑料容器和中空制品,都可用中空吹塑方法制造,如贮存酸、碱的大容器,各种各样的塑料瓶和大量用于农业、食品、饮料、化妆品、药品、洗涤产品的贮存容器以及儿童玩具等。进入20世纪80年代,由于吹塑工业水平的提高,其制品应用领域已扩展到形状复杂、功能独特的办公用品、家用电器、家具、文化娱乐用品及汽车工业零部件,如汽油箱、燃料油管等,具有更高的技术含量和功能性,可以中空吹塑的塑料有聚乙烯、聚氯乙烯、聚丙烯、聚苯乙烯、乙烯一醋酸乙烯共聚物、聚对苯二甲酸乙二醇酯(PET)、聚碳酸酯、聚酰胺等,凡熔体指数为0.04~1.12(g/10min)范围内的塑料都是比较优良的中空吹塑材料,其中以聚乙烯使用得最广泛。聚乙烯大多用于制造包装药品的各种容器。低密度聚乙烯主要用作食品包装容器,高密度聚乙烯混合料用于制造各种商品容器,聚氯乙烯塑料因透明度和气密性都较好,人们用无毒聚氯乙烯中空制品作食品包装,如包装食用油、矿泉水和其它软饮料;聚丙烯因其气密性、耐冲击强度都较聚氯乙烯和聚乙烯差,作为中空吹塑制品用量有限,自从采用双向拉伸吹塑工艺后,聚丙烯的透明度和强度均有很大提高,宜于制作薄壁瓶子,多用于洗涤剂、药品和化妆品的包装容器;而聚对苯二甲酸乙二醇酯因透明性好、韧性高、气密性好、无毒大量用于饮料瓶等。近年来,已有些国家正研究开发用改性聚丙烯或聚酯经中空吹塑法生产啤酒瓶以代替玻璃瓶,这不仅有效地保障了人身安全,而且啤酒瓶及容器为中空吹塑提供了广阔的市场。1.挤出吹塑主要设备如图46-1所示,由1挤出机和环形机头,2中空吹塑模具和3中空吹塑机组成。2.挤出吹塑成型条件的控制挤出吹塑工艺包括挤出管坯的温度和挤出速度、吹气压力和鼓气速度、吹胀比、模具温度和冷却时间等。a.管坯温度和挤出速度挤出管坯时,首先熔体温度应均匀。温度的选择不能偏高,也不能太低。如果温度过高,不仅冷却时间增长,而且悬挂于模口的管坯会因自重而严重下垂,引起管坯纵向厚度不均,严重时甚至会丧失熔体强度,难以成型。但熔体温度亦不能过低,由于聚合物的弹性效应,使出口膨胀严重,管坯长度收缩,壁厚增大,制品表面不光亮,内应力增加导致表面粗糙,强度下降。另外,在挤出管坯时,必须控制模芯与口模温度一致,以防止管坯卷曲。对于加工温度和螺杆转速的选择,应遵循这样一个原则,在既能够挤出光滑而均匀的管坯、又不会使挤出传动系统超负荷的前提下,尽可能采用较低的加工温度和较快的螺杆转速,这对于加工那些温敏性的塑料和长度较大的中空制品来说,尤为重要。否则,型坯的粘度低,挤出速度又慢,由于塑料自重作用而引起的管坯下垂,将会造成壁厚相差悬殊,甚至无法成型。b.吹气压力和鼓气速率管坯的吹胀是利用压缩空气的压力作用在管坯上而产生的。吹塑过程中应有足够的空气压力,才能使管坯吹胀并紧贴模壁,从而获得清晰的图案花纹。此外,压缩空气也起到冷却作用。由于塑料种类和管坯温度不同,熔体的粘度大小不同,为了达到吹胀的要求,所需气体压力也不同,很明显,熔体粘度大的塑料所需空气压力比粘度小的高。同时,吹气压力的大小还与管坯的壁厚、制品的容积大小有关,对厚壁小容积制品可采用较低的吹气压力,控制管坯的长度。通过光电管检测挤出管坯长度与设定长度之间的变化,...

1、当您付费下载文档后,您只拥有了使用权限,并不意味着购买了版权,文档只能用于自身使用,不得用于其他商业用途(如 [转卖]进行直接盈利或[编辑后售卖]进行间接盈利)。
2、本站所有内容均由合作方或网友上传,本站不对文档的完整性、权威性及其观点立场正确性做任何保证或承诺!文档内容仅供研究参考,付费前请自行鉴别。
3、如文档内容存在违规,或者侵犯商业秘密、侵犯著作权等,请点击“违规举报”。

碎片内容

中空吹塑成型制备聚乙烯瓶试验报告

爱的疯狂+ 关注
实名认证
内容提供者

该用户很懒,什么也没介绍

确认删除?
VIP
微信客服
  • 扫码咨询
会员Q群
  • 会员专属群点击这里加入QQ群
客服邮箱
回到顶部