电脑桌面
添加小米粒文库到电脑桌面
安装后可以在桌面快捷访问

机械设备清单VIP免费

机械设备清单_第1页
1/28
机械设备清单_第2页
2/28
机械设备清单_第3页
3/28
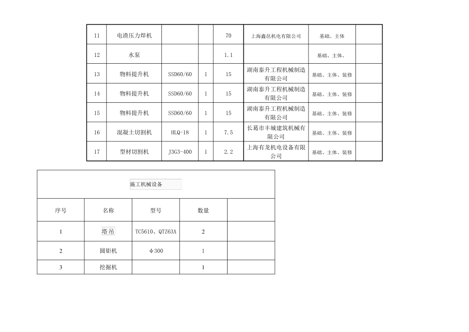
机械设备清单工程名称:怡亚通长沙供应链整合研发中心-物流仓库、研发中心序号12345678910机械或设备名称普通塔式起重机型号规格TC5610数额定功率量(kw)135厂家长沙中联重工科技发展股份有限公司佛山市南海高达建筑机械有限公司沈利达工程机械有限公司用于施工部位基础、主体、装饰备注普通塔式起重机QTZ63A135基础、主体、装饰砼搅拌机50017.5基础、主体闪光对焊机UN-100190泰兴市永和石油机械厂基础、主体钢筋切断机液压弯曲机液压调直切断机GJ-40-1W-18AYGTL5-1213.5泰兴市永和石油机械厂广东省鹤山市沙坪弯曲机厂桐庐祥云机械有限公司基础、主体1135.57.53.5基础、主体基础、主体电焊机圆钜锯各式振动器BX-315φ300上海银达防爆电厂一分厂基础、主体311基础、主体2.2基础、主体11121314151617电渣压力焊机水泵物料提升机物料提升机物料提升机混凝土切割机型材切割机SSD60/60SSD60/60SSD60/60HLQ-18J3G3-40011111701.11515157.52.2上海鑫邑机电有限公司基础、主体湖南泰升工程机械制造有限公司湖南泰升工程机械制造有限公司湖南泰升工程机械制造有限公司长葛市丰城建筑机械有限公司上海有龙机电设备有限公司基础、主体、基础、主体、装修基础、主体、装修基础、主体、装修基础、主体、装修基础、主体、装修施工机械设备序号名称型号数量123塔吊圆钜机挖掘机TC5610、QTZ63Aφ300211456789成套木工机械钢筋切断机各式振动器电焊机电渣压力焊机砼搅拌机GJ-40-1BX-500500LSSD60/60、SSD60/60、SSD60/60GW-40111321310物料提升机11钢筋弯曲机112水泵113闪光对焊机UN-1001设备保养记录项目名称:怡亚通长沙供应链整合研发中心—物流仓库、研发中心年月日序号设备编号设备名称保养内容保养周期保养时间12345678910UN-100BX-500GJ-40-1闪光对焊机检测线路电焊机保养人张学武张学武张学武张学武张学武张学武张学武张学武张学武张学武完成情况完成完成完成完成完成完成完成完成完成完成1月1月1月1月1月1月1月1月1月1月2022-9-22022-9-22022-9-42022-9-42022-9-62022-9-62022-9-82022-9-82022-9-102022-9-10检测线路钢筋切断机检查刀片电渣压力焊机砼搅拌机水泵圆钜机500L检测线路检测线路检测线路检测线路φ300SSD60/60物料提升机检测线路各式振动器检测线路钢筋弯曲机检测线路W-18A1112131415161718TC5610、QTZ63A液压调直切断机塔吊YGTL5-12检测线路检测线路检测线路刀片检测线路刀片1月1月1月1月2022-9-122022-9-122022-9-142022-9-14张学武张学武张学武张学武完成完成完成完成混凝土切割机型材切割机HLQ-18J3G3-400设备保养记录项目名称:怡亚通长沙供应链整合研发中心—物流仓库、研发中心年月日序号设备编号设备名称保养内容保养周期保养时间12UN-100BX-500闪光对焊机检测线路电焊机保养人张学武张学武完成情况完成完成1月1月2022-8-22022-8-2检测线路345678910111213141516GJ-40-1钢筋切断机检查刀片电渣压力焊机砼搅拌机水泵圆钜机1月1月1月1月1月1月1月1月1月1月1月1月2022-8-42022-8-42022-8-62022-8-62022-8-82022-8-82022-8-102022-8-102022-8-122022-8-122022-8-142022-8-14张学武张学武张学武张学武张学武张学武张学武张学武张学武张学武张学武张学武完成完成完成完成完成完成完成完成完成完成完成完成500L检测线路检测线路检测线路检测线路φ300SSD60/60物料提升机检测线路各式振动器检测线路钢筋弯曲机检测线路塔吊YGTL5-12W-18ATC5610、QTZ63A液压调直切断机检测线路检测线路检测线路刀片检测线路刀片混凝土切割机型材切割机HLQ-18J3G3-4001718设备保养记录项目名称:怡亚通长沙供应链整合研发中心—物流仓库、研发中心年月日序号设备编号设备名称保养内容保养周期保养时间12345678UN-100BX-500GJ-40-1闪光对焊机检测线路电焊机保养人张学武张学武张学武张学武张学武张学武张学武张学武完成情况完成完成完成完成完成完成完成完成1月1月1月1月1月1月1月1月2022-7-22022-7-22022-7-42022-7-42022-7-62022-7-62022-7-82022-7-8检测线路钢筋切断机检查刀片电渣压力焊机砼搅拌机水泵圆钜机500L检测线路检测线路检测线路检测线路φ300各式振动器检测线路91011121314151617W-18AT...

1、当您付费下载文档后,您只拥有了使用权限,并不意味着购买了版权,文档只能用于自身使用,不得用于其他商业用途(如 [转卖]进行直接盈利或[编辑后售卖]进行间接盈利)。
2、本站所有内容均由合作方或网友上传,本站不对文档的完整性、权威性及其观点立场正确性做任何保证或承诺!文档内容仅供研究参考,付费前请自行鉴别。
3、如文档内容存在违规,或者侵犯商业秘密、侵犯著作权等,请点击“违规举报”。

碎片内容

机械设备清单

您可能关注的文档

确认删除?
VIP
微信客服
  • 扫码咨询
会员Q群
  • 会员专属群点击这里加入QQ群
客服邮箱
回到顶部