电脑桌面
添加小米粒文库到电脑桌面
安装后可以在桌面快捷访问

高速公路维修保养标准化管理手册VIP专享VIP免费

高速公路维修保养标准化管理手册_第1页
1/48
高速公路维修保养标准化管理手册_第2页
2/48
高速公路维修保养标准化管理手册_第3页
3/48
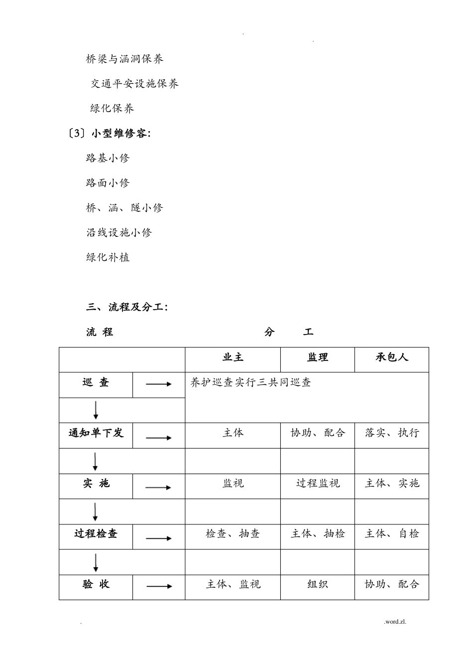
..高速公路维修保养标准化管理手册xx高速公路开展XX公司xx分公司..word.zl...高速公路维修保养标准化管理手册第一章总那么一、定义维修保养是指为保持高速公路及其附属设施的正常使用功能,而进展经常性、期性、预防性养护和维修工作,使高速公路及其附属设施保持完好状态,确保原有道路状况和使用品质不下降。二、分类按照工作容分为:巡查、日常保养、小型维修。〔1〕巡查容:日常巡查定期巡查特殊巡查专项巡查〔2〕日常保养容:路面保养路基保养..word.zl...桥梁与涵洞保养交通平安设施保养绿化保养〔3〕小型维修容:路基小修路面小修桥、涵、隧小修沿线设施小修绿化补植三、流程及分工:流程分工巡查通知单下发实施过程检查验收主体、监视检查、抽查组织监视主体、抽检协助、配合主体过程监视主体、自检协助、配合主体、实施落实、执行业主监理承包人养护巡查实行三共同巡查..word.zl...四、责权划分①公司养护总负责人为:公司总经理②公司养护具体负责人为:公司主管副总经理③公司养护科总负责人为:养护科科长对路段养护工作组织和开展以及养护科管理总负责,对公司主管副总经理负责;按照所分配段落的不同,主要负责所在段落的日常养护巡视和日常养护工作管理。对所辖路段养护工作开展负责,对路段总负责人负责,对监理和承包人不定期检查和抽查。第二章巡查和通知单巡查是通过乘车或步行的式,了解设施状况完好程度,目的是尽早发现病害或损坏,及时进展保养或维修。巡查是维修保养工作的根底,是编制月度、季度、年度养护方案的依据。第一局部:日常巡查一、责任主体及频率路况的日巡查由施工单位、监理单位、管理公司三共同实施,每天至少一次。二、巡查要求:..word.zl...1.路容路貌整洁、美观;2.路基边坡稳定,排水设施完善、畅通;3.路面平整无明显跳车,病害处治及时、有效;4.桥梁、隧道、涵洞及通道等构造物保持完好状态;5.沿线设施规、齐全,恢复及时;6.绿化长势良好,无虫害、无死苗木;7.防汛抢险、除雪防滑预案完善,措施到位,效果明显;8.天气、路况、工程维修等交通信息及时发布;9.养护作业规,平安措施齐全,现场管理有序;三、巡查容1、路容路貌:路面较大散落物、路面〔翻浆〕唧浆和坑槽、护栏板〔活动护栏〕、标志牌、标线、防眩板〔网〕、防抛网、隔离栅及刺丝缺失、倒伏、中分带绿化苗木枯死、路基边坡、边沟的水毁。2、现场施工:临时标志标牌的摆放、施工现场设备摆放、监理及施工人员着装、现场保洁工作、保通人员情况、对施工作业时间和作业区段有明确要求时,承包人的落实情况。3、当天养护施工:承包人是否按照?任务单?和当天的方案在规定的地点进展施工;4、保洁员工作情况:保洁员到岗情况、执行特殊任务时,如迎宾、大件运输等情况时施工作业点的撤离情况。五、巡查记录每日巡查完毕后,监理填写“日常养护巡查记录表〞,养护科根据日..word.zl...常巡查发现的问题及时向养护施工单位下发维修保养?任务单?,三确认无误后签字。第二局部定期巡查一、责任主体业主主持第一季度的定期巡查;监理工程师主持每月一次的桥梁、涵洞、隧道以及第二、三、四季度的定期巡查。二、巡查要求定期巡查是对路基、路面、桥梁涵洞和沿线设施进展更为细致的检查,主要是对日常巡查中不易观察到的部位或不易确认的病害的补充巡查。业主负责,监理工程师、承包人协助实施,以徒步调查式。三、巡查频率路面、路基、沿线设施按季度每年4次。桥涵隧一个月一次。四、巡查容:1、路面:裂缝、唧浆、坑槽、网裂、泛油、波浪、油污、拥包、翻浆、龟裂等。2、路基:边坡、护坡道有无杂草、垃圾、水毁,边沟、边沟有无淤积、水毁,泄水槽、护肩板有脱落、脱空,路缘是否顺直、有无损坏、与路面间有无缝隙。3、平安设施:护栏板是否顺直、有无附件缺失、锈蚀,标志标牌、隔音墙、有无附件缺失或损坏、锈蚀,中央分隔带防眩板〔网〕有无附件缺失或损坏、锈蚀,标线、轮廓标、凸起路标有无缺损,隔离栅是否完整。4、绿化:中央分隔带、互通区、路基边坡苗木、地被有无枯死、缺失,..word.zl...修剪是否整齐。5、桥梁、涵洞:涵通道有无积水、淤积,墙身、八字墙有无...

1、当您付费下载文档后,您只拥有了使用权限,并不意味着购买了版权,文档只能用于自身使用,不得用于其他商业用途(如 [转卖]进行直接盈利或[编辑后售卖]进行间接盈利)。
2、本站所有内容均由合作方或网友上传,本站不对文档的完整性、权威性及其观点立场正确性做任何保证或承诺!文档内容仅供研究参考,付费前请自行鉴别。
3、如文档内容存在违规,或者侵犯商业秘密、侵犯著作权等,请点击“违规举报”。

碎片内容

高速公路维修保养标准化管理手册

确认删除?
VIP
微信客服
  • 扫码咨询
会员Q群
  • 会员专属群点击这里加入QQ群
客服邮箱
回到顶部