电脑桌面
添加小米粒文库到电脑桌面
安装后可以在桌面快捷访问

实训六:车船使用、税印花税纳税申报表的填报VIP专享VIP免费

实训六:车船使用、税印花税纳税申报表的填报_第1页
1/4
实训六:车船使用、税印花税纳税申报表的填报_第2页
2/4
实训六:车船使用、税印花税纳税申报表的填报_第3页
3/4
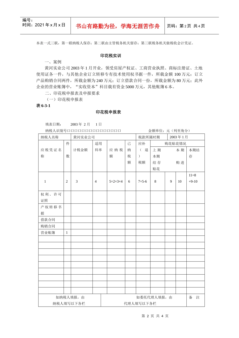
第1页共4页编号:时间:2021年x月x日书山有路勤为径,学海无涯苦作舟页码:第1页共4页实训六:车船使用、税印花税纳税申报表的填报实验目的:要求学生根据案例所给资料,用在税法中学习到的知识,按照车船使用税、印花税纳税申报表申报填制要求,计算两税应纳税额并根据两税各纳税申报填制的方法实际填制两税纳税申报表,同时要求学生熟悉与两税相关的税收政策以便理论与实际结合,为以后从事会计申报纳税打下坚实的基础。步骤:1、计算相关数据2、据以填报纳税申报表一、案例黄河实业公司2003年10月有净吨位为8吨的货车8辆,50座大客车1辆,小轿车5辆。按该地区规定车船使用税年税额:载货汽车每吨40元/净吨位,乘人汽车50座的每辆240元/辆,小轿车每辆120元/辆。二、车船使用税申报表及申报要求(一)车船使用税申报表车船使用税纳税申报表填表日期:年月日纳税人识别号码口口口口口口口口口口口口口口口金额单位;元(列至角分)纳税人名称黄河实业公司税款所属时期车船类别计税标准数量单位金额全年应纳税额年缴纳次数本期应纳税额已纳税额应补(退)税额1载重货车乘人汽车小轿车合计如纳税人填报,由纳税人填写以下各栏如委托代理人填报,由代理人填写以下各栏备注会计主管(签章)经办人(签章)纳税人(签章)代理人名称代理人(签章)代理人地址经办人电话以下由税务机关填写收到申报日期接收人本表为16开竖式第2页共4页第1页共4页编号:时间:2021年x月x日书山有路勤为径,学海无涯苦作舟页码:第2页共4页本表一式三联,第一联纳税人保存;第二联由主管税务机关留存;第三联税务机关做税收会计凭证。印花税实训一、案例黄河实业公司2003年1月开业,领受房屋产权证、工商营业执照、商标注册证、土地使用证各一件,与其他企业订立转移专有技术使用权书据一件,所载金额100万元;订立产品购销合同两件,所载金额为240万元;订立借款合同一份,所载金额为80万元;此外企业的营业账簿中,“实收资本”科目载有资金5000万元,其他账簿6本。二、印花税申报表及申报要求(一)印花税申报表表6-3-1印花税申报表填表日期:2003年2月1日纳税人识别号口口口口口口口口口口口口口口口金额单位:元(列至角分)纳税人名称黄河实业公司税款所属时期2003年1月应税凭证名称件数计税金额适用科率应纳税额已纳税额应补(退)税额购花贴花情况上期本期本期结存购进贴花本期结存12345=2×3×467=5-6891011=8+9-10权利、许可证照产权转移书据借款合同购销合同营业账簿1如纳税人填报,由纳税人填写以下各栏如委托代理人填报,由代理人填写以下各栏备注第3页共4页第2页共4页编号:时间:2021年x月x日书山有路勤为径,学海无涯苦作舟页码:第3页共4页会计主管(签章)经办人(签章)纳税人(签章)代理人名称代理人(签章)代理人地址经办人电话以下由税务机关埴写收到申报表日期接收人(二)印花税申报表填制方法印花税申报表适用于各类应税凭证印花税的纳税申报,能够将应税凭证当月申报与即时贴花完税的情况作全面综合的反映。其填制方法如下:1.“填表日期”,指纳税人申报填写申报表的日期。印花税应以应税凭证书立或领受日期为准。具体纳税期限是应税合同以正式签订日期、应税书据的立据日期、应税账簿以启用日期、应税证照以领受日期为纳税期限。2.“纳税人识别号”栏,填写纳税人在办理税务登记时由主管税务机关确定的税务登记号。3.“纳税人名称”栏,填写纳税人全称,不得填写简称。4.“税款所属时期”,指应纳税款所属的时期。5.“应税凭证名称”,填写印花税纳税对象的具体名称。6.“件数”栏,填写应贴花的应税凭证的件数。7.“计税金额”栏,指印花税的计税依据,概括起来有以下几种:(1)购销合同以购销金额为计税依据。(2)加工承揽合同以加工或承揽收入金额为计税依据。加工或承揽收入金额,不仅包括加工费收入金额,还包括受托方为工承揽的业务所添配的原材料及辅助材料的金额。(3)建设工程勘察设计合同以收取费用为计税依据。(4)建筑安装工程承包合同以承包金额为计税依据。(5)财产租赁合同以租赁金额为计税依据。(6)货物运输合同以运输费用为计税依据。如货物运输合同...

1、当您付费下载文档后,您只拥有了使用权限,并不意味着购买了版权,文档只能用于自身使用,不得用于其他商业用途(如 [转卖]进行直接盈利或[编辑后售卖]进行间接盈利)。
2、本站所有内容均由合作方或网友上传,本站不对文档的完整性、权威性及其观点立场正确性做任何保证或承诺!文档内容仅供研究参考,付费前请自行鉴别。
3、如文档内容存在违规,或者侵犯商业秘密、侵犯著作权等,请点击“违规举报”。

碎片内容

实训六:车船使用、税印花税纳税申报表的填报

您可能关注的文档

确认删除?
VIP
微信客服
  • 扫码咨询
会员Q群
  • 会员专属群点击这里加入QQ群
客服邮箱
回到顶部