电脑桌面
添加小米粒文库到电脑桌面
安装后可以在桌面快捷访问

08年预算员考试《编制与应用》试题及答案VIP免费

08年预算员考试《编制与应用》试题及答案_第1页
1/10
08年预算员考试《编制与应用》试题及答案_第2页
2/10
08年预算员考试《编制与应用》试题及答案_第3页
3/10
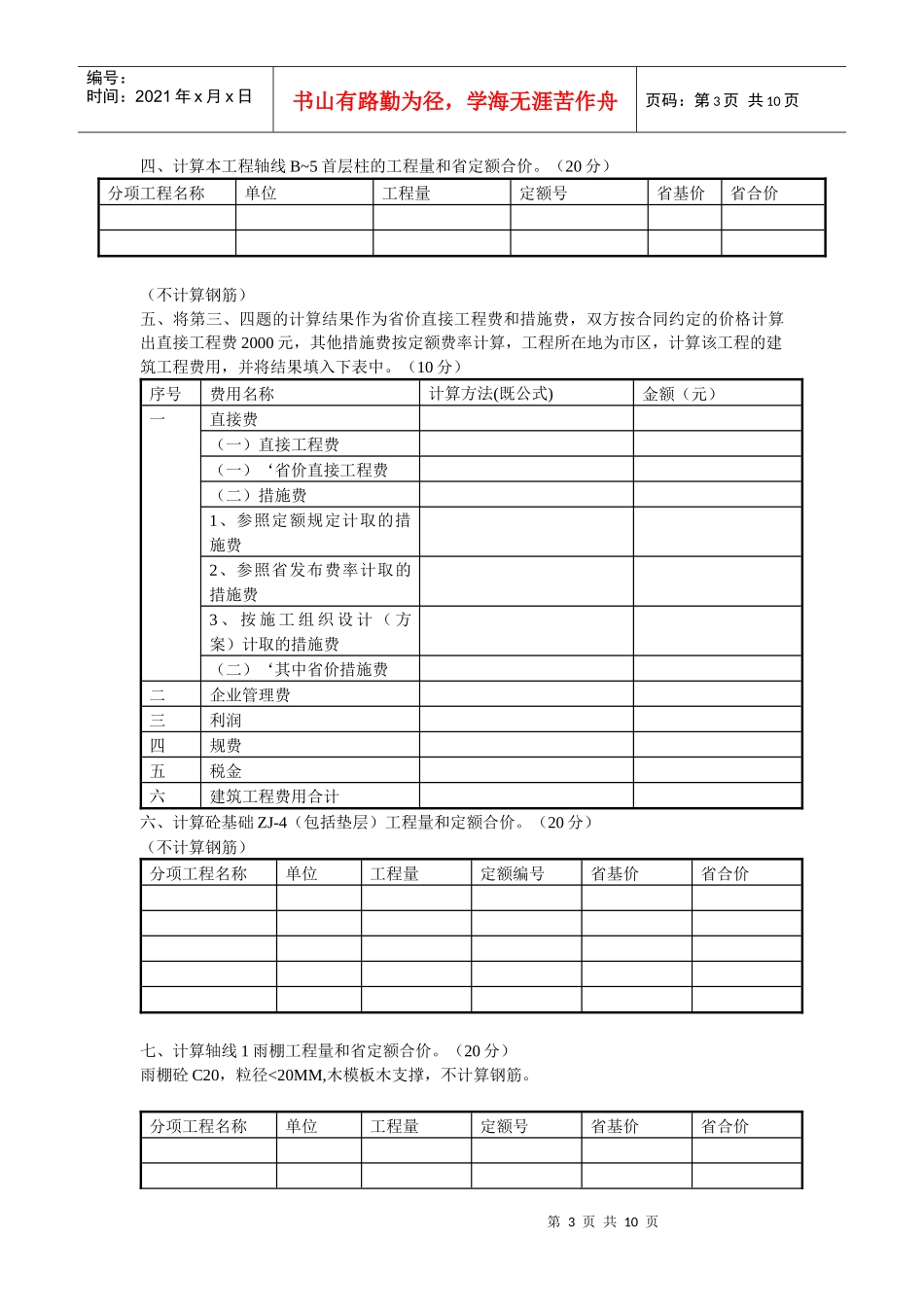
第1页共10页编号:时间:2021年x月x日书山有路勤为径,学海无涯苦作舟页码:第1页共10页2008年山东省工程造价专业人员业务水平等级统一考试《建筑工程编制与应用试题》答案一、选择题(每题2分,共20分)。每题有1个或多个正确答案,将正确答案选项填入括号内。错选或多选均不得分,少选且正确的每个选项得0.5分。1.依据《山东省建筑工程消耗量定额》和鲁建发[2005]29号文中“建筑工程安全防护、文明施工措施项目清单”有关规定,下列不属于安全施工费费率包括的内容是------。(B.D)A防护围栏B接料平台C通道棚D安全网2.社会保障费由----------组成。(A.B.D)A养老保障费B失业保险费C财产保险费D医疗保险费3.建筑工程消耗量定额是体现完成每一计量单位的合格产品的-----------。(B)A社会平均劳动量B社会平均消耗量C社会先进劳动量D社会先进消耗量4.建筑物外有维护结构的--------,应按其维护结构外围水平投影面积计算。(A.B.C.D)A门斗B挑廊C檐廊D落地橱窗5.在按《山东省建筑工程工程量清单计价办法》投标报价时,综合单价不应包括招标人自行采购的价款。但应考虑对---------的影响。(B.D)A综合单价B管理费C措施费D利润6.设计不利用的---------不应计算建筑面积。(A.B.C.D)A深基础架空层B坡地吊脚架空层C多层建筑坡屋顶内D场馆看台下的空间7.下列属于工程量清单报价格式内容是-------(A.B.C.D)A总说明B投标总价C单位工程费汇总表D措施项目清单计价表8.实心砖墙工程量按设计图示尺寸以体积计算,应扣除-------所占体积。(A.B.C)A门窗洞口B过人洞C空圈D消火栓箱9.除合同另有约定外,分部分项工程量清单综合单价需调整的情况有---------(A.B.C)A工程量清单漏项B工程量清单有多余项C设计变更增加新项目D清单有误工程量增量在15%以内10.下列费用项目属于清单措施项目的是---------。(A.C.D)A脚手架B砼搅拌机械C临时设施D安全施工二、编制分部分项工程量清单及分部分项工程量清单计价表(30分)1.编制基础土石方分部分项工程量清单(16分)土石方开挖按人工挖土考虑,基础、垫层工作面宽度按定额规定执行。分部分项工程量清单序号项目编码项目名称计量单位工程数量010101003001挖基础土方1.土壤类别:-0.5m以上普通土,以M3206.34第2页共10页第1页共10页编号:时间:2021年x月x日书山有路勤为径,学海无涯苦作舟页码:第2页共10页下坚土2.基础形式:砼独立基础3.挖土深度:2m以内010101003002挖基础土方4.土壤类别:-0.5以上普通土,以下坚土5.基础形式:砼条形基础6.挖土深度:2m以内M3178.052编制基础土石方分部分项工程量清单计价表(14分)序号项目编码项目名称计量单位工程数量金额综合单价合价010101003001挖基础土方7.土壤类别:-5以上普通土,以下坚土8.基础形式:砼独立基础9.挖土深度:2m以内M3206.3444.80010101003002挖基础土方10.土壤类别:-5以上普通土,以下坚土11.基础形式:砼条形基础12.挖土深度:2m以内M3178.05综合单价:1-2-18定额人工单价调整:201.34元/10m3+(44-28)*7.14=315.58元/10m3315.58*(1+5.1%+3.2%)/10=34.18元/m334.18*270/206=44.80元/m3三、计算本工程轴线4首层内墙工程量和省定额合价分项工程名称单位工程量定额号省基价省合价第3页共10页第2页共10页编号:时间:2021年x月x日书山有路勤为径,学海无涯苦作舟页码:第3页共10页四、计算本工程轴线B~5首层柱的工程量和省定额合价。(20分)分项工程名称单位工程量定额号省基价省合价(不计算钢筋)五、将第三、四题的计算结果作为省价直接工程费和措施费,双方按合同约定的价格计算出直接工程费2000元,其他措施费按定额费率计算,工程所在地为市区,计算该工程的建筑工程费用,并将结果填入下表中。(10分)序号费用名称计算方法(既公式)金额(元)一直接费(一)直接工程费(一)‘省价直接工程费(二)措施费1、参照定额规定计取的措施费2、参照省发布费率计取的措施费3、按施工组织设计(方案)计取的措施费(二)‘其中省价措施费二企业管理费三利润四规费五税金六建筑工程费用合计六、计算砼基础ZJ-4(包括垫层)工程量和定额合价。(20分)(不计算钢筋)分项工程名称单位工程量定额编号省...

1、当您付费下载文档后,您只拥有了使用权限,并不意味着购买了版权,文档只能用于自身使用,不得用于其他商业用途(如 [转卖]进行直接盈利或[编辑后售卖]进行间接盈利)。
2、本站所有内容均由合作方或网友上传,本站不对文档的完整性、权威性及其观点立场正确性做任何保证或承诺!文档内容仅供研究参考,付费前请自行鉴别。
3、如文档内容存在违规,或者侵犯商业秘密、侵犯著作权等,请点击“违规举报”。

碎片内容

08年预算员考试《编制与应用》试题及答案

您可能关注的文档

确认删除?
VIP
微信客服
  • 扫码咨询
会员Q群
  • 会员专属群点击这里加入QQ群
客服邮箱
回到顶部