电脑桌面
添加小米粒文库到电脑桌面
安装后可以在桌面快捷访问

风险分级管控清单VIP免费

风险分级管控清单_第1页
1/21
风险分级管控清单_第2页
2/21
风险分级管控清单_第3页
3/21
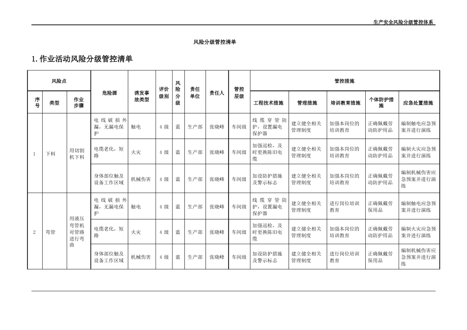
生产安全风险分级管控体系风险分级管控清单1.作业活动风险分级管控清单风险点序号类型危险源作业步骤诱发事故类型评价级别风险分级管控措施责任单位责任人管控层级工程技术措施管理措施培训教育措施个体防护措施正确佩戴劳动防护用品应急处置措施电线破损外漏,无漏电保触电护4级蓝生产部张晓峰线缆穿管防建立健全相关车间级护,设置漏电管理制度保护器加强本岗位的培训教育编制触电应急预案并进行演练1下料用切割机下料电缆老化,短路火灾4级蓝生产部张晓峰加强巡检,及车间级时更换陈旧电缆建立健全相关管理制度加强本岗位的培训教育正确佩戴劳动防护用品编制火灾应急预案并进行演练编制机械伤害应急预案并进行演练身体部位触及设备工作区域机械伤害4级蓝生产部张晓峰加设防护措施车间级及警示标志建立健全相关管理制度加强本岗位的培训教育正确佩戴劳动防护用品2弯管用液压弯管机对管路进行弯曲电线破损外漏,无漏电保触电护4级蓝生产部张晓峰线缆穿管防建立健全相关车间级护,设置漏电管理制度保护器进行岗位培训教育正确佩戴劳保用品编制触电应急预案并进行演练电缆老化,短路火灾4级蓝生产部张晓峰加强巡检,及车间级时更换陈旧电缆建立健全相关管理制度加强本岗位的培训教育正确佩戴劳动防护用品编制火灾应急预案并进行演练身体部位触及设备工作区域机械伤害4级蓝生产部张晓峰加设防护措施车间级及警示标志建立健全相关管理制度进行岗位培训教育正确佩戴劳保用品编制机械伤害应急预案并进行演练山东通盛制冷设备有限公司生产安全风险分级管控体系电线破损外触电4级蓝生产部李林伟加强本岗位的培训教育正确佩戴劳动防护用品编制触电应急预案并进行演练漏,无漏电保护线缆穿管防建立健全相关车间级护,设置漏电管理制度保护器3焊接经加工后焊接成型电缆老化,短火灾4级蓝生产部李林伟路加强巡检,及车间级时更换陈旧电缆建立健全相关管理制度加强本岗位的培训教育正确佩戴劳动防护用品编制火灾应急预案并进行演练长期接触有毒气体职业病4级蓝生产部李林伟车间级定期查体建立健全相关管理制度加强本岗位的培训教育正确佩戴劳动防护用品根据伤害程度,使用应急救护设施4壳体打孔用电钻对玻璃钢进行打孔对空调产品进行装配组装打孔时划伤或碰伤其他伤害4级蓝生产部李林伟加设安全防护车间级措施建立健全相关管理制度进行岗位培训教育正确佩戴劳保用品根据伤害程度使用应急救护设施,拨打120加设安全防护车间级措施建立健全相关管理制度进行岗位培训教育正确佩戴劳保用品5装配被配件划伤或碰伤其他伤害4级蓝生产部李林伟根据伤害程度使用应急救护设施,拨打120调试对装配完的半成品进行电检调电线破损外触电4级蓝生产部李林伟漏,无漏电保护线缆穿管防建立健全相关车间级护,设置漏电管理制度保护器进行岗位培训教育正确佩戴劳保用品编制触电应急预案并进行演练6电缆老化,短路火灾4级蓝生产部李林伟加强巡检,及车间级时更换陈旧电缆建立健全相关管理制度加强本岗位的培训教育正确佩戴劳动防护用品编制火灾应急预案并进行演练半成品入库触电4级蓝生产部李林伟电线破损外漏线缆穿管,增车间级加安全警示标志建立健全相关管理制度加强本岗位的培训教育正确佩戴劳动防护用品编制触电应急预案并进行演练7入库电缆老化破损,未及时更换火灾4级蓝生产部李林伟增加消防器材车间级及警示标志建立健全相关管理制度加强本岗位的培训教育正确佩戴劳动防护用品编制火灾应急预案并进行演练山东通盛制冷设备有限公司生产安全风险分级管控体系驾驶员超速、半成品入库车辆伤害4级蓝生产部李林伟加强本岗位的培训教育正确佩戴劳动防护用品根据伤害程度使用应急救护设施,拨打120疲劳驾驶,注意力不集中7入库设置限速标建立健全相关车间级志,划分人车管理制度分隔线货物堆叠过高或倾斜坍塌4级蓝生产部李林伟货物不宜堆放车间级过高建立健全相关管理制度建立健全相关管理制度加强本岗位的培训教育加强本岗位的培训教育正确佩戴劳动防护用品根据伤害程度使用应急救护设施,拨打120触电4级蓝生产部李林伟电线破损外漏线缆穿管,增车间级加安全警示标志正确佩戴劳动防护用品编制触电应急预案并进行演练...

1、当您付费下载文档后,您只拥有了使用权限,并不意味着购买了版权,文档只能用于自身使用,不得用于其他商业用途(如 [转卖]进行直接盈利或[编辑后售卖]进行间接盈利)。
2、本站所有内容均由合作方或网友上传,本站不对文档的完整性、权威性及其观点立场正确性做任何保证或承诺!文档内容仅供研究参考,付费前请自行鉴别。
3、如文档内容存在违规,或者侵犯商业秘密、侵犯著作权等,请点击“违规举报”。

碎片内容

风险分级管控清单

爱的疯狂+ 关注
实名认证
内容提供者

该用户很懒,什么也没介绍

确认删除?
VIP
微信客服
  • 扫码咨询
会员Q群
  • 会员专属群点击这里加入QQ群
客服邮箱
回到顶部