电脑桌面
添加小米粒文库到电脑桌面
安装后可以在桌面快捷访问

个人防护用品安全检查表VIP免费

个人防护用品安全检查表_第1页
1/24
个人防护用品安全检查表_第2页
2/24
个人防护用品安全检查表_第3页
3/24
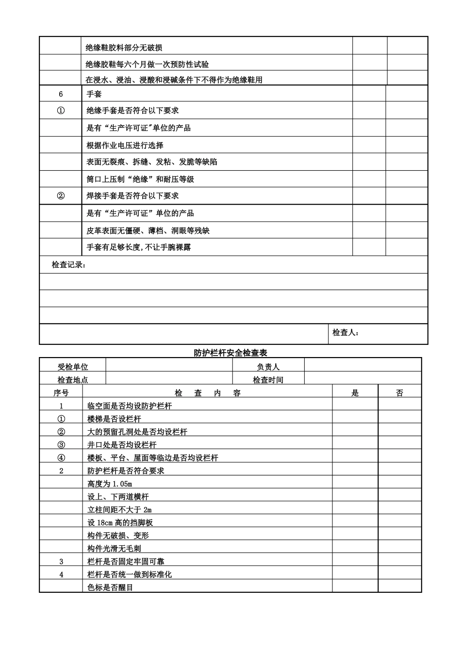
个人防护用品安全检查表受检单位检查地点序号1①②③④2①②③3①②③4①②③5①②③安全帽安全帽是否是有“生产许可证”单位的产品安全帽是否是有“产品合格证"帽的质量是否满足以下要求:垂直间距:塑料衬:25~50mm,棉织或化纤:30~50mm锁紧器符合要求佩带高度80~90mm橡胶帽不超过三年半)到期后是否经抽查测试合格后再使用安全带安全带是否是有“生产许可证”单位的产品安全带是否有合格证是否定期检验是否有记录使用前是否作检查(绳无变质、磨损,保护套完好)防护服特殊作业防护服是否从有“生产许可证”的厂家进货是否有“生产合格证”焊工工作服是否符合以下要求:白色帆布的右门襟扣住左门襟发生意外能迅速脱下防护眼镜防护镜是否是有“生产许可证”单位的产品产品是否有合格证书防辐射线面罩是否符合以下要求护目镜:按出厂遮光编号或使用说明书使用颜色是混合色面罩由不导电材料组成观察窗、滤光片、保护片尺寸吻合,无缝隙各部件无松动脱落防护鞋防护鞋是否是有“生产许可证"单位的产品是否有“产品合格证”绝缘鞋是否符合以下要求在规定电压范围内使用检查内容负责人检查时间是否是否在规定的使用期内(从产品制造完成之日计算,塑料帽不超过两年半,玻璃钢、6①②绝缘鞋胶料部分无破损绝缘胶鞋每六个月做一次预防性试验在浸水、浸油、浸酸和浸碱条件下不得作为绝缘鞋用手套绝缘手套是否符合以下要求是有“生产许可证"单位的产品根据作业电压进行选择表面无裂痕、拆缝、发粘、发脆等缺陷筒口上压制“绝缘”和耐压等级焊接手套是否符合以下要求是有“生产许可证”单位的产品皮革表面无僵硬、薄档、洞眼等残缺手套有足够长度,不让手腕裸露检查记录:检查人:防护栏杆安全检查表受检单位检查地点序号1①②③④234楼梯是否设栏杆大的预留孔洞处是否均设栏杆井口处是否均设栏杆楼板、平台、屋面等临边是否均设栏杆防护栏杆是否符合要求高度为1.05m设上、下两道横杆立柱间距不大于2m设18cm高的挡脚板构件无破损、变形构件光滑无毛刺栏杆是否固定牢固可靠栏杆是否统一做到标准化色标是否醒目检查内容临空面是否均设防护栏杆负责人检查时间是否检查记录:检查人:安全网安全检查表受检单位检查地点序号12345678910检查人:检查内容安全网的质量是否符合要求新网是否有出厂合格证(有生产许可证厂的产品)旧网是否经试验合格后使用(是否经6m高差,160kg冲击试验合格)建筑施工首层外侧是否架设安全网是否随施工高度上升安全网上、下对孔是否架设安全网防护安全网的架设是否正确、牢固网应里低外高(50cm)网内无杂物支杆无断裂、弯曲网内缘与墙面间隙小于15cm网与下方物体表面距离大于3m立网架设是否牢固底边系结是否牢固使用时是否避免:焊接火星落在网里周围有严重的酸碱烟雾安全网是否有跟踪使用记录不符合要求的安全网是否及时处理安全网的存放、保管是否符合要求负责人检查时间是否检查记录:施工用电管理安全检查表受检单位检查地点序号12345检查内容施工用电布设是否按已批准的施工组织设计进行是否有完整的系统图,布置图施工现场是否采用三相五线制,用电设备是否安全接零是否由专业班组负责运行、维护是否有安全操作规程负责人检查时间是否678910电工是否经培训考试合格后持证上岗是否建立施工用电管理制度是否建立施工运行管理制度是否建立施工维修管理制度是否建立施工试验管理制度进行引接电源、检修等工作,是否办理作业票是否设监护人对工器具是否定期检查试验是否有值班记录检查记录:检查人:配电室安全检查表受检单位检查地点序号1①②③④2345678910111213①②③15①②16电气安全操作规程安全检查记录事故台账交接班记录电工是否经培训、考试,持证上岗电工是否穿绝缘鞋是否穿工作服室内是否有事故照明室内是否备有电气灭火器具消防器材是否足够有效室内是否干净整洁门是否向外开室内电气设备外壳是否接零配电盘边沿带电部分是否有遮栏停电作业盘(柜)上是否挂警告牌盘前后是否铺绝缘垫盘下孔洞封堵是否严密电工用的各种绝缘工具、用具是否符合以下规定定期进行试验试验周期及电压符合规定要求(绝缘手套、绝缘鞋每半年1次;高压验电器材每年试验1次)试验...

1、当您付费下载文档后,您只拥有了使用权限,并不意味着购买了版权,文档只能用于自身使用,不得用于其他商业用途(如 [转卖]进行直接盈利或[编辑后售卖]进行间接盈利)。
2、本站所有内容均由合作方或网友上传,本站不对文档的完整性、权威性及其观点立场正确性做任何保证或承诺!文档内容仅供研究参考,付费前请自行鉴别。
3、如文档内容存在违规,或者侵犯商业秘密、侵犯著作权等,请点击“违规举报”。

碎片内容

个人防护用品安全检查表

确认删除?
VIP
微信客服
  • 扫码咨询
会员Q群
  • 会员专属群点击这里加入QQ群
客服邮箱
回到顶部