电脑桌面
添加小米粒文库到电脑桌面
安装后可以在桌面快捷访问

城市无障碍通道设计规范VIP免费

城市无障碍通道设计规范_第1页
1/29
城市无障碍通道设计规范_第2页
2/29
城市无障碍通道设计规范_第3页
3/29
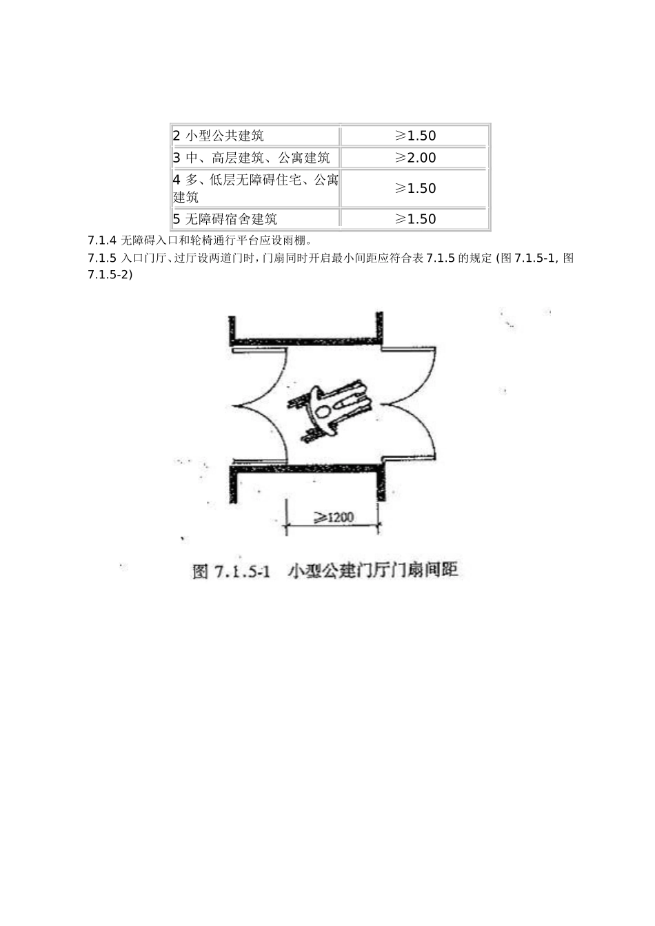
《城市道路和建筑物无障碍设计规范》7建筑物无障碍设计7.1建筑入口7.1.1建筑入口为无障碍入口时,入口室外的地面坡度不应大于1:50(图7.1.1)。7.1.2公共建筑与高层、中高层建筑入口设台阶时,必须设轮椅坡道和扶手。7.1.3建筑入口轮椅通行平台最小宽度就符合表7.1.3的规定。表7.1.3入口平台宽度建筑类别入口平台最小宽度(m)1大、中型公共建筑≥2.002小型公共建筑≥1.503中、高层建筑、公寓建筑≥2.004多、低层无障碍住宅、公寓建筑≥1.505无障碍宿舍建筑≥1.507.1.4无障碍入口和轮椅通行平台应设雨棚。7.1.5入口门厅、过厅设两道门时,门扇同时开启最小间距应符合表7.1.5的规定(图7.1.5-1,图7.1.5-2)表7.1.5门扇同时开启最小间距建筑类别门扇开启后最小间距(m)1大、中型公共建筑≥1.502小型公共建筑≥1.203中、高层建筑、公共建筑≥1.504多、低层无障碍住宅建筑≥1.207.2坡道7.2.1供轮椅通行的坡道应设计成直线型、直角型或折返型,不宜设计弧型(图7.2.1-1,图7.2.1-2)。7.2.2坡道两侧应设扶手,坡道与休息平台的扶手应保持连贯。7.2.3坡道侧面凌空时,在扶手栏杆下端宜设高不小于50mm的坡道安全挡台(图7.2.3)。7.2.4不同位置的坡道,其坡度和宽度应符合表7.2.4的规定。表7.2.4不同位置的坡度和宽度坡道位置最大坡度最小宽度(m)1有台阶的建筑入口2只设坡道的建筑入口3室内走道4室外通路5困难地段1:121:201:121:201:10~1:8≥1.20≥1.50≥1.00≥1.50≥1.207.2.5坡道在不同坡度的情况下,坡道高度和水平长度符合表7.2.5的规定(图7.2.5)。表7.2.5不同坡度高度和水平长度坡度1:201:161:121:101:8最大高度(m)1.51.000.750.600.35水平长度(m)30.0016.009.006.002.807.2.61:10~1:8坡道应只限用于受场地限制改建的建筑物和室外通路。7.2.7坡道面应平整,不应光滑。7.2.8坡道起点、终点和中间休息平台的水平长度不应小于1.50m(图7.2.8)。7.3通路、走道和地面7.3.1乘轮椅者通行的走道和通路最小宽度应符合表7.3.1的规定(图7.3.1)。表7.3.1轮椅通行最小宽度建筑类别最小宽度(m)1大型公共建筑走道2中小型公共建筑走道3检票口、结算口轮椅通道4居住建筑走廊5建筑基地人行通路≥1.80≥1.50≥0.90≥1.20≥1.507.3.2人行通路和室内地面应平整、不光滑、不松动不积水。7.3.3使用不同材料铺装的地面应相互取平;如有高差时不应大于15mm,并应以斜面过度。7.3.4人行通路和建筑入口的雨水箅子不得高出地面,其孔洞不得大于15mm×15mm。7.3.5门扇向走道开启时应设凹室,凹室面积不应小于1.30×0.90m(图7.3.5)。7.3.6墙面伸入走道的突出物不应大于0.10m,距地面高度应小于0.60m。7.3.7供残疾人使用的走道与地面应符合下列规定:1走道宽度不应小于1.80m;2走道两侧应设扶手;3走道两侧墙面应设高0.35m护墙板;4走道及室内地面应平整,并应选用遇水不滑的地面材料;5走道转弯处的阳角应为弧墙面或切角墙面;6走道内不得设置障碍物,光照度不应小于120Lx。7.3.8在走道一侧或尽端与其他地坪有高差时,应设置栏杆或栏板等安全设施。7.4门7.4.1供残疾人使用的门应符合下列规定:1应采用自动门,也可采用推拉门、折叠门或平开门,不应采用力度大的弹簧门;2在旋转门一侧应加设残疾人使用的门;3轮椅通行门的净宽应符合表7.4.1规定。表7.4.1门的净宽类别净宽(m)1自动门2推拉门、折叠门3平开门4弹簧门(小力度)≥1.00≥0.80≥0.80≥0.804乘轮椅者开启的推拉门和平开门,在门把手一侧的墙面应留有不小于0.5m的墙面宽度(图7.4.1-1);5乘轮椅者开启的门扇,应安装视线观察玻璃、横执把手和关门拉手,在门扇的下方应安装高0.35m的护门板(图7.4.1-2);6门扇在一只手操纵下应易于开启,门槛高度及门内外地面高差不应大于15mm,并应以斜面过渡。7.5楼梯与台阶7.5.1残疾人使用的楼梯与台阶设计要求应符合表7.5.1的规定:表7.5.1楼梯与台阶设计要求类别设计要求楼梯与台阶形式1应采用有休息平台的直线形梯段和台阶(图7.5.1-1)。2不应采用无休息平台的楼梯和弧形楼梯(图7.5.1-2)。3不应采用无踢面和突缘为直角形踏步(图7.5.1-3)。宽度1公共建筑梯段宽度不应小于1.50m。2居住建筑梯段宽度不应小于1.20m。扶手1楼梯两...

1、当您付费下载文档后,您只拥有了使用权限,并不意味着购买了版权,文档只能用于自身使用,不得用于其他商业用途(如 [转卖]进行直接盈利或[编辑后售卖]进行间接盈利)。
2、本站所有内容均由合作方或网友上传,本站不对文档的完整性、权威性及其观点立场正确性做任何保证或承诺!文档内容仅供研究参考,付费前请自行鉴别。
3、如文档内容存在违规,或者侵犯商业秘密、侵犯著作权等,请点击“违规举报”。

碎片内容

城市无障碍通道设计规范

您可能关注的文档

确认删除?
VIP
微信客服
  • 扫码咨询
会员Q群
  • 会员专属群点击这里加入QQ群
客服邮箱
回到顶部