电脑桌面
添加小米粒文库到电脑桌面
安装后可以在桌面快捷访问

电机试车要求VIP免费

电机试车要求_第1页
1/13
电机试车要求_第2页
2/13
电机试车要求_第3页
3/13
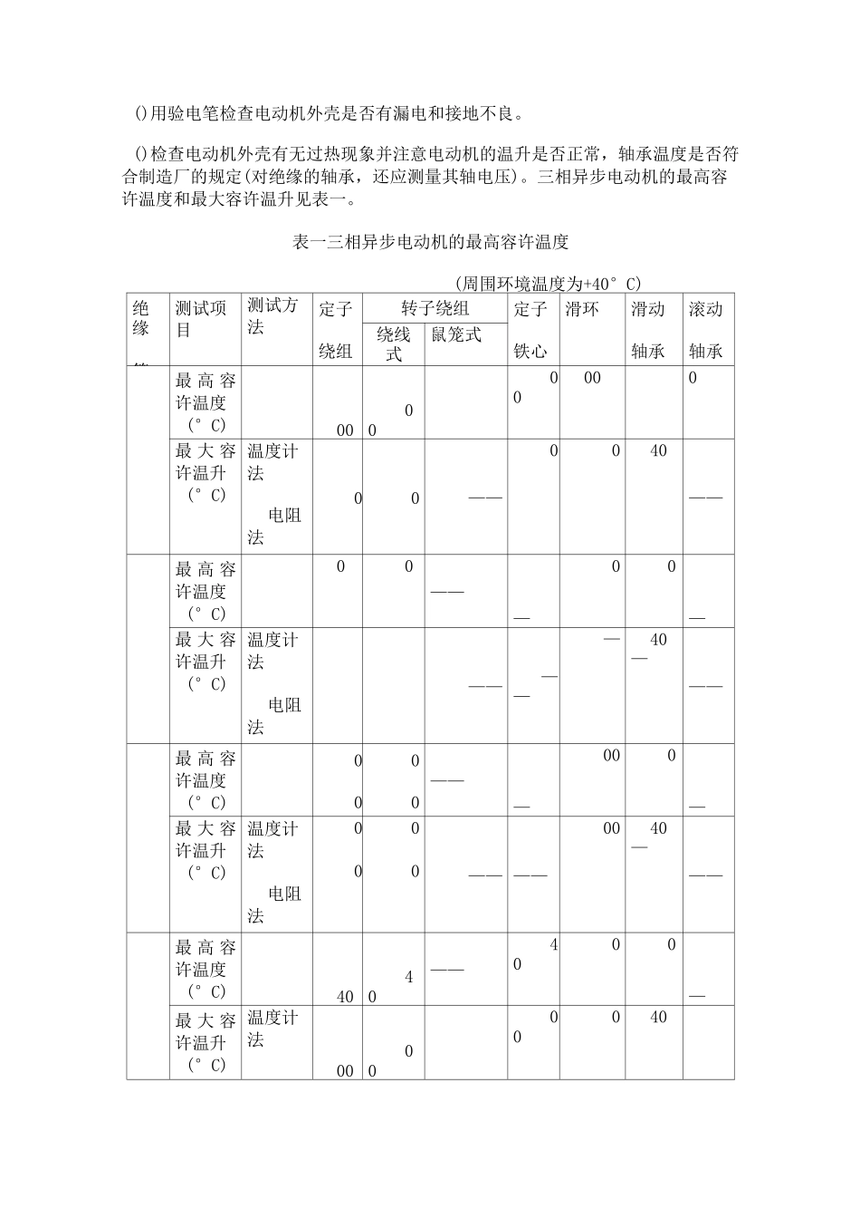
机电设备安装试运行异常现象分析与对策在工程机电设备安装施工完成之后,通常要对电动机及其所带的机械作单机起动调试。调试运行设备是在施工单位人员的操作下,按照正式生产或使用的条件和要求进行较长时间的工作运转,与项目设计的要求进行对比。目的是考验设备设计、制造和安装调试的质量,验证设备连续工作的可靠性,对设备性能作一次检测,并将检测的数据与设备制造出厂记录的数据进行比较,对设备工程的质量作出评价。在实际工作中设备的试运行住住会碰到意想不到的异常现象,使电动机起动失败而跳闸,较大容量的电动机机会便多一些。为了便于事后分析,在电机起动之前,我们就应做好事前准备工作(尤其是大型电动机更需要重视),并对检查的结果加以分析。、电动机起动前的检查与试运行检查.启动前的检查()新安装的或停用三个月以上的电动机,用兆欧表测量电动机各项绕组之间及每项绕组与地(机壳)之间的绝缘电阻,测试前应拆除电动机出线端子上的所有外部接线。通常对5以下的电动机用5兆欧表测量,对5电动机用兆欧表测量其绝缘电阻,按要求,电动机每工作电压,绝缘电阻不得低于兆欧,电压在伏以下、容量为了千瓦及以下的电动机,其绝缘电阻应不低于兆欧。如绝缘电阻较低,则应先将电动机进行烘干处理,然后再测绝缘电阻,合格后才可通电使用。()检查二次回路接线是否正确,二次回路接线检查可以在未接电动机情况下先模拟动作一次,确认各环节动作无误,包括信号灯显示正确与否。检查电动机引出线的连接是否正确,相序和旋转方向是否符合要求,接地或接零是否良好,导线截面积是否符合要求。()检查电动机内部有无杂物,用干燥、清洁的的压缩空气吹净内部可使用吹风机或手风箱等来吹,但不能碰坏绕组。()检查电动机铭牌所示电压、频率与所接电源电压、频率是否相符,电源电压是否稳定(通常允许电源电压波动范围为±5%),接法是否与铭牌所示相同。如果是降压起动,还要检查起动设备的接线是否正确。(5)检查电动机紧固螺栓是否松动,轴承是否缺油,定子与转子的间隙是否合理,间隙处是否清洁和有无杂物。检查机组周围有无妨碍运行的杂物,电动机和所传动机械的基础是否牢固。()检查保护电器(断路器、熔断器、交流接触器、热继电器等)整定值是否合适。动、静触头接触是否良好。检查控制装置的容量是否合适,熔体是否完好,规格、容量是否符合要求和装接是否牢固。。()电刷与换向器或滑环接触是否良好,电刷压力是否符合制造厂的规定。()检查启动设备是否完好,接线是否正确,规格是否符合电动机要求。用手扳动电动机转子和所传动机械的转轴(如水泵、风机等),检查转动是否灵活,有无卡涩、摩擦和扫膛现象。确认安装良好,转动无碍。()检查传动装置是否符合要求。传动带松紧是否适度,联轴器连接是否完好。()检查电动机的通风系统、冷却系统和润滑系统是否正常。观察是否有泄漏印痕,转动电动机转轴,看转动是否灵活,有无摩擦声或其它异声。()检查电动机外壳的接地或接零保护是否可靠和符合要求。.电动机试运行过程中检查。..启动时检查()电动机在通电试运行时必须提醒在场人员注意,传动部分附近不应有其它人员站立,也不应站在电动机及被拖动设备的两侧,以免旋转物切向飞出造成伤害事故。()接通电源之前就应作好切断电源的准备,以防万一接通电源后电动机出现不正常的情况时(如电动机不能启动、启动缓慢、出现异常声音等)能立即切断电源。使用直接启动方式的电动机应空载启动。由于启动电流大,拉合闸动作应迅速果断。()一台电动机的连续启动次数不宜超过次,以防止启动设备和电动机过热。尤其是电动机功率较大时要随时注意电动机的温升情况。()电动机启动后不转或转动不正常或有异常声音时,应迅速停机检查。()使用三角启动器和自耦减压器时,软启动器或变频启动时必须遵守操作程序。..试运行时检查()检查电动机转动是否灵活或有杂音。注意电动机的旋转方向与要求的旋转方向是否相符。()检查电源电压是否正常。对于异步电动机,电源电压不宜高于,也不能低于。()记录起动时母线电压、起动时间和电动机空载电流。注意电流不...

1、当您付费下载文档后,您只拥有了使用权限,并不意味着购买了版权,文档只能用于自身使用,不得用于其他商业用途(如 [转卖]进行直接盈利或[编辑后售卖]进行间接盈利)。
2、本站所有内容均由合作方或网友上传,本站不对文档的完整性、权威性及其观点立场正确性做任何保证或承诺!文档内容仅供研究参考,付费前请自行鉴别。
3、如文档内容存在违规,或者侵犯商业秘密、侵犯著作权等,请点击“违规举报”。

碎片内容

电机试车要求

您可能关注的文档

确认删除?
VIP
微信客服
  • 扫码咨询
会员Q群
  • 会员专属群点击这里加入QQ群
客服邮箱
回到顶部