电脑桌面
添加小米粒文库到电脑桌面
安装后可以在桌面快捷访问

高考化学压轴题专题复习—化学反应速率与化学平衡的综合含详细答案_百 ...VIP免费

高考化学压轴题专题复习—化学反应速率与化学平衡的综合含详细答案_百 ..._第1页
1/20
高考化学压轴题专题复习—化学反应速率与化学平衡的综合含详细答案_百 ..._第2页
2/20
高考化学压轴题专题复习—化学反应速率与化学平衡的综合含详细答案_百 ..._第3页
3/20
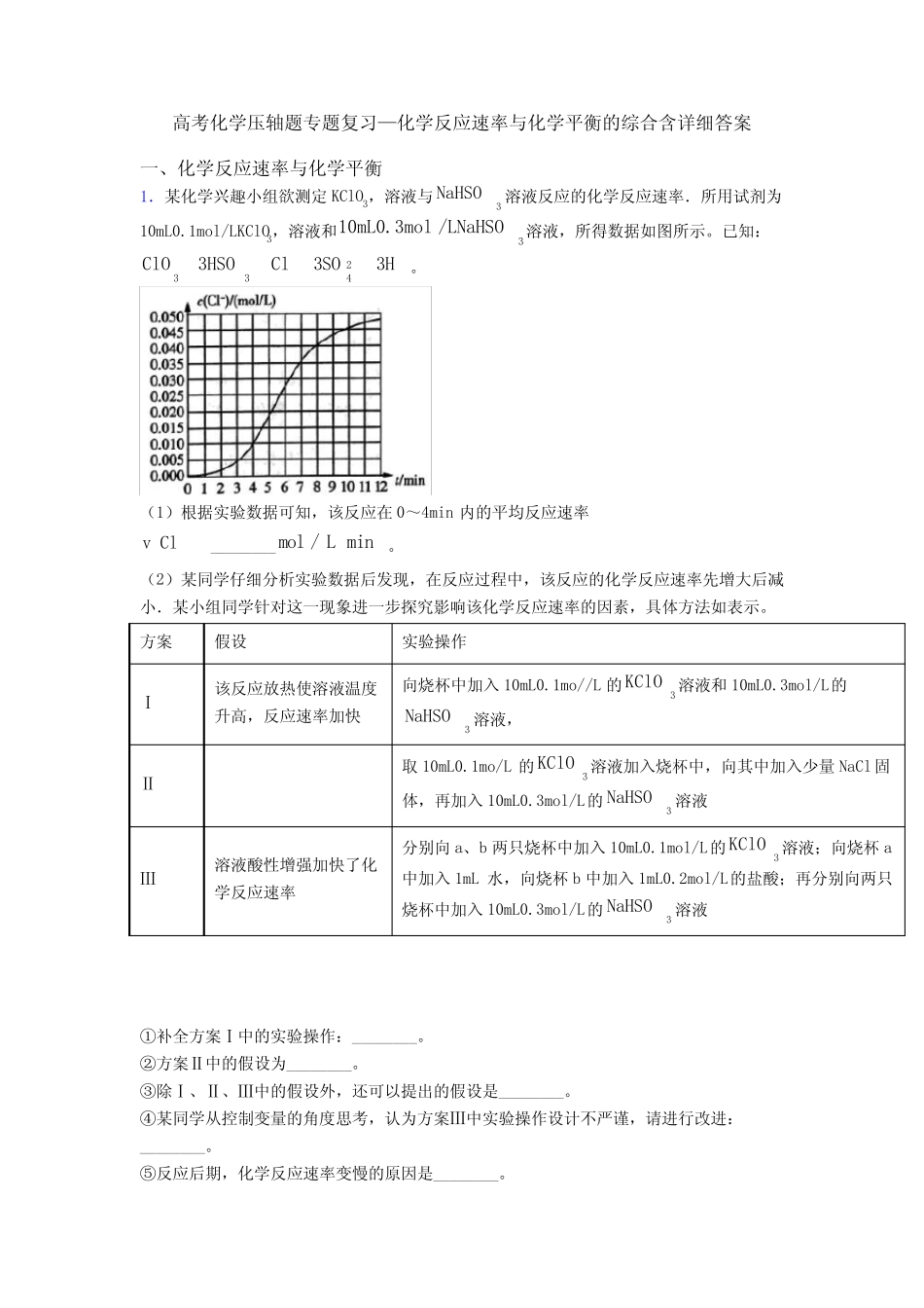
高考化学压轴题专题复习—化学反应速率与化学平衡的综合含详细答案一、化学反应速率与化学平衡1.某化学兴趣小组欲测定KClO3,溶液与3NaHSO溶液反应的化学反应速率.所用试剂为10mL0.1mol/LKClO3,溶液和310mL0.3mol/LNaHSO溶液,所得数据如图所示。已知:2334ClO3HSOCl3SO3H。(1)根据实验数据可知,该反应在0~4min内的平均反应速率Clv________mol/Lmin。(2)某同学仔细分析实验数据后发现,在反应过程中,该反应的化学反应速率先增大后减小.某小组同学针对这一现象进一步探究影响该化学反应速率的因素,具体方法如表示。方案假设实验操作Ⅰ该反应放热使溶液温度升高,反应速率加快向烧杯中加入10mL0.1mo//L的3KClO溶液和10mL0.3mol/L的3NaHSO溶液,Ⅱ取10mL0.1mo/L的3KClO溶液加入烧杯中,向其中加入少量NaCl固体,再加入10mL0.3mol/L的3NaHSO溶液Ⅲ溶液酸性增强加快了化学反应速率分别向a、b两只烧杯中加入10mL0.1mol/L的3KClO溶液;向烧杯a中加入1mL水,向烧杯b中加入1mL0.2mol/L的盐酸;再分别向两只烧杯中加入10mL0.3mol/L的3NaHSO溶液①补全方案Ⅰ中的实验操作:________。②方案Ⅱ中的假设为________。③除Ⅰ、Ⅱ、Ⅲ中的假设外,还可以提出的假设是________。④某同学从控制变量的角度思考,认为方案Ⅲ中实验操作设计不严谨,请进行改进:________。⑤反应后期,化学反应速率变慢的原因是________。【答案】0.0025插入温度计生成的Cl加快了化学反应速率生成的24SO加快了化学反应速率将1mL水改为1mL0.2mol/L的NaCl溶液反应物浓度降低【解析】【分析】【详解】(1)根据实验数据可知,该反应在0~4min内生成氯离子的浓度是0.010mol/L,所以平均反应速率Cl0.010mol/L4min0.0025mol/Lminc;(2)①由于是假设该反应放热,使溶液温度升高,反应速率加快,因此需要测量反应过程中溶液温度的变化;②方案I、Ⅱ相比较,Ⅱ中加入了少量氯化钠,所以方案Ⅱ中的假设为生成的Cl加快了化学反应速率;③由于反应中还有硫酸根离子生成,则除I、Ⅱ、Ⅲ中的假设外,还可以提出的假设是生成的硫酸根离子加快了化学反应速率;④为防止氯离子对实验的干扰,则改进措施是将1mL水改为1mL0.2mol/L的NaCl溶液;⑤反应后期反应物浓度减小,因此化学反应速率变慢。【点睛】对于多因素(多变量)的问题,常常采用控制因素(变量)的方法,把多因素的问题变成多个单因素的问题。每一次只改变其中的某一个因素,而控制其余几个因素不变,从而研究被改变的这个因素对事物的影响,分别加以研究,最后再综合解决,这种方法叫控制变量法。它是科学探究中的重要思想方法,广泛地运用在各种科学探索和科学实验研究之中。2.锂离子电池能够实现千余次充放电,但长时间使用后电池会失效,其中的化学试剂排放至环境中不仅会造成环境污染,还会造成资源的浪费。实验室模拟回收锂离子电池中的Co、Ni、Li的流程如图。已知:LiCoO2难溶于水,易溶于酸。回答下列问题:(1)LiCoO2中Co的化合价是__。(2)LiCoO2在浸出过程中反应的离子方程式是__。(3)浸出剂除了H2O2外,也可以选择Na2S2O3,比较二者的还原效率H2O2__(填“>”或“<”)Na2S2O3(还原效率:还原等物质的量的氧化剂消耗还原剂的物质的量)。(4)提高浸出效率的方法有__。(5)利用Cyanex272萃取时,pH对钴、镍萃取分离效果的影响如图。从图中数据可知,用Cyanex272萃取分离时,最佳pH是__。(6)反萃取的离子方程式为2H++CoR2=Co2++2HR,则反萃取剂的最佳选择是__。(7)常温下,若水相中的Ni2+的质量浓度为1.18g·L-1,则pH=__时,Ni2+开始沉淀。[Ksp(Ni(OH)2=2×10-15](8)参照题中流程图的表达,结合信息设计完成从水相中分离Ni和Li的实验流程图(如图)___。已知:提供的无机试剂:NaOH、Na2CO3、NaF。【答案】+32LiCoO2+6H++H2O2=2Co2++O2↑+2Li++4H2O<适当升高温度,适当增加H2SO4浓度5.5H2SO47.5①NaOH②Ni(OH)2③NaF【解析】【分析】(1)通过化合物中各元素化合价代数和为0进行计算;(2)由流程图中有机相反萃取得到CoSO4,可知LiCoO2与H2O2在酸性条件下发生氧化还原反应,根据氧化还...

1、当您付费下载文档后,您只拥有了使用权限,并不意味着购买了版权,文档只能用于自身使用,不得用于其他商业用途(如 [转卖]进行直接盈利或[编辑后售卖]进行间接盈利)。
2、本站所有内容均由合作方或网友上传,本站不对文档的完整性、权威性及其观点立场正确性做任何保证或承诺!文档内容仅供研究参考,付费前请自行鉴别。
3、如文档内容存在违规,或者侵犯商业秘密、侵犯著作权等,请点击“违规举报”。

碎片内容

高考化学压轴题专题复习—化学反应速率与化学平衡的综合含详细答案_百 ...

您可能关注的文档

文达天下+ 关注
实名认证
内容提供者

各类试题、文摘、指南、行业规范

确认删除?
VIP
微信客服
  • 扫码咨询
会员Q群
  • 会员专属群点击这里加入QQ群
客服邮箱
回到顶部