电脑桌面
添加小米粒文库到电脑桌面
安装后可以在桌面快捷访问

手术室护理操作常规VIP专享VIP免费

手术室护理操作常规_第1页
1/10
手术室护理操作常规_第2页
2/10
手术室护理操作常规_第3页
3/10
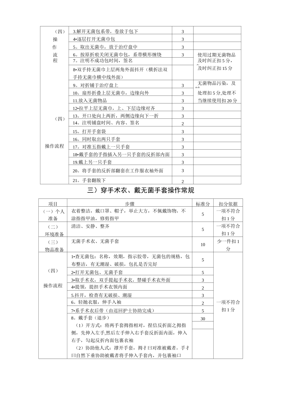
无菌技术操作常规(一)无菌持物钳及无菌容器的使用、取无菌溶液项目步骤标准分扣分依据(一)个人准备服装鞋帽整洁,洗手,戴口罩,仪表大方,举止端庄5一项不符合扣2分(二)环境准备操作台宽阔,清洁,干燥,手术间光线明亮5一项不符合扣1分(三)物品准备有盖的无菌干燥罐内放置无菌持物钳,无菌容器内放无菌碗,无菌溶液,棉签,碘伏溶液,弯盘,纸,毛,开瓶器,纱布10少1件扣1分(四)操作流程1。检查无菌物品灭菌效果及有效期32•检查无菌容器密封性及内装物品名称33。检查无菌溶液,名称、剂量、浓度、有效期34•检查瓶盖有无松动,瓶身有无裂痕,溶液有无沉淀、浑浊、变质、变色35•打开无菌罐的上半盖2使用过期无菌物品及时纠正扣5分,未及时纠正扣15分6。钳端闭合,垂直取出47•打开无菌容器盖,无菌面向上28。取出无菌物品59。盖好容器盖2无蓖物品污染,及时处理扣5分,处理不当继续使用扣20分10。钳端闭合,垂直放入无菌罐内411O盖好罐盖212.取出无菌容器5小跨越扣5分,大跨越扣10分13o撬开铝盖,打开瓶塞214o手持溶液瓶,瓶签向手心315o旋转冲洗瓶口416o由冲洗处倒出溶液417o塞进瓶塞,自瓶口分别是向上、向下消毒瓶塞上翻部分和瓶口418。盖好瓶塞219o注明开瓶日期和时间3二)打开无菌包、铺无菌盘、戴无菌手套项目步骤标准分扣分依据(一)个人准备服装鞋帽整洁,洗手,戴口罩,仪表大方,举止端庄5一项不符扣2分(二)环境准备操作台宽阔、清洁、干燥,手术间光线明亮5一项不符扣1分(三)物品准备无菌持物钳、无菌包(内放治疗巾)、无菌物品、治疗盘、无菌手套、弯盘、纸、笔10少一件扣1分1•检查无菌包名称、有效期、包布是否完好,有无潮湿或破损32•检查无菌手套有效期及手套尺码3(四)3.解开无菌包系带,卷放于包下3操4•逐层打开无菌巾包3作5。取出无菌巾,放于治疗盘中3流6。按原折痕关闭无菌巾包,系带横形缠绕3使用过期无菌物品程7。注明不成功包时间,签名及时纠正扣5分,未8•双手持无菌巾上层两角外面抖开(横折法双手持无菌巾横中线外面)及时纠正扣15分9。对折铺于治疗盘上3无菌物品污染,及时10。扇形折叠上层无菌巾,边缘向外3处理扣5分,处理不11.放入无菌物品3当继续使用扣20分12•拉平上层无菌巾,上、下层边缘对齐3(四)13。开口处向上两折,两侧边缘向下一折314。注明铺盘时间、内容、签名2操作流程15。打开手套袋316。同时取出两只手套317。对准五指戴上一只手套318•戴手套的手指插入另一只手套的反折部内面319.戴上另一只手套320。将手套的反折部翻套在工作服衣袖外面321。手套翻脱下2三)穿手术衣、戴无菌手套操作常规项目步骤标准分扣分依据(一)个人准备衣着整洁,戴口罩、帽子,举止大方,不佩戴饰物,不涂指指甲油,修剪指甲5一项不符合扣1分(二)环境准备清洁、安静、整齐5一项不符合扣1分(三)物品准备无菌手术衣、无菌手套10少一件扣1分(四)操作流程1•查无菌包:名称,效期,指示胶带,无菌包的规格,包布整洁,有无潮湿、破损,包扎是否完好5一项不符合扣1分2•打开无菌包、无菌手套53•取手术衣,双手提起手术衣,禁碰手术衣外面34•提领,提担手术衣领内面25.抖开,检查有无破损、潮湿36。轻抛衣服,伸手入袖27•系手术衣后带(由巡回护士协助完成)58。戴手套(退步)(1)开方式:将两手套拇指相对,捏信反折面之拇指侧,先伸入左手,然后左手伸入右手套反折面内面,伸入右手,勾起反折内面包裹衣袖(2)协助他人式:撑开手套,拇扌曰对准被戴者,手扌曰自然下垂协助被戴者将手伸入手套内,并包裹袖口30外科洗手操作常规项目步骤标准分扣分依据(一)个人准备衣着整洁,戴嘀口罩、帽子,举止大方,不佩戴饰物,不涂指甲油,修剪指甲5一项不符合扣1分(二)环境准备清洁、安静、整齐5一项不符合扣1分(三)物品准备擦手巾(检查效期、打开盖),洗手刷(检查效期),碘伏纱布(洗手液),肥皂、看钟3232少一件扣0。5分(四)操作流程1•初步洗手:用洁肤柔洗手液初洗至肘上10cm,冲净洗手液(指尖向上冲水,肘关节取低52。取洗手刷:压5ml于手刷毛面,操作限于胸刖13•刷手:分三节段、双手交替进行(顺序:指尖一指沟一指...

1、当您付费下载文档后,您只拥有了使用权限,并不意味着购买了版权,文档只能用于自身使用,不得用于其他商业用途(如 [转卖]进行直接盈利或[编辑后售卖]进行间接盈利)。
2、本站所有内容均由合作方或网友上传,本站不对文档的完整性、权威性及其观点立场正确性做任何保证或承诺!文档内容仅供研究参考,付费前请自行鉴别。
3、如文档内容存在违规,或者侵犯商业秘密、侵犯著作权等,请点击“违规举报”。

碎片内容

手术室护理操作常规

确认删除?
VIP
微信客服
  • 扫码咨询
会员Q群
  • 会员专属群点击这里加入QQ群
客服邮箱
回到顶部