电脑桌面
添加小米粒文库到电脑桌面
安装后可以在桌面快捷访问

风机参数的测定VIP专享VIP免费

风机参数的测定_第1页
1/8
风机参数的测定_第2页
2/8
风机参数的测定_第3页
3/8
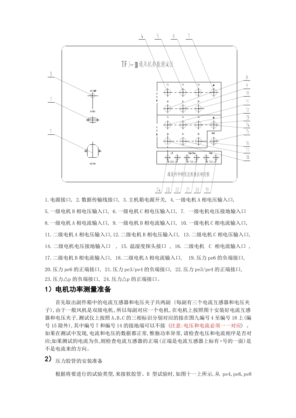
风机参数的测定实验报告1、系部:安全工程系2、实验名称:风机参数的测定3、实验室:矿井通风实验室(模型室)4、科目:5、实验时间:6、班级:7、学生姓名:8、学生学号:9、实验的目的:掌握扇风机特性测定方法,通过测定加深理解扇风机风量和风压、功率与效率的关系,对风机进行检定。10、实验器材及使用注意事项实验器材:5.5KW轴流式风机、风筒、调节闸门、皮托管、U形压差计、单管压差计、电度表(或功率表、或电压表、电流表与功率因数表)、秒表、空盒气压计、湿度计、胶皮管、酒精、皮尺、转速计(本实验不测风机转速)。注意事项:1)数值仪器的各参数,正确掌握仪器的接线,严禁接错线。2)机械风表使用中避免掉落、磕碰3)选择与实际风流相适应的分表4)运表过程要匀速11、实验原理:本仪器采用各种传感器采集相应的数据,汇总后通过串口输入计算机,由计算机上安装好的风机检测软件进行时时检测。如图一:温湿度传感器主机箱计算机大气压力传感器电功率测试仪1压力传感器电功率测试仪2图一原理图12、实验内容(重点说明)功率测定接线图1.电源接口,2.数据传输线接口,3.主机箱电源开关,4.一级电机A相电压输入口,5.一级电机B相电压输入口,6.一级电机C相电压输入口,7.一级电机电压接地输入口8.一级电机A相电流输入口,9.一级电机B相电流输入口,10.一级电机C相电流输入口,11.二级电机A相电压输入口,12.二级电机B相电压输入口,13.二级电机C相电压输入口,14.二级电机电压接地输入口,15.温湿度探头接口,16.二级电机C相电流输入口,17.二级电机B相电流输入口,18.二级电机A相电流输入口,19.压力pe6的负端接口,20.压力pe6的正端接口,21.压力pe3/pe4的负端接口,22.压力pe3/pe4的正端接口,23.压力△p的负端接口,24.压力△p的正端接口。1)电机功率测量准备首先取出副件箱中的电流互感器和电压夹子共两副(每副有三个电流互感器和电压夹子),由于一般风机是双级电机,所以每副对应一个电机,在电机上按照图十安装好电流互感器和电压夹子,测试仪上按照A、B、C的三相标识分别对应的接在图九编号4至编号18上(编号15除外),其中编号7和编号14的接地端可以不接(注意:电压和电流必须一一对应)。如果在测试中发现,电流和电压的数据都正常,惟独功率异常,请检查电压和电流相序是否对应;如果测试的电流为负,则检查电流互感器的正端(正端是电流互感器上标有+号的一面)是不是电流来的方向。2)压力胶管的安装准备根据将要进行的试验类型,来接软胶管。B型试验时,如图十一上所示,从pe4,pe6,pe8处接出三根软胶管;pe8接到图九编号23(压力△p的负端接口)上;pe4接到图九编号22(压力pe3/pe4的正端接口)上;pe6先接到一个三通上,分出两根后,一根接在图九编号20(压力pe6的正端接口)上,一根接在图九编号24(压力△p的正端接口)上。C型试验时,如图十二上所示,从pe3和△p处接出两根软胶管;△p接到图九编号23(压力△p的负端接口)上;pe3接到图九编号21(压力pe3/pe4的正端接口)上。D型试验时,如图十三上所示,从△p,pe3,pe4处接出三根软胶管;△p接到图九编号23(压力△p的负端接口)上;pe3接到图九编号22(压力pe3/pe4的负端接口)上;pe4接到图九编号20(压力pe6的正端接口)上。图十一B型试验图十二C型试验图十三D型试验3)程序使用步骤点击程序执行文件后,进入主界面,如果是第一次使用或者是重新安装程序后的第一次使用,首先是进入第一步,否则可以跳过。第一步:首先选择菜单→参数设置→通道参数设置,如图13;此时弹出一个对话框(如图14),点击“自动搜索”,此时程序自动查找串口号(注意:测试仪电源是打开状态,数据连接线RS485转USB驱动已经安装,否则无法自动查找到正确的串口),最后点击“OK”键退出。图13图14第二步:在动态测试界面的上方选择好本次试验的试验装置类型和试验装置流量测量方法,如图15被红先圈起的部分就是需要选择的地方。图15第三步:开始试验前,需要首先填写静态测试页面,点击图16中红线圈起的部分,进入静态测试页面;图16静态数据中如图17和图18需要按实际正确的填写,这些数据和测试结果的关系非常重要;图17图18静态数据页里面有些前面有选择框,当打上钩时(如图19),动态数据页里面对应部分显示的就是输入框...

1、当您付费下载文档后,您只拥有了使用权限,并不意味着购买了版权,文档只能用于自身使用,不得用于其他商业用途(如 [转卖]进行直接盈利或[编辑后售卖]进行间接盈利)。
2、本站所有内容均由合作方或网友上传,本站不对文档的完整性、权威性及其观点立场正确性做任何保证或承诺!文档内容仅供研究参考,付费前请自行鉴别。
3、如文档内容存在违规,或者侵犯商业秘密、侵犯著作权等,请点击“违规举报”。

碎片内容

风机参数的测定

爱的疯狂+ 关注
实名认证
内容提供者

该用户很懒,什么也没介绍

确认删除?
VIP
微信客服
  • 扫码咨询
会员Q群
  • 会员专属群点击这里加入QQ群
客服邮箱
回到顶部