电脑桌面
添加小米粒文库到电脑桌面
安装后可以在桌面快捷访问

含容电路分析教案--潘伟VIP专享VIP免费

含容电路分析教案--潘伟_第1页
1/2
含容电路分析教案--潘伟_第2页
2/2
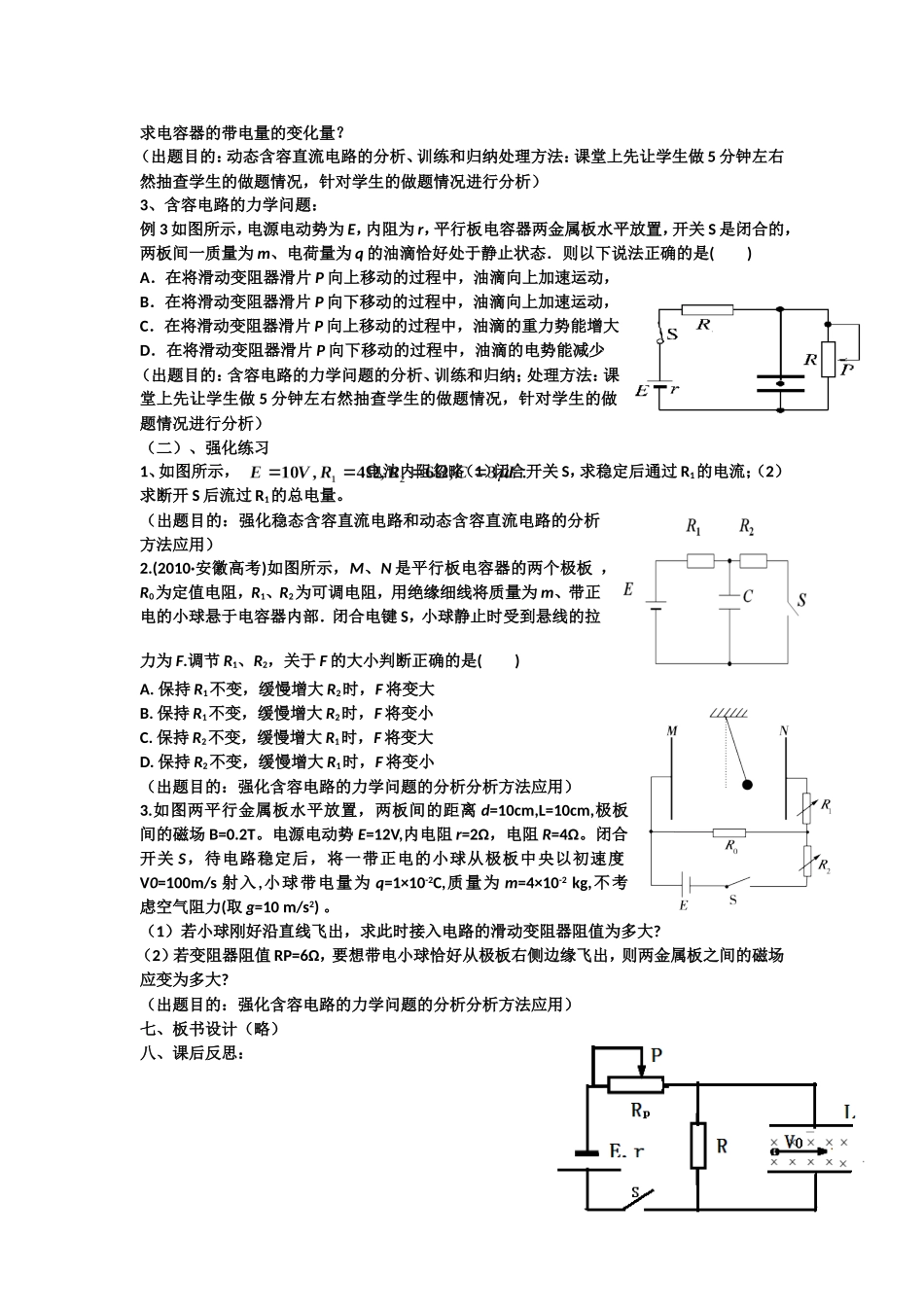
含容电路的分析(高三一轮复习)潘伟2015.12.14一、教学目标:通过三个例题引导学生分析三种常考含容器电路的特点,掌握其分析方法,从而提高学生处理此类问题的能力,在高考中获得更好的成绩。二、教学重难点:教学重点:含容电路的分析方法教学难点:含容电路的分析方法的应用三、教学方法:讲练结合、分析归纳等方法四、学法指导:通过例题的分析和归纳及整理是一轮分析的必经之路,做题固然重要,但没有归纳,就没有升华。指导学生学会对比,归纳的学习方法。五、课时安排:1课时六、教学过程:(一)、要点及例题1、稳态含容直流电路电容器处于稳定状态时,相当于一个阻值无限大的元件,可看作断路。此时:(1)电容器所在支路无电流,与电容器直接串联的电阻相当于一根阻值为零的导线。(2)电容器上的电压就是与电容器并联的那条支路两端的电压(这部分学生先由学生朗读,并引导学生勾画出重点字词和方法)例1:如图所示,电容器C1=6uF,C2=3uF.R1=6ΩR2=3Ω,U=18V。求:(1)当开关S处于断开状态,A、B两点的电压UAB、C1、C2两极板的电势差U1、U2各是多大?(2)当开关S处于闭合状态C1、C2两极板的电势差U1、U2各是多大?(出题目的:稳态含容直流电路的分析、训练和归纳,处理方法:课堂上先让学生做5分钟左右然抽查学生的做题情况,针对学生的做题情况进行分析)2、动态含容直流电路在电路中,当电容器两端的电压稳定时,电容器处于断路状态,当电容器两端电压增大时,电容器会充电,会形成充电电流;当电容器两端电压降低时,电容器会放电,会形成放电电流。对于这类问题,只要抓住初末两稳定状态电容器极板间的电压的变化情况,根据ΔQ=C·ΔU来分析即可(这部分学生先由学生朗读,并引导学生勾画出重点字词和方法及推导ΔQ=C·ΔU)例2:(1)、如图所示电路,电源内阻不能忽略,当滑动变阻器的滑片向b端滑动时,则()A.电容器两极板的电压增大B.电容器两极板的电压减小C.电容器的带电量增大D.电容器的带电量减少(2)电容器C=6uF,滑动变阻器R=810Ω,电源电动势E=18V,内阻r=1Ω,当滑动变阻器的滑片由a端滑动到离b端的距离为滑动变阻器总长的1/4处时,求电容器的带电量的变化量?(出题目的:动态含容直流电路的分析、训练和归纳处理方法:课堂上先让学生做5分钟左右然抽查学生的做题情况,针对学生的做题情况进行分析)3、含容电路的力学问题:例3如图所示,电源电动势为E,内阻为r,平行板电容器两金属板水平放置,开关S是闭合的,两板间一质量为m、电荷量为q的油滴恰好处于静止状态.则以下说法正确的是()A.在将滑动变阻器滑片P向上移动的过程中,油滴向上加速运动,B.在将滑动变阻器滑片P向下移动的过程中,油滴向上加速运动,C.在将滑动变阻器滑片P向上移动的过程中,油滴的重力势能增大D.在将滑动变阻器滑片P向下移动的过程中,油滴的电势能减少(出题目的:含容电路的力学问题的分析、训练和归纳;处理方法:课堂上先让学生做5分钟左右然抽查学生的做题情况,针对学生的做题情况进行分析)(二)、强化练习1、如图所示,电池内阻忽略(1)闭合开关S,求稳定后通过R1的电流;(2)求断开S后流过R1的总电量。(出题目的:强化稳态含容直流电路和动态含容直流电路的分析方法应用)2.(2010·安徽高考)如图所示,M、N是平行板电容器的两个极板,R0为定值电阻,R1、R2为可调电阻,用绝缘细线将质量为m、带正电的小球悬于电容器内部.闭合电键S,小球静止时受到悬线的拉力为F.调节R1、R2,关于F的大小判断正确的是()A.保持R1不变,缓慢增大R2时,F将变大B.保持R1不变,缓慢增大R2时,F将变小C.保持R2不变,缓慢增大R1时,F将变大D.保持R2不变,缓慢增大R1时,F将变小(出题目的:强化含容电路的力学问题的分析分析方法应用)3.如图两平行金属板水平放置,两板间的距离d=10cm,L=10cm,极板间的磁场B=0.2T。电源电动势E=12V,内电阻r=2Ω,电阻R=4Ω。闭合开关S,待电路稳定后,将一带正电的小球从极板中央以初速度V0=100m/s射入,小球带电量为q=1×10-2C,质量为m=4×10-2kg,不考虑空气阻力(取g=10m/s2)。(1)若小球刚好沿直线飞出,求此时接入电路的滑动变阻器阻...

1、当您付费下载文档后,您只拥有了使用权限,并不意味着购买了版权,文档只能用于自身使用,不得用于其他商业用途(如 [转卖]进行直接盈利或[编辑后售卖]进行间接盈利)。
2、本站所有内容均由合作方或网友上传,本站不对文档的完整性、权威性及其观点立场正确性做任何保证或承诺!文档内容仅供研究参考,付费前请自行鉴别。
3、如文档内容存在违规,或者侵犯商业秘密、侵犯著作权等,请点击“违规举报”。

碎片内容

含容电路分析教案--潘伟

您可能关注的文档

确认删除?
VIP
微信客服
  • 扫码咨询
会员Q群
  • 会员专属群点击这里加入QQ群
客服邮箱
回到顶部