电脑桌面
添加小米粒文库到电脑桌面
安装后可以在桌面快捷访问

质量保证体系文字说明VIP免费

质量保证体系文字说明_第1页
1/8
质量保证体系文字说明_第2页
2/8
质量保证体系文字说明_第3页
3/8
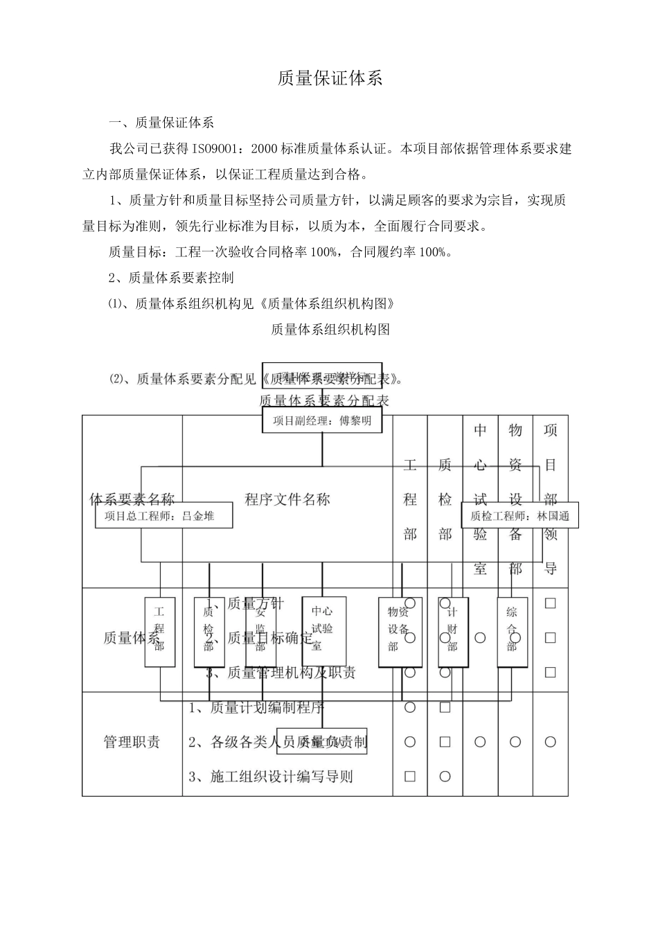
质量保证体系一、质量保证体系我公司已获得ISO9OO1:2000标准质量体系认证。本项目部依据管理体系要求建立内部质量保证体系,以保证工程质量达到合格。1、质量方针和质量目标坚持公司质量方针,以满足顾客的要求为宗旨,实现质量目标为准则,领先行业标准为目标,以质为本,全面履行合同要求。质量目标:工程一次验收合同格率100%,合同履约率100%。2、质量体系要素控制⑴、质量体系组织机构见《质量体系组织机构图》质量体系组织机构图LU冈一材料、半成品到场并合格,一标,根据质量计划,建立健全质量纟机织机备运转正组织制全面履行项目工程质量管理、责角质量要程质量负责规主持项目工程的质量策划,参与质量审核,组织落实实改进措施,并督促实施。加强组织质量管理的知量第一”的思,主持QC小组活动。坚持⑵、总工,广泛开展创优工制定施工作业指导书,并组织施资源管理1、物质米购控制程序2、合格分承包方控制程序3、顾客对分承包方验证程序OO□OOOOO□□OO产品实现1、施工准备控制程序2、施工过程控制程序3、关键和特殊工序控制程序4、施工机械设备管理控制5、产品标识及可追溯性□□□O□OOOOOOOOOOO□OO测量分析和改进1、检验和试验设备控制2、检验和试验控制程序3、内部质量审核控制程序4、纠正和预防控制措施5、工程回访控制措施OO□□O□□OO□OOOOOOO注:□主控O协控⑶、质量控制程序见《质量控制程序框图》。质量控制程序框图申请、开工3、质量责任制度⑴、项目爼理、项目副经理认真贯彻量保证措施,、督促项目部全体施工人员贯彻实施。业务培训,持证上岗对施工过程连续监控,及时反馈在项目经理领导下,贯彻实施质量方针和目标,严格制订项目工程施工技术和质量检验,组织制定项目质量保证措施,认真加强施工管理,并对其工作质量负责。主持编制项目工程实施性施工组织设计,明确质量保证要求。组织推广和应用“四新”技术,主持关键工序交底和人员培训,编写有关成果报告和施工技术总结。监督、检查采购物资的检验以及设备的控制,主持对不合格品的评审和处置。推广采用统计技术,加强文件和资料的控制,建立质量记录。制定和实施纠正措施与预防措施,严格把好“图纸、测量和试验”关。⑶、质检工程师认真执行上级颁布的技术规范、规则和规程,落实工程质量保证措施,对分管项目的质量负责。应用统计技术,做好本岗位质量记录的收集、整理、填报、归档工作,确保技术文件的质量,并对新技术新工艺文件和资料的有效性、真实性负责。参与施工过程的技术管理工作和不合格工程的评审与处置。参与工程竣工交付,提供有关竣工文件和资料。认真学习质量管理知识,带头参与QC小组活动。准确、及时地编制施工生产计划及统计表。深入实际调查研究,掌握第一手材料,建立台帐,保证工作质量。参与合同评审和修定,充分理解合同的内容和要求,并及时传递到相关部门。⑷、工程部组织设计文件会审,全面掌握施工图、合同技术规范。根据合同要求,编制实施性施工组织设计,编制工序作业指导书。负责工程测量、量测、隐蔽工程的检查评定,配合设计、监理的工作。归口管理变更洽商,建立技术和质量管理日志,做好项目技术档案的管理工作。掌握项目各生产单位的工程进度情况,归纳分析影响进度的因素,并提出改进措施。组织重点技术问题攻关,负责技术交底,检查指导作业队的技术工作。⑸、质检部制定经理部及本部门的质量工作计划,并协助经理部领导组织实施。监督、检查各部门的质量目标执行情况和各部门质量职责履行情况,对质量管理具有一票否决权。对质量的可靠性和质量目标的实现负责。收集各种质量管理的合理化建议,及时反馈质量信息,协助领导分析质量状况。收集、保管质量档案,参与质量体系文件和资料的控制。参与不合格工程的分析和处置,做好记录,及时填报有关质量报表。组织开展质量管理培训工作,指导并参与QC小组活动。检测各种进场材料的物理、化学性能,对原材料可靠性负责。提供各种类混凝土和砂浆试件配合比,提供各种类检测参数和要求供施工操作时使用。监督、检查各工序作业情况,并作出各种检测报告。收集、保管各类检测资料,参与资料体系文件和资料的控制...

1、当您付费下载文档后,您只拥有了使用权限,并不意味着购买了版权,文档只能用于自身使用,不得用于其他商业用途(如 [转卖]进行直接盈利或[编辑后售卖]进行间接盈利)。
2、本站所有内容均由合作方或网友上传,本站不对文档的完整性、权威性及其观点立场正确性做任何保证或承诺!文档内容仅供研究参考,付费前请自行鉴别。
3、如文档内容存在违规,或者侵犯商业秘密、侵犯著作权等,请点击“违规举报”。

碎片内容

质量保证体系文字说明

您可能关注的文档

确认删除?
VIP
微信客服
  • 扫码咨询
会员Q群
  • 会员专属群点击这里加入QQ群
客服邮箱
回到顶部