电脑桌面
添加小米粒文库到电脑桌面
安装后可以在桌面快捷访问

地连墙的控制要点VIP免费

地连墙的控制要点_第1页
1/11
地连墙的控制要点_第2页
2/11
地连墙的控制要点_第3页
3/11
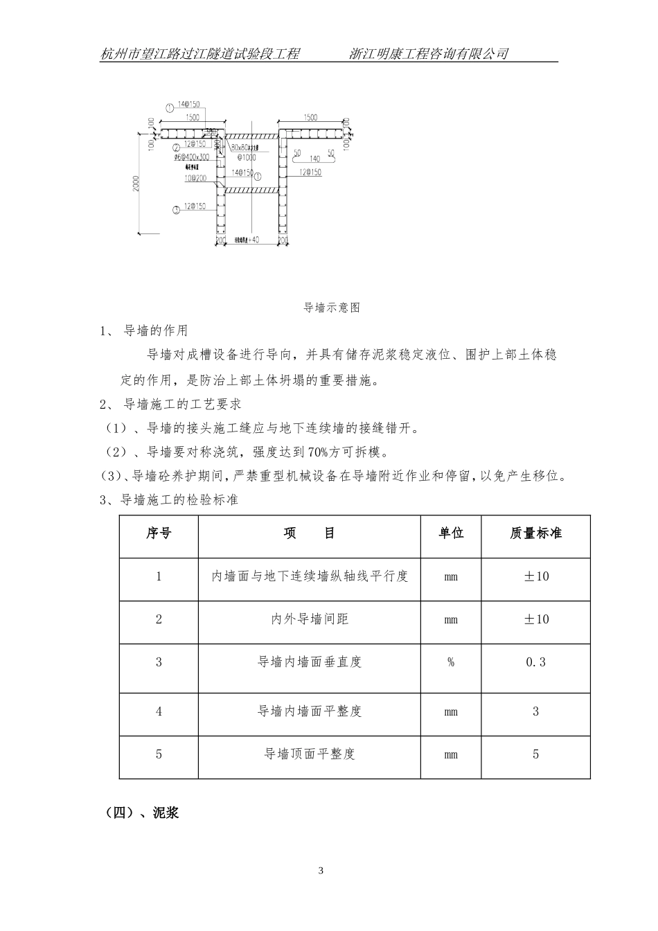
杭州市望江路过江隧道试验段工程浙江明康工程咨询有限公司地下连续墙施工控制要点一、地下连续墙的施工原理以专门的成槽设备,沿着深基础或者地下建筑物周边,在泥浆护壁的条件下开挖出具有一定宽度的沟槽。然后将事先制作的钢筋笼吊放如沟槽,用导管以水下灌注的方式浇筑完成一个单元槽。各单元槽之间以特制的接头进行连接,如此往复循环施工,形成一个连续不间断、具有良好强度的钢筋砼墙体。二、地下连续墙的特点(一)、优点1、工效高、工期短、质量可靠、经济效益高。2、施工时振动小,噪音低,适用于在城市施工。3、防渗性能好,辅以接缝处的止水处理,墙体几乎不透水。4、墙体刚度大,用于基坑开挖时,可承受很大的土压力,极少发生地基沉降或塌方事故,是深基坑支护工程优选的挡土结构。另由于刚度大,易于设置埋设件,很适合于逆做法施工,可作永久性结构使用。5、适用地基条件较为广泛。(二)、缺点1、城市施工时,废弃泥浆需外运。2、若仅仅作为临时当土结构,相对排桩等其他方法费用较高。3、相邻槽段间接缝,由于施工技术或地质条件等原因造成施工质量不易控制。4、由于是水下浇筑,墙面平整度较差。当两墙合一时,需对表面做进一步修整5、如遇软淤泥质土、高硬度岩石或障碍物时,施工难度大。需对土体进行加固或清障处理,对进度及投资控制影响较大。三、本工程地下连续墙概况本工程基坑分两期施工,共145m.一期工程基坑长约85m,其中东段56m采用800mm厚地下连续墙维护,另有29mTRD工法桩。其中左右线围护结构各11幅,墙厚800mm,墙深30m;东端封堵墙8幅,墙厚800mm,墙深30m,共计30幅。相邻幅之间以HN700*300型钢接缝,并在分幅外侧采用Φ800mm@600的三重管高压旋喷桩咬合止水,止水桩深度不小于基底以下3m。1杭州市望江路过江隧道试验段工程浙江明康工程咨询有限公司地下连续墙施工工艺注:其中红色字体是主要工序(一)、测量放线基于业主提供的导线及基准点,引出场内平面控制点及水准点。由此测设围护结构中线。(为保证围护结构施工不侵入主体结构界限,地连墙导墙中线一般需外放3~5cm,由施工单位自行考虑。)(二)、槽壁加固由于本工程位于原钱塘江漫滩,经围垦回填后,上部多为建筑垃圾等杂填土地质较为复杂,土质松散,均一性差。为此在导墙及成槽施工前,需对该层土体进行加固改良,以确保成槽质量。(三)、导墙施工2槽壁加固导墙施工槽壁机成槽抓土刷壁、清孔、验槽吊放钢筋笼浇注混凝土废浆外运泥浆系统泥浆制作砼供料落实钢筋笼制作测斜仪测斜碴土外运测量放线杭州市望江路过江隧道试验段工程浙江明康工程咨询有限公司导墙示意图1、导墙的作用导墙对成槽设备进行导向,并具有储存泥浆稳定液位、围护上部土体稳定的作用,是防治上部土体坍塌的重要措施。2、导墙施工的工艺要求(1)、导墙的接头施工缝应与地下连续墙的接缝错开。(2)、导墙要对称浇筑,强度达到70%方可拆模。(3)、导墙砼养护期间,严禁重型机械设备在导墙附近作业和停留,以免产生移位。3、导墙施工的检验标准序号项目单位质量标准1内墙面与地下连续墙纵轴线平行度mm±102内外导墙间距mm±103导墙内墙面垂直度%0.34导墙内墙面平整度mm35导墙顶面平整度mm5(四)、泥浆3杭州市望江路过江隧道试验段工程浙江明康工程咨询有限公司1、泥浆的功能(1)、在槽壁上形成不透水泥皮,防治槽壁坍塌。(2)、提高浆液比重,以便土渣随浆液一同排出。(3)、降低抓斗温度,减少磨损,起到冷却和润滑的作用。2、泥浆的配制与性能指标(1)、新泥浆的配制采用膨润土、纯碱、高浓度CMC(增黏剂)和自来水以一定配比通过清浆冲拌和混合搅拌拌合而成。新制泥浆搅拌后应静置24h后使用。土层类型膨润土(%)增黏剂CMC(%)纯碱Na2CO3(%)黏性土8~100~0.020~0.5砂性土10~120~0.050~0.5(2)、泥浆的性能指标泥浆配制、管理性能指标泥浆性能新配制循环泥浆废弃泥浆检验方法粘性土砂性土粘性土砂性土粘性土砂性土比重(g/cm3)1.04~1.051.06~1.08<1.10<1.15>1.25>1.35比重计粘度(s)20~2425~30<25<35>50>60漏斗计含砂率(%)<3<4<4<7>8>11洗砂瓶PH值8~98~9>8>8>14>14试纸泥浆配制池顶需搭设遮雨...

1、当您付费下载文档后,您只拥有了使用权限,并不意味着购买了版权,文档只能用于自身使用,不得用于其他商业用途(如 [转卖]进行直接盈利或[编辑后售卖]进行间接盈利)。
2、本站所有内容均由合作方或网友上传,本站不对文档的完整性、权威性及其观点立场正确性做任何保证或承诺!文档内容仅供研究参考,付费前请自行鉴别。
3、如文档内容存在违规,或者侵犯商业秘密、侵犯著作权等,请点击“违规举报”。

碎片内容

地连墙的控制要点

您可能关注的文档

确认删除?
VIP
微信客服
  • 扫码咨询
会员Q群
  • 会员专属群点击这里加入QQ群
客服邮箱
回到顶部