电脑桌面
添加小米粒文库到电脑桌面
安装后可以在桌面快捷访问

漆包线进厂检验规范VIP免费

漆包线进厂检验规范_第1页
1/7
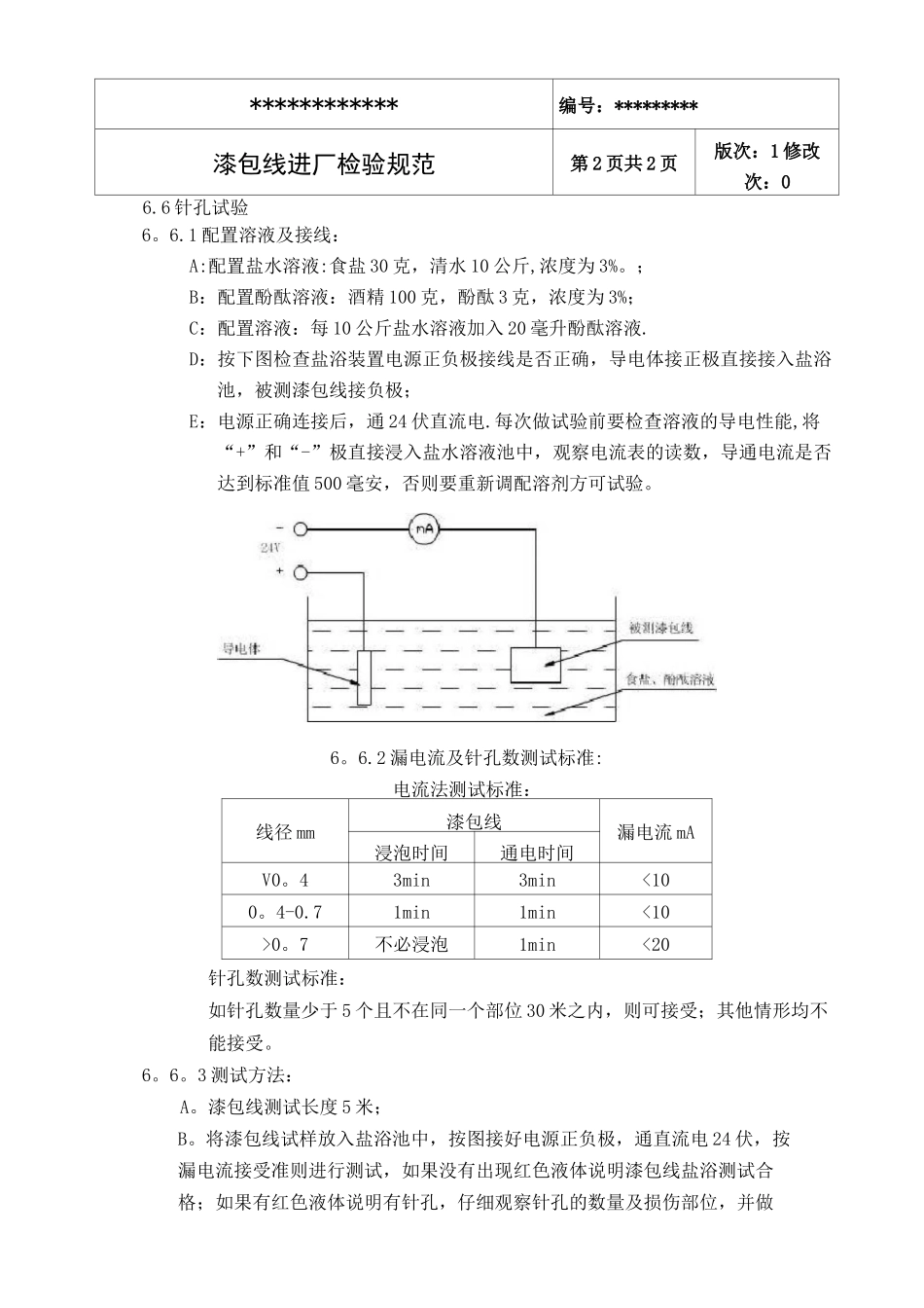
漆包线进厂检验规范_第2页
2/7
漆包线进厂检验规范_第3页
3/7
七*********编号:*********漆包线进厂检验规范第1页共2页版次:1修改次:01、适用范围:本规范适用于本公司漆包线进货检验;2、目的:防止不合格漆包线进厂;3、职责:外协检验员负责;4、检验设备:QDS-15KV漆包线耐压试验仪、QJ—44直流电阻电桥、针孔测试仪、扭绞仪、外径千分尺;5、检验方法:抽检;6、检验规范:6。1抽样标准:每批漆包线进厂时每种规格线径各抽一轮进行检验,如一种规格的漆包线有不同批号、时间生产的应分别抽检;6。2线径测量:用外径千分尺测量漆包线最大外径和漆膜厚度,其测量结果应附合表1《漆包线进厂验收标准参数表》的要求;6。3电阻值测试:取1米漆包线并在线两头刮净绝缘漆膜,将漆包线安装在漆包线电阻测量专用设备上,用QJ—44直流电阻电桥测量其电阻值,其测量结果应附合表1《漆包线进厂验收标准参数表》的要求;6.4耐电压试验:按照《QDS-15KW漆包线电压试验仪操作规程》的操作要求对漆包线进行耐电压试验,其测量结果应附合表1《漆包线进厂验收标准参数表》的要求;6.5剥离试验(适用于导体标称直径1。000mm以上):取长度约600mm的试样一根,将试样固定于扭绞仪的两端,夹具之间的试样长度为500mm,在固定夹具上挂上砝码,使试样受到张力.用刮刀将试样对称的两个侧面上的漆膜刮去露出导体,施加在刮刀的压力应能使试样漆膜刮除,得到一个清洁、光滑的表面,而又不宜刮去过多的导体,距离两端夹具10mm处的漆膜不应刮去转动仪器,按每分钟60〜100转的速度扭转试样,直到规定的转数。转数按下式求得:R=K/d式中R—试样扭绞数,取整数;d—试样标称直径,mm;K—常数,B级取130mm,F级取150mm。试样经受根据导体标称直径d计算的转数R扭转后,漆层应不失去附着性,若漆层脱离金属导线,则判定试样不合格。按下表中规定校正试样上的砝标称直径(mm)砝码N1KG~10N1。00VdW1。4025N1.40VdW1。8040N1。80VdW2.2460N************编号:*********漆包线进厂检验规范第2页共2页版次:1修改次:06.6针孔试验6。6.1配置溶液及接线:A:配置盐水溶液:食盐30克,清水10公斤,浓度为3%。;B:配置酚酞溶液:酒精100克,酚酞3克,浓度为3%;C:配置溶液:每10公斤盐水溶液加入20毫升酚酞溶液.D:按下图检查盐浴装置电源正负极接线是否正确,导电体接正极直接接入盐浴池,被测漆包线接负极;E:电源正确连接后,通24伏直流电.每次做试验前要检查溶液的导电性能,将“+”和“-”极直接浸入盐水溶液池中,观察电流表的读数,导通电流是否达到标准值500毫安,否则要重新调配溶剂方可试验。6。6.2漏电流及针孔数测试标准:电流法测试标准:线径mm漆包线漏电流mA浸泡时间通电时间V0。43min3min<100。4-0.71min1min<10>0。7不必浸泡1min<20针孔数测试标准:如针孔数量少于5个且不在同一个部位30米之内,则可接受;其他情形均不能接受。6。6。3测试方法:A。漆包线测试长度5米;B。将漆包线试样放入盐浴池中,按图接好电源正负极,通直流电24伏,按漏电流接受准则进行测试,如果没有出现红色液体说明漆包线盐浴测试合格;如果有红色液体说明有针孔,仔细观察针孔的数量及损伤部位,并做好记录;C.当电流法超标时,请采用针孔法进行分析;D.要对电流法测试的漏电流数据及针孔法分析的针孔数进行记录,同时对每次换水进行记录。6。6.4操作注意事项:A.盐水浓度比例必须按3%。调配,必须每天更换,并做好记录;B.每次盐浴时必须检查导电性能,将正负极直接浸入盐水中,观察电流表读数必须大于500毫安;C.检验的漆包线(除两个线头外)必须全部沉浸在盐浴池中;D.要保证电源正极有效连接,注意正负极不能接反。6。7经以上试验合格的漆包线方可入库生产,不合格品出具不合格品报告由品管部主管批准后退回协作厂;6.8做好每个检验项目的检验记录和判定结果。'7。相关文件及记录7.1《漆包线进厂线径、电阻值检验表》7.2《漆包线进厂试验记录单》7。3《漆包线扭绞、针孔试验记录单》8、附表1表1漆包线进厂验收标准参数表(2级)标称直径最大外径极限偏差仕)最小漆1米电阻允许击穿最低电压最小(Q/m)最大(Q/m)电压(KV)扭绞数(个)膜厚度0.2000。2390。0030。0270。52370.56593。5330.210...

1、当您付费下载文档后,您只拥有了使用权限,并不意味着购买了版权,文档只能用于自身使用,不得用于其他商业用途(如 [转卖]进行直接盈利或[编辑后售卖]进行间接盈利)。
2、本站所有内容均由合作方或网友上传,本站不对文档的完整性、权威性及其观点立场正确性做任何保证或承诺!文档内容仅供研究参考,付费前请自行鉴别。
3、如文档内容存在违规,或者侵犯商业秘密、侵犯著作权等,请点击“违规举报”。

碎片内容

漆包线进厂检验规范

确认删除?
VIP
微信客服
  • 扫码咨询
会员Q群
  • 会员专属群点击这里加入QQ群
客服邮箱
回到顶部