电脑桌面
添加小米粒文库到电脑桌面
安装后可以在桌面快捷访问

高速公路边坡安全自动监测预警系统的研究与应用VIP免费

高速公路边坡安全自动监测预警系统的研究与应用_第1页
1/9
高速公路边坡安全自动监测预警系统的研究与应用_第2页
2/9
高速公路边坡安全自动监测预警系统的研究与应用_第3页
3/9
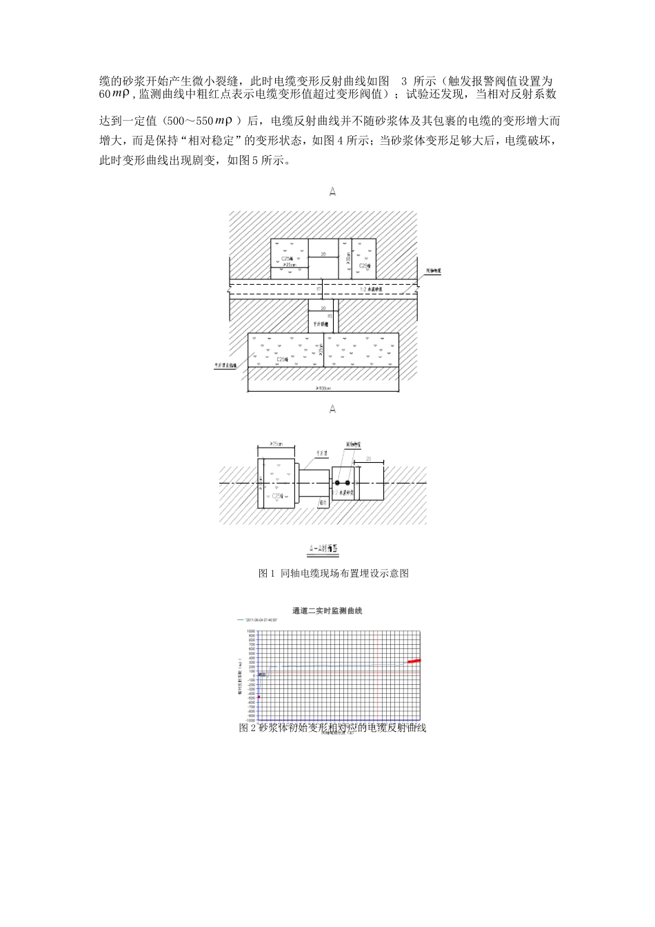
高速公路边坡安全自动监测预警系统的研究与应用吴仁平浙江金丽温高速公路有限公司浙江杭州310004摘要:结合高速公路边坡工程特点与安全管理要求,开展基于TDR技术的边坡安全自动监测与预警系统的研究与应用,基于同轴电缆变形、破坏模拟试验,揭示同轴电缆的变形破坏特性及相应的TDR检测曲线变化规律;研究同轴电缆布设原则和埋设方式,TDR监测数据自动采集和远程数据传输技术,以及同轴电缆变形报警阀值,开发了一套集边坡安全自动监测预警系统。关键词:高速公路;边坡安全;TDR技术;实时监测;自动报警Slope’sAutomaticMonitoringandWarningBasedonTDRTechnologyRenPingWuZhejiangJinliwenExpresswayCompanyLimitedAbstract:BasedonTDRtechnology,thispaperdevelopstheresearchcenteringonslope’sautomaticmonitoringandwarningalarm.UponTDR’sfundamentaltheoryandcarryingoutcoaxialcabledeformationanddestructionsimulatingexperiments,thecharacteristicsofcoaxialcabledeformationanddestructionandtheirrespectivereflectionlawsareunderstood;Moreover,bothofcoaxialcablearrangementandgrout,aswellasautomaticcollectionofmonitoringdataandremotedatatransmission,arestudied;Ontopofthat,thresholdvaluesofcoaxialcabledeformationareinvestigated,finally,acompletesetofsoftware,includesdataprocessingandmonitoringandwarningalarm,isdeveloped.Slope’sreal-timemonitoringandwarningalarmarerealizedatlast.Keywords:expressway;slopesafety;TDRtechnology;real-timemonitoring;automaticwarning0引言山区高速公路边坡工程地质条件复杂、影响因素多、管养难度大,一旦发生边坡变形破坏通常会对公路运营安全及司乘人员生命财产造成严重后果。以往主要依靠管养人员现场巡查判断来进行边坡安全监测,对重点复杂或高度较高的高边坡进行各种专业仪器试验与监测,存在成本高,费时费力,无法及时把握边坡坡体与防护结构潜在安全风险等问题,尤其是在养护资金有限的情况下,造成某些边坡得不到及时的科学管控。时间域反射(TDR)测试技术是一种电子测量技术,其应用研究始于二十世纪初期,应用领域较为广泛,最早应用于电力和通讯工业上,用于确定通信电缆和输电线路的故障与断裂;在国防和电讯等领域也已应用多年,主要用于确定飞行器飞行的空间位置、电话电缆的缺陷位置和各种材料的特性。二十世纪七十年代后,时间域反射测试技术开始用于地质勘查工作,到九十年代中期,TDR技术开始用于地质灾害的监测工作。[1~5]基于TDR技术的边坡监测预警方法改变传统的分散式监测为分布式监测,具有布设灵活、成本相对低廉、操作简单、直观可靠和便于实时远程自动监测预警等优点,特别适用于对大量边坡进行全面安全管控。1TDR技术的基本原理TDR技术采用同轴电缆作为传输具有一定能量瞬时脉冲的传播介质,电脉冲信号沿着同轴电缆向前传播,当脉冲信号遇到同轴电缆的特征阻抗发生变化的地方,便会在同轴电缆中产生一个反射信号,这个反射信号称之为TDR信号。通过对同轴电缆的发射信号与反射信号同时进行测量和对比计算分析,根据同轴电缆本身的特征参数,就能确定电缆的故障位置和性质。在进行TDR测试的实际工程应用中,若发射信号为Vt,反射信号为Vr,则反射信号Vr与发射信号Vt的比值称为反射系数,用表示,即:Vr/Vt。由于反射系数能够反映同轴电缆中反射信号的变化情况,因此,我们可以采用反射系数来详细地描述电缆的状态。当同轴电缆的末端处于开路状态时,电缆的反射信号与发射信号大小相等,并且相位相同,则反射系数为+1;与之相反,当同轴电缆的末端处于短路状态时,电缆中的反射信号与发射信号大小相等,并且相位相反,则反射系数为-1;当电缆的特征阻抗发生了变化的时候,其反射系数等于则在+1与-1之间的某个确定值。如果电缆阻抗变小,反射信号幅值减小,那么其反射系数为负值,相反,如果电缆阻抗变大,反射信号幅值增大,那么其反射系数为正值。[6~8]2同轴电缆变形特性的现场试验研究2.1试验的目的和意义同轴电缆的变形与TDR反射信号存在一定的联...

1、当您付费下载文档后,您只拥有了使用权限,并不意味着购买了版权,文档只能用于自身使用,不得用于其他商业用途(如 [转卖]进行直接盈利或[编辑后售卖]进行间接盈利)。
2、本站所有内容均由合作方或网友上传,本站不对文档的完整性、权威性及其观点立场正确性做任何保证或承诺!文档内容仅供研究参考,付费前请自行鉴别。
3、如文档内容存在违规,或者侵犯商业秘密、侵犯著作权等,请点击“违规举报”。

碎片内容

高速公路边坡安全自动监测预警系统的研究与应用

您可能关注的文档

爱的疯狂+ 关注
实名认证
内容提供者

该用户很懒,什么也没介绍

确认删除?
VIP
微信客服
  • 扫码咨询
会员Q群
  • 会员专属群点击这里加入QQ群
客服邮箱
回到顶部