电脑桌面
添加小米粒文库到电脑桌面
安装后可以在桌面快捷访问

陈皮质量标准及检验操作规程VIP免费

陈皮质量标准及检验操作规程_第1页
1/6
陈皮质量标准及检验操作规程_第2页
2/6
陈皮质量标准及检验操作规程_第3页
3/6
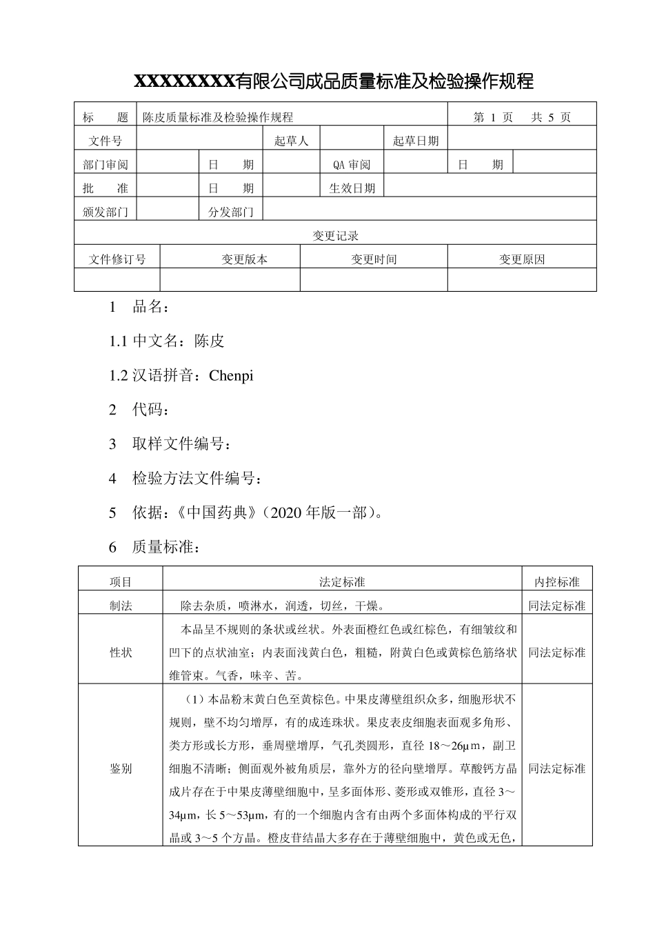
XXXXXXXX有限公司成品质量标准及检验操作规程标题陈皮质量标准及检验操作规程文件号部门审阅批准颁发部门日期日期分发部门变更记录文件修订号变更版本变更时间变更原因起草人QA审阅生效日期起草日期日期第1页共5页1品名:1.1中文名:陈皮1.2汉语拼音:Chenpi2代码:3取样文件编号:4检验方法文件编号:5依据:《中国药典》(2020年版一部)。6质量标准:项目制法法定标准除去杂质,喷淋水,润透,切丝,干燥。本品呈不规则的条状或丝状。外表面橙红色或红棕色,有细皱纹和性状凹下的点状油室;内表面浅黄白色,粗糙,附黄白色或黄棕色筋络状维管束。气香,味辛、苦。(1)本品粉末黄白色至黄棕色。中果皮薄壁组织众多,细胞形状不规则,壁不均匀增厚,有的成连珠状。果皮表皮细胞表面观多角形、类方形或长方形,垂周壁增厚,气孔类圆形,直径18~26µm,副卫鉴别细胞不清晰;侧面观外被角质层,靠外方的径向壁增厚。草酸钙方晶成片存在于中果皮薄壁细胞中,呈多面体形、菱形或双锥形,直径3~34µm,长5~53µm,有的一个细胞内含有由两个多面体构成的平行双晶或3~5个方晶。橙皮苷结晶大多存在于薄壁细胞中,黄色或无色,同法定标准同法定标准内控标准同法定标准陈皮质量标准及检验操作规程第2页共6页呈圆形或无定形团块,有的可见放射状条纹。螺纹导管、孔纹导管和网纹导管及管胞较小。(2)取本品粉末0.3g,加甲醇10ml,超声处理20分钟,滤过,取滤液5ml,浓缩至约1ml,作为供试品溶液。另取橙皮苷对照品,加甲醇制成饱和溶液,作为对照品溶液。照薄层色谱法(通则0502)试验,吸取上述两种溶液各2μl,分别点于同一用0.5%氢氧化钠溶液制备的硅胶G薄层板上,以乙酸乙酯-甲醇-水(100:17:13)为展开剂,展开约3cm,取出,晾干,再以甲苯-乙酸乙酯-甲酸-水(20:10:1:1)的上层溶液为展开剂,展至约8cm,取出,晾干,喷以三氯化铝试液,置紫外光灯(365nm)下检视。供试品色谱中,在与对照品色谱相应的位置上,显相同颜色的荧光斑点。(3)另取2-甲氨基甲酸甲酯对照品,加甲醇制成每1ml含0.1mg的溶液,作为对照品溶液,再取广陈皮对照提取物,加甲醇超声处理20分钟,制成每1ml含15mg的溶液,作为对照提取物溶液。照薄层色谱法(通则0502)试验,吸取上述两种溶液及(鉴别(2))下的供试品溶液各2μl,分别点于同一硅胶G薄层板上,以甲苯-乙酸乙酯-甲醇-水(10:4:2:0.5)10℃以下放置的上层溶液为展开剂,展开约5cm,取出,晾干,再以环己烷为展开剂,展至约8cm,取出,晾干,置紫外光灯(365nm)下检视。供试品色谱中,在与对照提取物色谱和对照品色谱相应的位置上,显相同颜色的荧光斑点(广陈皮)。水分不得过13.0%(通则0832第四法)。黄曲霉毒素照黄曲霉毒素测定法(通则2351)测定。取本品粉末(过二号筛)约5g,精密称定,加入氯化钠3g,照黄曲霉毒素测定法项下供试品的制备方法测定,计算,即得。检查本品每1000g含黄曲霉毒素B1不得过5μg,含黄曲霉毒素G2、黄曲霉毒素G1、黄曲霉毒素B2和黄曲霉毒素B1的总量不得过10μg。二氧化硫残留量照二氧化硫残留量测定法(通则2331)测定,不得过150mg/kg。陈皮照高效液相色谱法(通则0512)测定。色谱条件与系统适应性试验以十八烷基硅烷键合硅胶为填充含量测定剂;以乙腈-水(22:78)为流动相;检测波长为283nm。理论板数按橙皮苷峰计算应不低于2000。对照品溶液的制备取橙皮苷对照品适量,精密称定,加甲醇制同法定标准水分不得过12.0%(通则0832第四法)其他项目同法定标准陈皮质量标准及检验操作规程第3页共6页成每1ml含0.4mg的溶液,即得。供试品溶液的制备取本品粗粉(过二号筛)约0.2g,精密称定,置具塞锥形瓶中,精密加入甲醇25ml,密塞,称定重量,超声处理(功率300W,频率40kHz)45分钟,放冷,再称定重量,用甲醇补足减失的重量,摇匀,滤过,取续滤液,即得。测定法分别精密吸取对照品溶液与供试品溶液各5μl,注入液相色谱仪,测定,即得。本品按干燥品计算,含橙皮苷(C28H34O15)不得少于2.5%。广陈皮照高效液相色谱法(通则0512)测定。色谱条件与系统适应性试验以十八烷基硅烷键合硅胶为填充剂;以乙腈为流动相A,以水为流动...

1、当您付费下载文档后,您只拥有了使用权限,并不意味着购买了版权,文档只能用于自身使用,不得用于其他商业用途(如 [转卖]进行直接盈利或[编辑后售卖]进行间接盈利)。
2、本站所有内容均由合作方或网友上传,本站不对文档的完整性、权威性及其观点立场正确性做任何保证或承诺!文档内容仅供研究参考,付费前请自行鉴别。
3、如文档内容存在违规,或者侵犯商业秘密、侵犯著作权等,请点击“违规举报”。

碎片内容

陈皮质量标准及检验操作规程

您可能关注的文档

确认删除?
VIP
微信客服
  • 扫码咨询
会员Q群
  • 会员专属群点击这里加入QQ群
客服邮箱
回到顶部