电脑桌面
添加小米粒文库到电脑桌面
安装后可以在桌面快捷访问

建筑业企业资质检查表VIP免费

建筑业企业资质检查表_第1页
1/8
建筑业企业资质检查表_第2页
2/8
建筑业企业资质检查表_第3页
3/8
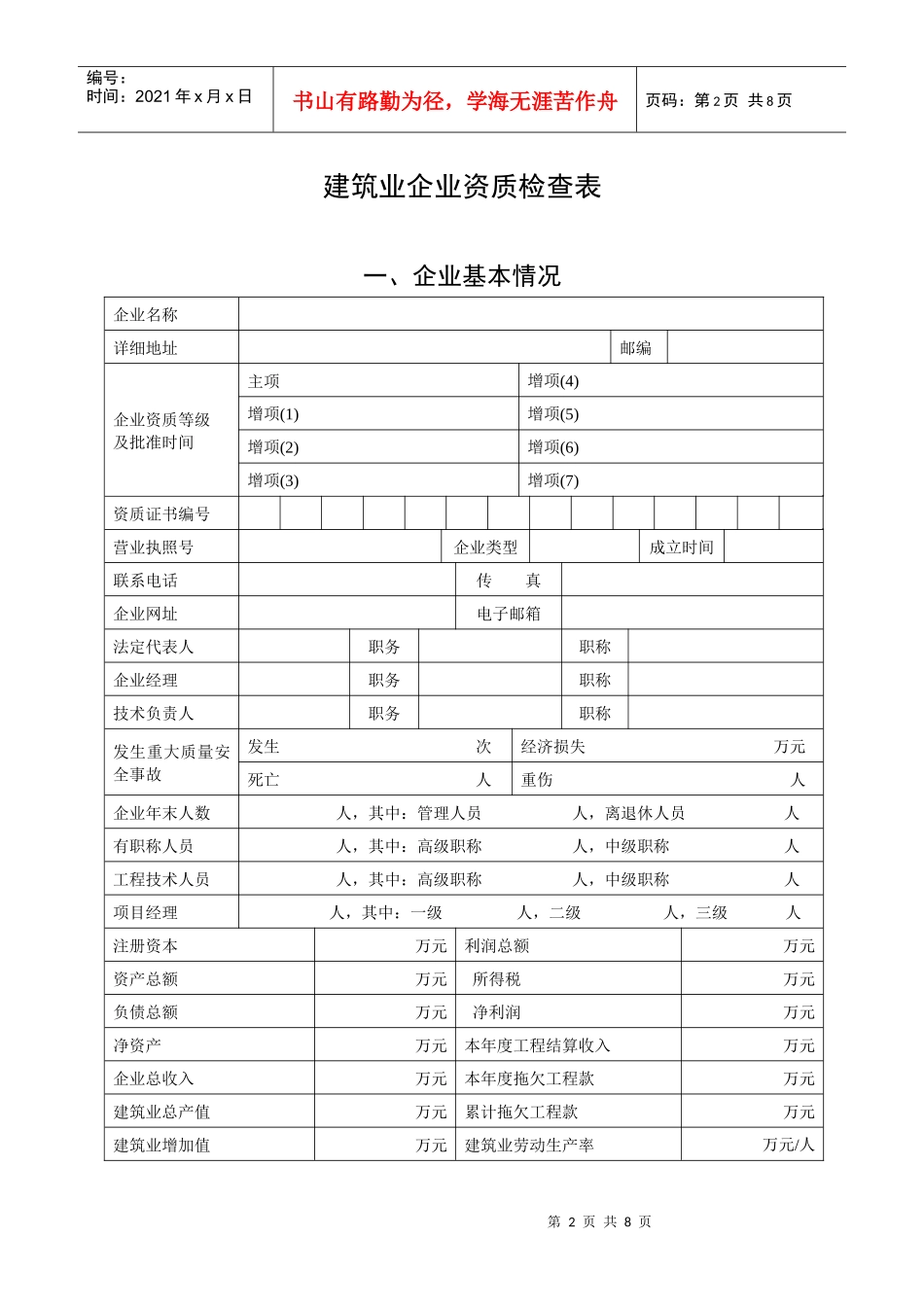
第1页共8页编号:时间:2021年x月x日书山有路勤为径,学海无涯苦作舟页码:第1页共8页建筑业企业资质检查表企业名称:填报日期:年月日资质证书编号:广西壮族自治区建设厅制第2页共8页第1页共8页编号:时间:2021年x月x日书山有路勤为径,学海无涯苦作舟页码:第2页共8页建筑业企业资质检查表一、企业基本情况企业名称详细地址邮编企业资质等级及批准时间主项增项(4)增项(1)增项(5)增项(2)增项(6)增项(3)增项(7)资质证书编号营业执照号企业类型成立时间联系电话传真企业网址电子邮箱法定代表人职务职称企业经理职务职称技术负责人职务职称发生重大质量安全事故发生次经济损失万元死亡人重伤人企业年末人数人,其中:管理人员人,离退休人员人有职称人员人,其中:高级职称人,中级职称人工程技术人员人,其中:高级职称人,中级职称人项目经理人,其中:一级人,二级人,三级人注册资本万元利润总额万元资产总额万元所得税万元负债总额万元净利润万元净资产万元本年度工程结算收入万元企业总收入万元本年度拖欠工程款万元建筑业总产值万元累计拖欠工程款万元建筑业增加值万元建筑业劳动生产率万元/人第3页共8页第2页共8页编号:时间:2021年x月x日书山有路勤为径,学海无涯苦作舟页码:第3页共8页有无质量、安全、市场行为等方面的违法违规行为注:封面企业名称处要填写全称并加盖公章。二、企业承担过的主要工程业绩一览表序号工程名称工程类别工程规模开、竣工时间质量评定结果技术指标单位数量合同价(万元)结算价(万元)第4页共8页第3页共8页编号:时间:2021年x月x日书山有路勤为径,学海无涯苦作舟页码:第4页共8页注:1、本表按竣工时间先后,填写本企业主要工程业绩;2、工程类别,按照资质等级标准分类填写;3、技术指标是指高度、长度、跨度、面积、装机容量、直径、流量等指标;4、本表可复制加页。三、企业有职称的工程技术和经济管理人员名单序号姓名学历职称身份证号码毕业时间、院校专业第5页共8页第4页共8页编号:时间:2021年x月x日书山有路勤为径,学海无涯苦作舟页码:第5页共8页注:1、本表按工程技术和经济管理序列分类、分专业填写;2、本名单可复制加页。四、企业项目经理名单序号姓名身份证号码专业级别证书编号第6页共8页第5页共8页编号:时间:2021年x月x日书山有路勤为径,学海无涯苦作舟页码:第6页共8页注:1、本表按项目经理的级别顺序进行分级后填写;2、本表可复制加页。五、企业安全生产管理情况表企业全称:____________1、企业安全生产许可证:□已取得□未取得2、企业法定代表人姓名:___□A类□B类□C类33、企业经理姓名:___□A类□B类□C类4、企业分管安全生产副经理姓名:___□A类□B类□C类5、项目(经理)负责人共__人。其中:B类__人C类__人6、C类专职(安全员)安全生产管理人员共___人7、企业特种作业人员共___人8、企业设立安全生产管理机构:□有□无9、企业安全生产管理责任制落实情况:□好□中□差10、企业安全生产管理人员培训___人11、企业办理从业人员工伤保险__人,办理意外伤害保险__人12、2005年企业安全投入资金___万元13、其他:第7页共8页第6页共8页编号:时间:2021年x月x日书山有路勤为径,学海无涯苦作舟页码:第7页共8页六、审核意见县级建设行政主管部门审查意见市级建设行政主管部门审查意见申报资料已经审查核实,资质检查审核结论:(章)2006年月日申报资料已经审查核实,资质检查审核结论:(章)2006年月日省级专业厅局审查意见省级建设行政主管部门审查意见第8页共8页第7页共8页编号:时间:2021年x月x日书山有路勤为径,学海无涯苦作舟页码:第8页共8页申报资料已经审查核实,资质检查审核结论:(章)2006年月日申报资料已经审查核实,资质检查审核结论:(章)2006年月日

1、当您付费下载文档后,您只拥有了使用权限,并不意味着购买了版权,文档只能用于自身使用,不得用于其他商业用途(如 [转卖]进行直接盈利或[编辑后售卖]进行间接盈利)。
2、本站所有内容均由合作方或网友上传,本站不对文档的完整性、权威性及其观点立场正确性做任何保证或承诺!文档内容仅供研究参考,付费前请自行鉴别。
3、如文档内容存在违规,或者侵犯商业秘密、侵犯著作权等,请点击“违规举报”。

碎片内容

建筑业企业资质检查表

您可能关注的文档

确认删除?
VIP
微信客服
  • 扫码咨询
会员Q群
  • 会员专属群点击这里加入QQ群
客服邮箱
回到顶部