电脑桌面
添加小米粒文库到电脑桌面
安装后可以在桌面快捷访问

分户验收检查表(九)VIP专享VIP免费

分户验收检查表(九)_第1页
1/71
分户验收检查表(九)_第2页
2/71
分户验收检查表(九)_第3页
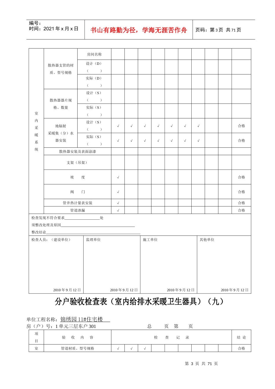
3/71
第1页共71页编号:时间:2021年x月x日书山有路勤为径,学海无涯苦作舟页码:第1页共71页分户验收检查表(室内给排水采暖卫生器具)(九)单位工程名称:锦绣园11#住宅楼房(户)号:1单元二层东户201总页第页项目验收内容检查记录结论室内给水系统管道材质、型号规格√√√合格冷、热水安装√√√合格支架(吊架)√√√合格阀门√√√合格管道渗漏√√√合格室内排水系统管道材质、规格√√√合格坡度√√√合格管件√√√合格支架、吊架√√√合格管道渗漏√√√合格阻火圈(或防火套管)卫生器具卫生器具安装卫生器具给水配件安装√√合格卫生器具排水管道安装√√合格排水栓与地漏√√合格室内采暖系统散热器支管的材质、型号规格房间名称设计(D)()实际(D)()散热器器片规格、数量设计(S)()实际(S)()地辐射采暖集(分)水器安装设计(S)()√√√√√√√合格实际(S)()√√√√√√√合格散热器安装及表面涂漆支架(吊架)第2页共71页第1页共71页编号:时间:2021年x月x日书山有路勤为径,学海无涯苦作舟页码:第2页共71页坡度√合格阀门√合格管井热计量表安装√合格管道渗漏√合格检查发现不符合要求处须整改处理及原因整改结论检查人员:(建设单位)2010年9月12日监理单位2010年9月12日施工单位2010年9月12日其他单位2010年9月12日分户验收检查表(室内给排水采暖卫生器具)(九)单位工程名称:锦绣园11#住宅楼房(户)号:1单元二层西户202总页第页项目验收内容检查记录结论室内给水系统管道材质、型号规格√√√合格冷、热水安装√√√合格支架(吊架)√√√合格阀门√√√合格管道渗漏√√√合格室内排水系统管道材质、规格√√√合格坡度√√√合格管件√√√合格支架、吊架√√√合格管道渗漏√√√合格阻火圈(或防火套管)卫生器具卫生器具安装卫生器具给水配件安装√√合格卫生器具排水管道安装√√合格排水栓与地漏√√合格第3页共71页第2页共71页编号:时间:2021年x月x日书山有路勤为径,学海无涯苦作舟页码:第3页共71页室内采暖系统散热器支管的材质、型号规格房间名称设计(D)()实际(D)()散热器器片规格、数量设计(S)()实际(S)()地辐射采暖集(分)水器安装设计(S)()√√√√√√√合格实际(S)()√√√√√√√合格散热器安装及表面涂漆支架(吊架)坡度√合格阀门√合格管井热计量表安装√合格管道渗漏√合格检查发现不符合要求处须整改处理及原因整改结论检查人员:(建设单位)2010年9月12日监理单位2010年9月12日施工单位2010年9月12日其他单位2010年9月12日分户验收检查表(室内给排水采暖卫生器具)(九)单位工程名称:锦绣园11#住宅楼房(户)号:1单元三层东户301总页第页项目验收内容检查记录结论室管道材质、型号规格√√√合格第4页共71页第3页共71页编号:时间:2021年x月x日书山有路勤为径,学海无涯苦作舟页码:第4页共71页内给水系统冷、热水安装√√√合格支架(吊架)√√√合格阀门√√√合格管道渗漏√√√合格室内排水系统管道材质、规格√√√合格坡度√√√合格管件√√√合格支架、吊架√√√合格管道渗漏√√√合格阻火圈(或防火套管)卫生器具卫生器具安装卫生器具给水配件安装√√合格卫生器具排水管道安装√√合格排水栓与地漏√√合格室内采暖系统散热器支管的材质、型号规格房间名称设计(D)()实际(D)()散热器器片规格、数量设计(S)()实际(S)()地辐射采暖集(分)水器安装设计(S)()√√√√√√√合格实际(S)()√√√√√√√合格散热器安装及表面涂漆支架(吊架)坡度√合格阀门√合格管井热计量表安装√合格管道渗漏√合格检查发现不符合要求处须整改处理及原因整改结论第5页共71页第4页共71页编号:时间:2021年x月x日书山有路勤为径,学海无涯苦作舟页码:第5页共71页检查人员:(建设单位)2010年9月12日监理单位2010年9月12日施工单位2010年9月12日其他单位2010年9月12日分户验收检查表(室内给排水采暖卫生器具)(九)单位工程名称:锦绣园11#住宅楼房(户)号:1单元三层西户302总页第页项目验收内容检查记录结论室内给水系统管道材质、型号...

1、当您付费下载文档后,您只拥有了使用权限,并不意味着购买了版权,文档只能用于自身使用,不得用于其他商业用途(如 [转卖]进行直接盈利或[编辑后售卖]进行间接盈利)。
2、本站所有内容均由合作方或网友上传,本站不对文档的完整性、权威性及其观点立场正确性做任何保证或承诺!文档内容仅供研究参考,付费前请自行鉴别。
3、如文档内容存在违规,或者侵犯商业秘密、侵犯著作权等,请点击“违规举报”。

碎片内容

分户验收检查表(九)

确认删除?
VIP
微信客服
  • 扫码咨询
会员Q群
  • 会员专属群点击这里加入QQ群
客服邮箱
回到顶部