电脑桌面
添加小米粒文库到电脑桌面
安装后可以在桌面快捷访问

基础工程课程设计计算书VIP免费

基础工程课程设计计算书_第1页
1/7
基础工程课程设计计算书_第2页
2/7
基础工程课程设计计算书_第3页
3/7
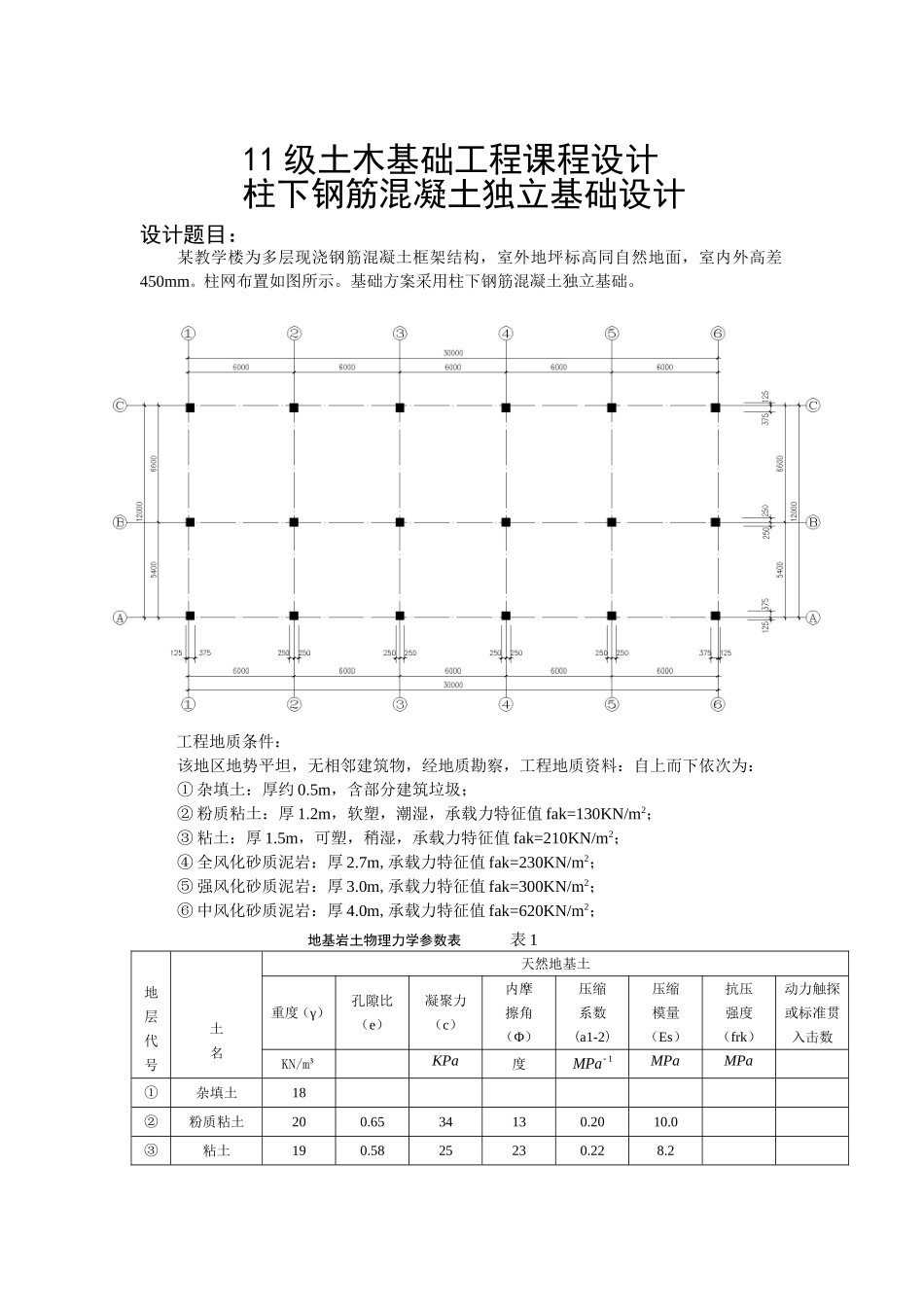
11级土木基础工程课程设计柱下钢筋混凝土独立基础设计设计题目:某教学楼为多层现浇钢筋混凝土框架结构,室外地坪标高同自然地面,室内外高差450mm。柱网布置如图所示。基础方案采用柱下钢筋混凝土独立基础。工程地质条件:该地区地势平坦,无相邻建筑物,经地质勘察,工程地质资料:自上而下依次为:①杂填土:厚约0.5m,含部分建筑垃圾;②粉质粘土:厚1.2m,软塑,潮湿,承载力特征值fak=130KN/m2;③粘土:厚1.5m,可塑,稍湿,承载力特征值fak=210KN/m2;④全风化砂质泥岩:厚2.7m,承载力特征值fak=230KN/m2;⑤强风化砂质泥岩:厚3.0m,承载力特征值fak=300KN/m2;⑥中风化砂质泥岩:厚4.0m,承载力特征值fak=620KN/m2;地基岩土物理力学参数表表1地层代号土名天然地基土重度(γ)孔隙比(e)凝聚力(c)内摩擦角(Φ)压缩系数(a1-2)压缩模量(Es)抗压强度(frk)动力触探或标准贯入击数KN/m³KPa度1MPaMPaMPa①杂填土18②粉质粘土200.6534130.2010.0③粘土190.5825230.228.2④全风化砂质泥岩2022300.8N=40⑤强风化砂质泥岩2220253.0N63.5=15⑥中风化砂质泥岩2415404.0N63.5=25水文资料为:地下水对混凝土无侵蚀性,地下水位深度位于地表下1.5m。建筑物所处场地抗震设防烈度为7度,场地内无可液化土。设计参数:柱截面尺寸为500mm×500mm。上部结构作用在B轴柱底的荷载标准值为Fk=1615KN,Mk=125KN•m,Vk=60KN;上部结构作用在B轴柱底的荷载效应基本组合设计值为F=2100KN,M=163KN•m,V=78KN。根据以上提供的设计资料,完成以下内容的设计:(一)确定基础埋置深度(二)确定地基承载力特征值(三)确定基础的底面尺寸(四)持力层强度及下卧层验算(五)确定基础的高度(六)基础底板配筋计算(七)绘制基础结构施工图(含平面图、详图),提出必要的技术说明(八)编制设计计算书柱下钢筋混凝土独立基础设计——计算书1.确定基础埋置深度地下水位于地表下1.5m且对混凝土结构无侵蚀性。而由于荷载值较大,故初步选定③号土层为持力层。又取基础底面时最好取至持力层下0.5m,所以考虑取室外地坪到基础底面距离为0.5+1.2+0.5=2.2m。2.确定地基承载力特征值③号土层承载力特征值fak=210KN/m2;由于可塑③号土层性质为可塑,则液限:,则查表可得,。基底以上土的加权平均重度为:。故持力层承载力特征值(先不考虑对基础宽度修正值)为:上式d按室外地面算起。3.确定基础的底面尺寸柱底荷载标准值为:。取基础埋置深度为:采用矩形基础。令基础长宽比为,则基础基底面积为。基础荷载因有偏心,初定时,将面积增大20%,则:故得:因此,取:,因,故无需再对地基承载力特征值进行修正。4.持力层强度及下卧层验算基础自重和基础上的回填土重:偏心距:,满足要求。基底最大压应力:基底最小压应力:,满足要求。,满足要求。由于不存在软弱下卧层,故无需对下卧层进行验算。计算基底净反力:柱底荷载效应基本组合设计值为:F=2100KN,M=163KN•m,V=78KN。净偏心距为:则:基础边缘处的最大和最小净反力为:5.确定基础的高度1:柱边截面基础选用C20混凝土,HRB400级钢筋,查得,垫层采用C10混凝土。初步选定基础高度h=800mm,分两个台阶,每阶段高度均为400mm。则:,,。因为:,所以。因偏心受压,故计算时取。则冲切力:抗冲切力:,满足要求。2:变阶处截面对下阶:取:,则则冲切力:抗冲切力:,满足要求。6.基础底板配筋计算选用HRB400级钢筋,。1:基础长边方向由于长边方向有偏心,故采用公式:。对I-I截面:则:同理,对III-III截面:则:比较与,应按配筋,现于2.7m宽度范围内配钢筋,根数(根),2:基础短边方向由于短边方向没有偏心,故采用公式:。设采用钢筋,短边方向钢筋铺在长边方向钢筋之上,则:对II-II截面,对IV-IV截面,比较与,应按配筋,现于3.4m宽度范围内配钢筋,根数(根),

1、当您付费下载文档后,您只拥有了使用权限,并不意味着购买了版权,文档只能用于自身使用,不得用于其他商业用途(如 [转卖]进行直接盈利或[编辑后售卖]进行间接盈利)。
2、本站所有内容均由合作方或网友上传,本站不对文档的完整性、权威性及其观点立场正确性做任何保证或承诺!文档内容仅供研究参考,付费前请自行鉴别。
3、如文档内容存在违规,或者侵犯商业秘密、侵犯著作权等,请点击“违规举报”。

碎片内容

基础工程课程设计计算书

您可能关注的文档

确认删除?
VIP
微信客服
  • 扫码咨询
会员Q群
  • 会员专属群点击这里加入QQ群
客服邮箱
回到顶部