电脑桌面
添加小米粒文库到电脑桌面
安装后可以在桌面快捷访问

成品检验规范VIP免费

成品检验规范_第1页
1/6
成品检验规范_第2页
2/6
成品检验规范_第3页
3/6
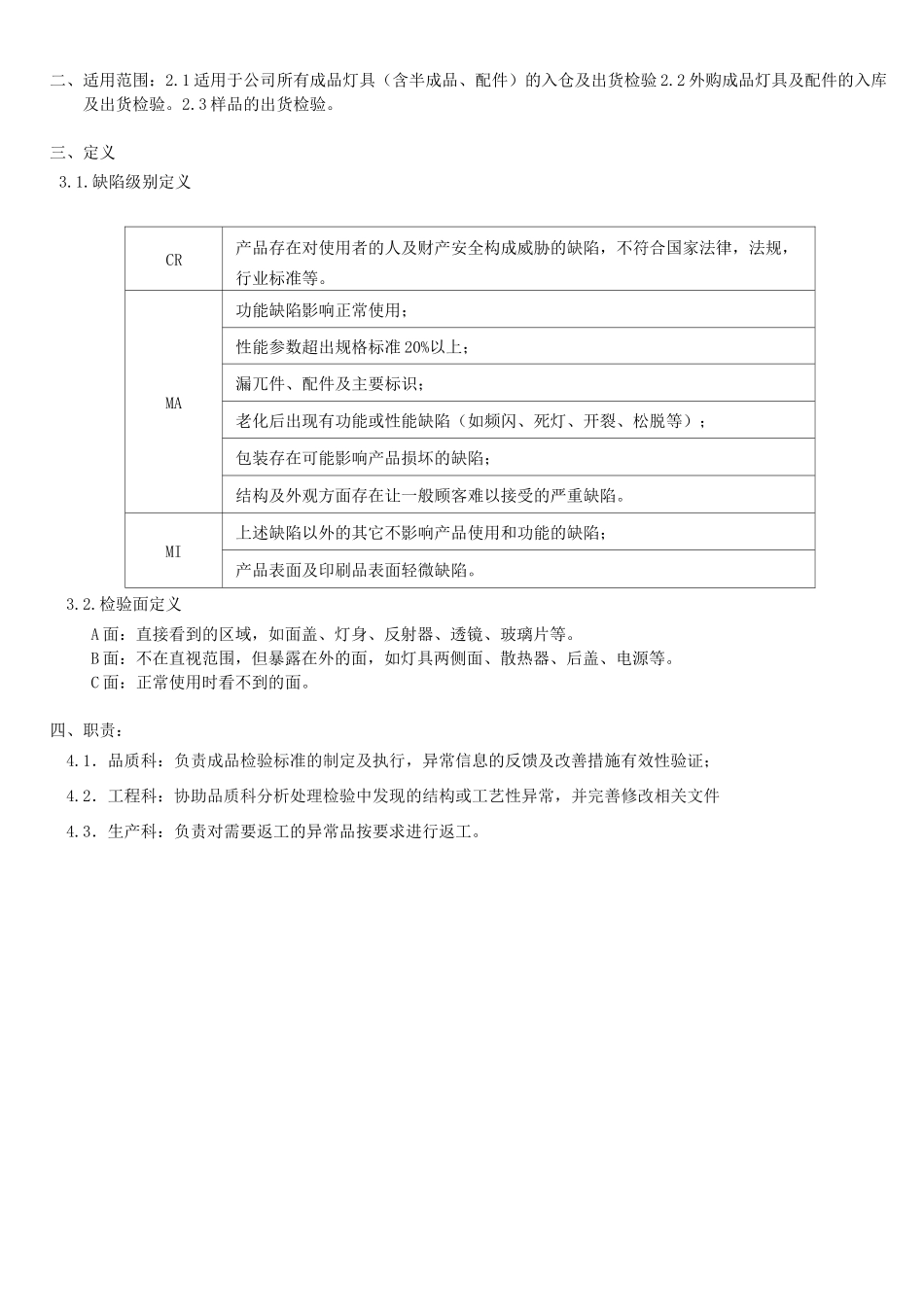
编审批成品检验规范文件编号:版次:A页次:1/6生效日期:内容更改历史记录表版次更改日期更改内容的描述编制人/更改人签名A请选择需下发此文件的部门□总经办□人事科□财务科□产品管理部□计划科□品质科□销售管理部□市场推广科□技术科□综合管理部□米购科□工程科□市场开发科□产品开发科□客服科□供应管理部□生产科□仓储科□电子商务组□推广组□内销组□外销组□广告组□其他需下发的数量补充说明:成品检验规范文件编号:版次:A页次:2/6生效日期:、目的为规范成品入仓及出货检验标准,确保所出货产品符合客户的需求,不断的提升产品品质,提高客户的满意度。二、适用范围:2.1适用于公司所有成品灯具(含半成品、配件)的入仓及出货检验2.2外购成品灯具及配件的入库及出货检验。2.3样品的出货检验。三、定义3.1.缺陷级别定义CR产品存在对使用者的人及财产安全构成威胁的缺陷,不符合国家法律,法规,行业标准等。MA功能缺陷影响正常使用;性能参数超出规格标准20%以上;漏兀件、配件及主要标识;老化后出现有功能或性能缺陷(如频闪、死灯、开裂、松脱等);包装存在可能影响产品损坏的缺陷;结构及外观方面存在让一般顾客难以接受的严重缺陷。MI上述缺陷以外的其它不影响产品使用和功能的缺陷;产品表面及印刷品表面轻微缺陷。3.2.检验面定义A面:直接看到的区域,如面盖、灯身、反射器、透镜、玻璃片等。B面:不在直视范围,但暴露在外的面,如灯具两侧面、散热器、后盖、电源等。C面:正常使用时看不到的面。四、职责:4.1.品质科:负责成品检验标准的制定及执行,异常信息的反馈及改善措施有效性验证;4.2.工程科:协助品质科分析处理检验中发现的结构或工艺性异常,并完善修改相关文件4.3.生产科:负责对需要返工的异常品按要求进行返工。成品检验规范文件编号:版次:A页次:3/6生效日期:五、抽样依据:依据GB/T2828.1-2012抽样水准:MIL=IIAQL:严重缺陷(CR)=O主要缺陷(MA)=1.0次要缺陷(MI)=2.5六、检验方法6.1外观检验:距40W荧光灯100-120cm光线内,眼睛距产品35-45CM,角度45-90°目视3-5秒。6.2结构检验:参照样品对产品进行拆卸并进行试装、调试,确保产品符合设计要求。6.3光电参数:使用光谱分析仪、功率测试仪、积分球等设备进行检验,并将检测结果保存并做好相应记录。6.4安全测试:使用耐压测试仪、绝缘电阻测试仪、接地电阻测试仪等进行检测。七、检验项目及判定标准类别检验项目检验标准检验方法判定CRMAMI包装箱麥箱麥与订单要求或图纸一致。目视V标识外箱标识清晰,整齐,完整(产品型号、条码、LOGO、日期标等)。目视V数量实际装箱数量与标称数量一致。目视V重量外箱实际重量与印刷重量误差W0.5kg。电子称V尺寸外箱实际尺寸与印刷尺寸误差Wlcm且不影响包装。卷尺V外观外箱在2m距离内无明显脏污、破损。目视V配件无少放或漏放配件。目视V标识内容产品各标签内容与订单要求一致。目视V说明书、安装图、保修卡、吊牌等内容与订单要求一致。目视V标志各标志咼度或长度与标准要求一致。卡尺V印刷说明书、保修卡等印刷模糊,且肉眼难以辨认。目视V说明书、保修卡等印刷模糊,但肉眼可以辨认。目视V说明书、保修卡等印刷清晰,但有影底现象。目视V条码条码或二维码扫读内容与要求内容不一致。条码扫描仪V外观颜色产品整体颜色一致,各部件无明显色差。目视V颜色与色板或样板不符或明显色差。目视V污渍灯具表面清洁干净,无指纹、污渍等不良。目视V刮花在100cm2范围内A面允许有2处面积<3mm2的擦花,且成分布状。目视/卡尺V在100cm2范围内B面允许有4处面积W3mm2的擦花,目视/卡尺V成品检验规范文件编号:版次:A页次:4/6生效日期:且成分布状。划伤在100cm2范围内A面允许有2条长度W5mm,深度W0.2mm划痕(但不能露底),且成分布状。目视/卡尺V在10cm2范围内B面允许有3条长度WIOmm,深度W0.2mm划痕(但不能露底),且成分布状。目视/卡尺V杂质在100cm2范围内A面允许有3个直径Wlmm杂质或颗粒,且成分布状。目视/卡尺V在50cm2范围内B面允许有5个直径W2mm杂质或颗粒,且成分布状。目视/卡尺V露底A面不允许有露底现象。目视VB面安装后无外露部份允许有轻...

1、当您付费下载文档后,您只拥有了使用权限,并不意味着购买了版权,文档只能用于自身使用,不得用于其他商业用途(如 [转卖]进行直接盈利或[编辑后售卖]进行间接盈利)。
2、本站所有内容均由合作方或网友上传,本站不对文档的完整性、权威性及其观点立场正确性做任何保证或承诺!文档内容仅供研究参考,付费前请自行鉴别。
3、如文档内容存在违规,或者侵犯商业秘密、侵犯著作权等,请点击“违规举报”。

碎片内容

成品检验规范

确认删除?
VIP
微信客服
  • 扫码咨询
会员Q群
  • 会员专属群点击这里加入QQ群
客服邮箱
回到顶部