电脑桌面
添加小米粒文库到电脑桌面
安装后可以在桌面快捷访问

考点14氯元素单质及其重要化合物VIP专享VIP免费

考点14氯元素单质及其重要化合物_第1页
1/5
考点14氯元素单质及其重要化合物_第2页
2/5
考点14氯元素单质及其重要化合物_第3页
3/5
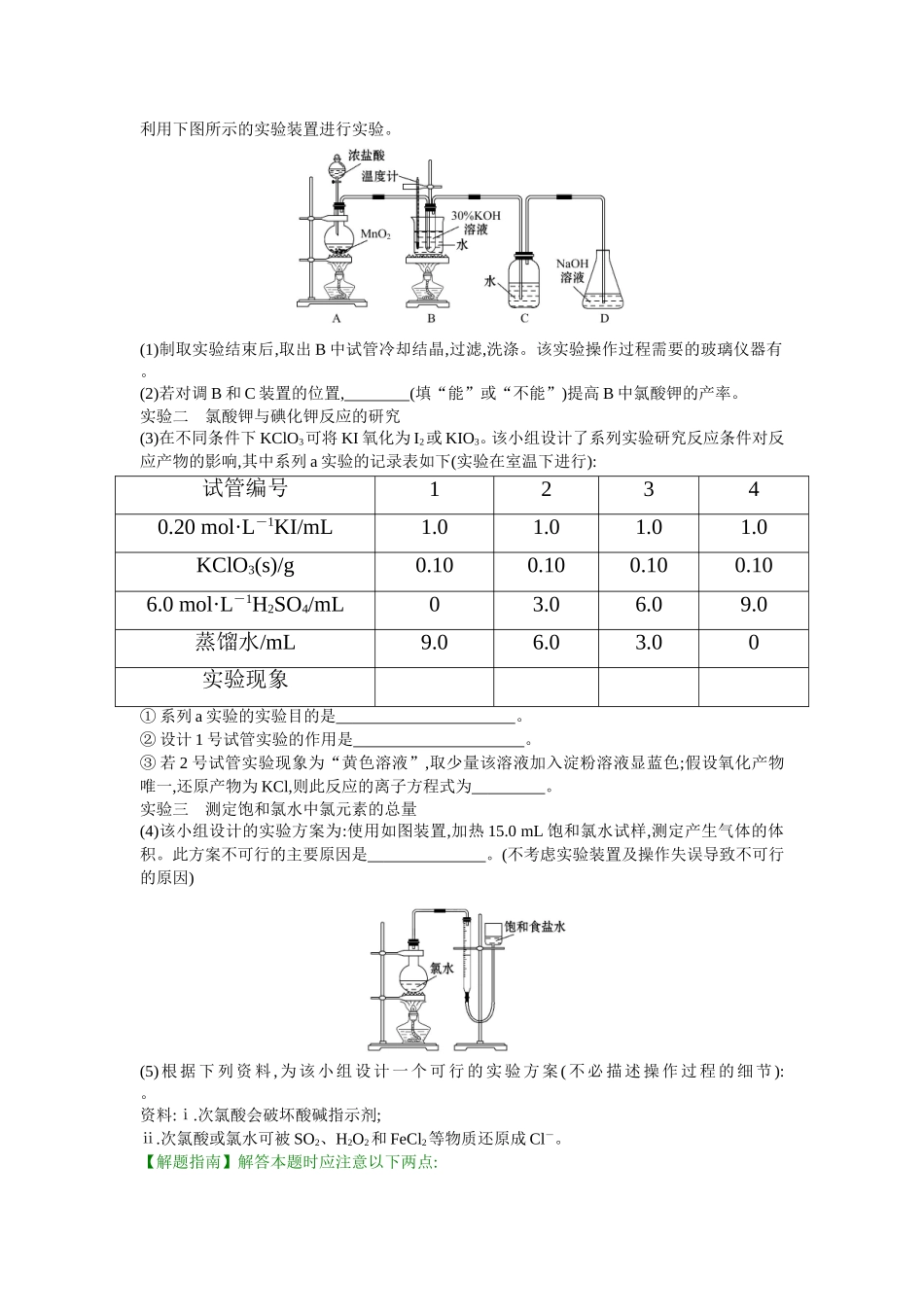
考点14氯元素单质及其重要化合物1.(2015·北京高考·11)某消毒液的主要成分为NaClO,还含有一定量的NaOH,下列用来解释事实的方程式中,不合理的是(已知:饱和NaClO溶液的pH约为11)A.该消毒液可用NaOH溶液吸收Cl2制备:Cl2+2OH-Cl-+ClO-+H2OB.该消毒液的pH约为12:ClO-+H2OHClO+OH-C.该消毒液与洁厕灵(主要成分为HCl)混用,产生有毒Cl2:2H++Cl-+ClO-Cl2↑+H2OD.该消毒液加白醋生成HClO,可增强漂白作用:CH3COOH+ClO-HClO+CH3COO-【解题指南】解答本题时应注意以下两点:(1)HClO是弱酸,有氧化性,盐酸有还原性。(2)HClO的浓度大,漂白作用强。【解析】选B。氯气与氢氧化钠溶液反应生成氯化钠、次氯酸钠和水,A正确;该消毒液的pH约为12,而饱和NaClO溶液的pH约为11,故用水解解释不合理,pH约为12是因为溶液中还含有氢氧化钠,B错误;C项二者发生归中反应生成氯气,正确;D项,发生反应CH3COOH+ClO-HClO+CH3COO-,增大了HClO的浓度,漂白作用增强,正确。【误区提醒】解答本题的B项如果没有看到“该消毒液的pH约为12”“饱和NaClO溶液的pH约为11”则容易用水解解释而误认为B项合理。2.(2015·全国卷Ⅱ·12)海水开发利用的部分过程如图所示。下列说法错误的是()A.向苦卤中通入Cl2是为了提取溴B.粗盐可采用除杂和重结晶等过程提纯C.工业生产中常选用NaOH作为沉淀剂D.富集溴一般先用空气和水蒸气吹出单质溴,再用SO2将其还原吸收【解题指南】解答本题时应注意以下两点:(1)确定每步加入物质的作用;(2)选择沉淀剂时要注意廉价性和易得性。【解析】选C。氯气具有强氧化性,能和溴离子反应生成溴单质,向苦卤中通入Cl2是为了提取溴,A正确;提纯粗盐可以采用除杂、重结晶的方法,B正确;工业常选用石灰乳作为沉淀剂,用氢氧化钠不经济,C错误;富集溴一般先用空气和水蒸气吹出单质溴,再用SO2将其还原吸收,D正确。3.(2015·山东高考·10)某化合物由两种单质直接反应生成,将其加入Ba(HCO3)2溶液中同时有气体和沉淀产生。下列化合物中符合上述条件的是()A.AlCl3B.Na2OC.FeCl2D.SiO2【解析】选A。AlCl3可由Al与Cl2反应制得,AlCl3与Ba(HCO3)2反应生成CO2和Al(OH)3沉淀,A正确;Na2O与Ba(HCO3)2反应没有气体生成,B错误;FeCl2不能由两种单质直接反应生成,C错误;SiO2不与Ba(HCO3)2反应,D错误。4.(2015·福建高考·25)某化学兴趣小组制取氯酸钾和氯水并进行有关探究实验。实验一制取氯酸钾和氯水利用下图所示的实验装置进行实验。(1)制取实验结束后,取出B中试管冷却结晶,过滤,洗涤。该实验操作过程需要的玻璃仪器有。(2)若对调B和C装置的位置,(填“能”或“不能”)提高B中氯酸钾的产率。实验二氯酸钾与碘化钾反应的研究(3)在不同条件下KClO3可将KI氧化为I2或KIO3。该小组设计了系列实验研究反应条件对反应产物的影响,其中系列a实验的记录表如下(实验在室温下进行):试管编号12340.20mol·L-1KI/mL1.01.01.01.0KClO3(s)/g0.100.100.100.106.0mol·L-1H2SO4/mL03.06.09.0蒸馏水/mL9.06.03.00实验现象①系列a实验的实验目的是。②设计1号试管实验的作用是。③若2号试管实验现象为“黄色溶液”,取少量该溶液加入淀粉溶液显蓝色;假设氧化产物唯一,还原产物为KCl,则此反应的离子方程式为。实验三测定饱和氯水中氯元素的总量(4)该小组设计的实验方案为:使用如图装置,加热15.0mL饱和氯水试样,测定产生气体的体积。此方案不可行的主要原因是。(不考虑实验装置及操作失误导致不可行的原因)(5)根据下列资料,为该小组设计一个可行的实验方案(不必描述操作过程的细节):。资料:ⅰ.次氯酸会破坏酸碱指示剂;ⅱ.次氯酸或氯水可被SO2、H2O2和FeCl2等物质还原成Cl-。【解题指南】解答本题时应注意以下两点:(1)化学实验装置的识别;(2)化学实验方案设计的分析与评价。【解析】(1)制取实验结束后,取出B中试管冷却结晶、过滤、洗涤。根据进行该实验操作过程使用的仪器可知:在该实验操作过程需要的玻璃仪器有烧杯、漏斗、玻璃棒、胶头滴管。(2)Cl2与热的KOH溶液发生反应产生氯酸钾和氯化钾及水,与冷的KOH发生反应产生KCl、KClO和水。因此若对调B和C装置的位置,可以除去Cl2中的杂质HCl气体,故能提高B中氯酸钾的产率。(3)...

1、当您付费下载文档后,您只拥有了使用权限,并不意味着购买了版权,文档只能用于自身使用,不得用于其他商业用途(如 [转卖]进行直接盈利或[编辑后售卖]进行间接盈利)。
2、本站所有内容均由合作方或网友上传,本站不对文档的完整性、权威性及其观点立场正确性做任何保证或承诺!文档内容仅供研究参考,付费前请自行鉴别。
3、如文档内容存在违规,或者侵犯商业秘密、侵犯著作权等,请点击“违规举报”。

碎片内容

考点14氯元素单质及其重要化合物

您可能关注的文档

确认删除?
VIP
微信客服
  • 扫码咨询
会员Q群
  • 会员专属群点击这里加入QQ群
客服邮箱
回到顶部