电脑桌面
添加小米粒文库到电脑桌面
安装后可以在桌面快捷访问

二次结构钢筋技术交底VIP免费

二次结构钢筋技术交底_第1页
1/8
二次结构钢筋技术交底_第2页
2/8
二次结构钢筋技术交底_第3页
3/8
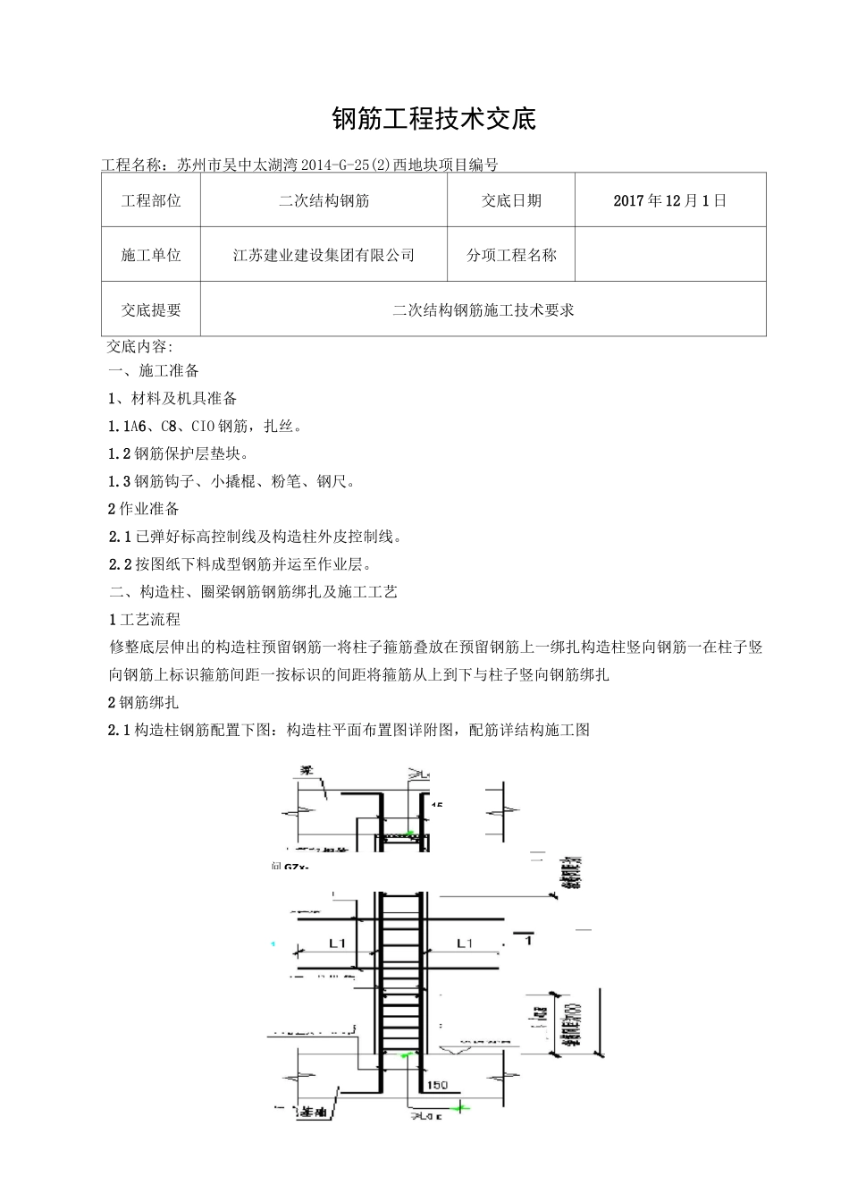
一钢筋工程技术交底工程名称:苏州市吴中太湖湾2014-G-25(2)西地块项目编号工程部位二次结构钢筋交底日期2017年12月1日施工单位江苏建业建设集团有限公司分项工程名称交底提要二次结构钢筋施工技术要求交底内容:一、施工准备1、材料及机具准备1.1A6、C8、CIO钢筋,扎丝。1.2钢筋保护层垫块。1.3钢筋钩子、小撬棍、粉笔、钢尺。2作业准备2.1已弹好标高控制线及构造柱外皮控制线。2.2按图纸下料成型钢筋并运至作业层。二、构造柱、圈梁钢筋钢筋绑扎及施工工艺1工艺流程修整底层伸出的构造柱预留钢筋一将柱子箍筋叠放在预留钢筋上一绑扎构造柱竖向钢筋一在柱子竖向钢筋上标识箍筋间距一按标识的间距将箍筋从上到下与柱子竖向钢筋绑扎2钢筋绑扎2.1构造柱钢筋配置下图:构造柱平面布置图详附图,配筋详结构施工图15问GZx-—12.2先将两根竖向受力钢筋平放在绑扎架上,并在钢筋上画出箍筋间距。2.3根据画线位置,将箍筋套在受力筋上逐个绑扎,要预留出搭接部位的长度。为防止骨架变形,宜采用反十字扣或套扣绑扎。箍筋应与受力钢筋保持垂直;箍筋弯钩叠合处,应沿受力钢筋方向错开放置。2.4穿另外二根受力钢筋并与箍筋绑扎牢固,箍筋端头平直长度不小于10d,弯钩角度不小于135°。2.5在柱顶、柱脚与圈梁钢筋交接的部位,应按设计和规范要求加密柱的箍筋,加密范围一般在圈梁上、下均不应小于六分之一层高或600mm,箍筋间距不宜大于100mm(柱脚加密区箍筋待柱骨架立起搭接后再绑扎)。柱顶、柱脚箍筋加密,加密范围1/6柱高,并不小于450mm,箍筋间距100mm。钢筋绑扎街头应避开箍筋加密区,同时接头范围的箍筋加密。2.6构造柱上下端钢筋连接:下端与预留钢筋搭接,检查搭接筋位置及搭接长度是否符合设计和规范的要求。底层构造柱无基础圈梁时,埋设在柱根部混凝土基础内,上端钢筋植入顶板、梁内,植入长度为20d。2.7对于底板上遗漏预留的钢筋也通过植筋的方法来锚固。2.8安装构造柱钢筋骨架:先在搭接处钢筋上套上箍筋,然后再将预制构造柱钢筋骨架立起来,对正伸出的搭接筋,搭接倍数不低于35d,对好标高线,在竖筋搭接部位各绑3个扣。骨架调整后,可以绑根部加密区箍筋。构造柱钢筋必须与各层纵横墙的圈梁腰梁钢筋绑扎连接,形成一个封闭框架。在砌砖墙留马牙槎时,沿墙高每400mm埋设两根2A6水平拉结筋,与构造柱钢筋绑扎连接。2.9砌完砖墙后,应对构造柱钢筋进行修整,以保证钢筋位置及间距准确。3、非承重墙的拉筋3.1框架柱、混凝土墙应根据建筑平面图中隔墙位置,沿柱、混凝土墙高度每隔500mm设置2A6拉筋,拉筋沿墙全长贯通。见下图:4+n3.2非承重隔墙中构造柱的平面位置及截面除见建筑平面图外,凡是在门窗洞口两侧墙体转角处及墙长大于5m时,应增设间距不大于3m的构造柱,门窗洞口大于2m时,两边应设置构造柱,构造柱应先砌墙后浇混凝土。3.3墙体的门窗洞口应设置钢筋混凝土框(已经设置构造柱的除外)下图:3.4砌体墙洞口边距柱或混凝土墙小于等于250mm的小墙肢构造,下图:3.5腰梁、过梁、窗台工艺流程:画钢筋位置线一放箍筋一穿圈梁受力筋一绑扎箍筋-i—^-rP漏擬土柱慎3.5.1住宅房屋应在每层墙高的中部增设高度为120mm,与墙体同宽的钢筋混凝土腰梁,配筋见A3.5.2顶层和顶层应设置通长现浇钢筋混凝土窗台梁,高度120mm,同墙宽,纵向钢筋4C10,箍筋A6@200;其他层窗台标高处应设置通长现浇混凝土窗台板带,图下图:墙厚3.5.3门窗等洞口顶部无梁时需要设置钢筋混凝土过梁,下图:Ln牺M上砒7WM1-5M

1、当您付费下载文档后,您只拥有了使用权限,并不意味着购买了版权,文档只能用于自身使用,不得用于其他商业用途(如 [转卖]进行直接盈利或[编辑后售卖]进行间接盈利)。
2、本站所有内容均由合作方或网友上传,本站不对文档的完整性、权威性及其观点立场正确性做任何保证或承诺!文档内容仅供研究参考,付费前请自行鉴别。
3、如文档内容存在违规,或者侵犯商业秘密、侵犯著作权等,请点击“违规举报”。

碎片内容

二次结构钢筋技术交底

确认删除?
微信客服
  • 扫码咨询
会员Q群
  • 会员专属群点击这里加入QQ群