电脑桌面
添加小米粒文库到电脑桌面
安装后可以在桌面快捷访问

节水型企业评价要求VIP免费

节水型企业评价要求_第1页
1/7
节水型企业评价要求_第2页
2/7
节水型企业评价要求_第3页
3/7
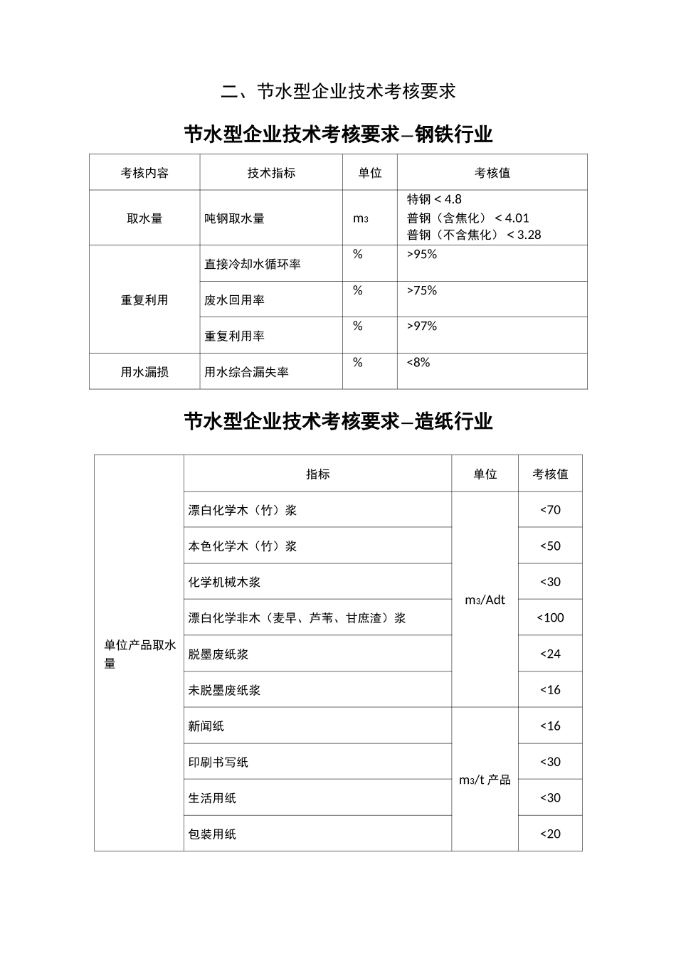
节水型企业评价要求一、节水型企业基本要求序号项目1生活用水不采用包费制2生活用水和生产用水分开计量3供汽锅炉冷凝水回收4间接冷却水和直接冷却水不直排5水计量器具的配备与管理符合GB24789的要求(附水计量器具一览表、技术档案等相关材料)6企业废水排放符合标准要求(附地方环保局证明)7不使用国家明令淘汰的用水设备和器具8有取用水资源的合法手续(附批件复印件)9有近3年(或5年)水平衡测试成果报告10新建、改建、扩建项目时实施节水“二同时〃、“四到位〃制度。节水“二同时”即节水设施必须与主体工程同时设计、同时施工、同时投入运行。“四到位〃即工业企业要做到用水计划到位、节水目标到位、管水制度到位、节水措施到位。二、节水型企业技术考核要求节水型企业技术考核要求—钢铁行业考核内容技术指标单位考核值取水量吨钢取水量m3特钢<4.8普钢(含焦化)<4.01普钢(不含焦化)<3.28重复利用直接冷却水循环率%>95%废水回用率%>75%重复利用率%>97%用水漏损用水综合漏失率%<8%节水型企业技术考核要求—造纸行业单位产品取水量指标单位考核值漂白化学木(竹)浆m3/Adt<70本色化学木(竹)浆<50化学机械木浆<30漂白化学非木(麦早、芦苇、甘庶渣)浆<100脱墨废纸浆<24未脱墨废纸浆<16新闻纸m3/t产品<16印刷书写纸<30生活用纸<30包装用纸<20白纸板<30箱纸板<22瓦楞原纸<20重复利用率纸浆%>70纸及纸板>85注:1、经抄浆机生产浆板时,允许在本定额的基础上增加1Om3/t;2、生产漂白脱墨废纸浆时,允许在本定额的基础上增加1Om3/t;3、生产涂布类纸及纸板时,允许在本定额的基础上增加1Om3/t;4、纸浆的计量单位为吨风干浆(含水10%);5、纸浆、纸、纸板的取水量定额指标分别计;6、高得率半化学本色木浆及草浆按本色化学木浆执行,机械木浆按化学机械木浆执行;7、不包括特殊浆种、薄页纸及特种纸的取水量。节水型企业技术考核要求—纺织染整行业―、取水量单位产品取水量1、棉、麻、化纤及混纺机织物(m3/100m)<22、丝绸机织物(m3/100m)<33、针织物及纱线(m3/t)<100二、重复利用1、重复利用率(%)>452、间接冷却水循环率(%)>953、冷凝水回用率(%)>984、废水回用率(%)>20三、用水漏损用水综合漏失率(%)<6%以棉色布为标准品,将标准品折合系数为1,机织物百米基准值为布幅宽度106cm、布重12.00kg/100m的合格产品,当棉机织产品布幅宽度或布重不冋时,计算其产品产量可按基准棉印染产品产量计算公式进行相应的换算。其他产品,可根据织物的长度、幅宽、厚度等数据按照FZ/T01002-2010《印染企业综合能耗计算办法及基本定额》中的规定进行换算。注2:毛织物单位产品取水量考核指标另行制定(以下同)。节水型企业技术考核要求—石油炼制行业考核内容考核值取水量加工吨原(料)油取水量(m3/t)<0.7重复利用重复利用率(%)>97.5浓缩倍数>4.0软化水、除盐水制取系数<1.10蒸汽冷凝水回收率(%)>60含硫污水汽提净化水回用率(%)>60污(废)水回用率(%)>50用水漏损用水综合漏失率(%)<7排水加工吨原(料)油排水量(m3/t)<0.35注:表中浓缩倍数指标是按间接冷却水循环系统中补充运行过程中损失的取水量确定的,当企业的间接冷却水循环系统的补充水中含有污(废)水回用水时何将浓缩倍数指标按污(废)水回用水水量占补充水总量的10%递减0.1进行确定。三、节水型企业管理评价要求序号考核指标考核内容考核方法评分1管理制度有科学合理的节水管理网络和岗位责任制。杳阅文件、网络图和工作记录。3有制定节水规划和年度节水计划。查阅有关文件和记录。3有健全的节水统计制度,定期向相关部门报送节水统计报表。查阅有关资料。32管理机构和人员有主要领导负责用水、节水工作。查阅有关文件及会议记录。3有用水、节水管理部门和专(兼)职用水、节水管理人员。杳阅企业上级主管部门文件。33管网(设备)管理有详细的供水管网图、排水管网图和计量网络图。查阅图纸及查看现场。3有日常巡杳和保修检修制度,定期对管道和设备进行检修。杳阅巡杳记录和洛实情况。34水计量管理原始记录和统计台账完整规范并定期进行分析。(不同用水性质分别计量)查阅台账和分析报告,核实...

1、当您付费下载文档后,您只拥有了使用权限,并不意味着购买了版权,文档只能用于自身使用,不得用于其他商业用途(如 [转卖]进行直接盈利或[编辑后售卖]进行间接盈利)。
2、本站所有内容均由合作方或网友上传,本站不对文档的完整性、权威性及其观点立场正确性做任何保证或承诺!文档内容仅供研究参考,付费前请自行鉴别。
3、如文档内容存在违规,或者侵犯商业秘密、侵犯著作权等,请点击“违规举报”。

碎片内容

节水型企业评价要求

您可能关注的文档

确认删除?
VIP
微信客服
  • 扫码咨询
会员Q群
  • 会员专属群点击这里加入QQ群
客服邮箱
回到顶部