电脑桌面
添加小米粒文库到电脑桌面
安装后可以在桌面快捷访问

船体检验细则VIP免费

船体检验细则_第1页
1/12
船体检验细则_第2页
2/12
船体检验细则_第3页
3/12
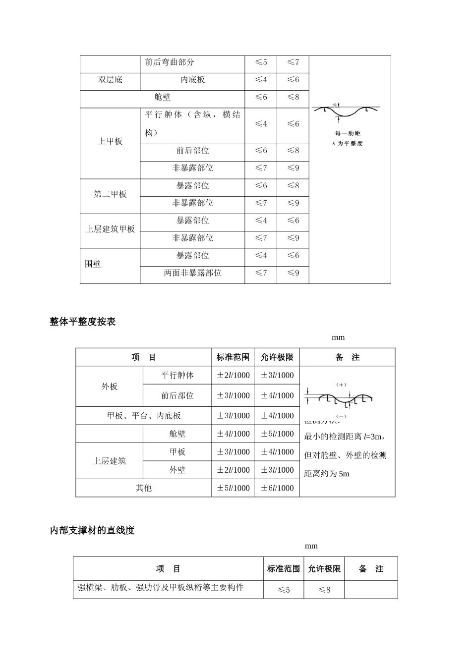
(一)检验程序1、确定各部门提交的检验申请单;2、认真查阅该检验项目的图纸,规范,技术通知单等资料做好技术准备;3、带上必备的检验器具(检测仪器必须是在检定日期内);4、现场检验的设施条件是否具备;(通风,照明,安全通道)5、对检验的项目准备的条件是否可以接受(检验项目区域的清洁卫生);6、实施检验:(1)分段完工检验(2)焊缝的成形;(3)焊缝表面气孔,焊渣,咬边;(4)焊缝的焊角,余高;(5)相同板厚连接错位;(6)不同板厚连接开过渡坡口;(7)外板,舱壁,甲板的平整度;(8)结构的直线度;(9)结构安装的正确性;(10)分段的完整性;焊缝尺寸偏差按表mm项目标准范围允许极限备注焊缝余高h≤0.2B≤6.0侧面角θ≤60°<90°焊缝咬边要求按表mm项目标准范围允许极限备注对焊缝咬边e主要构件—e≤0.5(1)e为0.5~0.8,如有尖锐咬边,即使咬边角度大于90°也要修整;(2)角焊缝包头如有尖锐形状要修整次要构件—e≤0.8填角焊咬边ee≤0.8角焊缝尺寸偏差mm项目标准范围允许极限备注规定焊脚尺寸K实际焊脚尺寸Ka规定焊喉尺寸h实际焊喉尺寸ha-Ka≥0.9Kha≥0.9h当焊脚尺寸未达到允许值时,应用细焊条进行修补。焊接变形mm项目标准范围允许极限备注舯0.6L区域内的外板e。e为肋骨间距外板变形量--≤6当超过极限范围时,可以矫正或割断后再重新装配焊接。艏艉部的外板e--≤7其他部位e--≤8局部平整度mm项目标准范围允许极限备注外板平行舯体(船侧板.船底板)≤4≤6前后弯曲部分≤5≤7双层底内底板≤4≤6舱壁≤6≤8上甲板平行舯体(含纵,横结构)≤4≤6前后部位≤6≤8非暴露部位≤7≤9第二甲板暴露部位≤6≤8非暴露部位≤7≤9上层建筑甲板暴露部位≤4≤6非暴露部位≤7≤9围壁暴露部位≤4≤6两面非暴露部位≤7≤9整体平整度按表mm项目标准范围允许极限备注外板平行舯体±2l/1000±3l/1000检测方法:最小的检测距离l=3m,但对舱壁、外壁的检测距离约为5m前后部位±3l/1000±4l/1000甲板、平台、内底板±3l/1000±4l/1000舱壁±4l/1000±5l/1000上层建筑甲板±3l/1000±4l/1000外壁±2l/1000±3l/1000其他±5l/1000±6l/1000内部支撑材的直线度mm项目标准范围允许极限备注强横梁、肋板、强肋骨及甲板纵桁等主要构件≤5≤8纵骨、肋骨、横梁及扶强材等次要构件长度L:L≥1000L<1000≤10≤5≤13≤8甲板间H型支柱≤4≤6撑材≤6≤10(二)分段合拢检验1、分段定位检验内容1.1底部分段检验内容1.1.1分段中心线相对船台中心线偏差。1.1.2分段肋位线相对船台肋位线偏差。1.1.3分段定位水平。1.1.4分段半宽基准点相对船台半宽线偏差。1.1.5分段高度基准点相对船台假设基线高度偏差。1.1.6肋骨,纵骨间距。1.2舷侧分段检验内容1.2.1甲板边线距假设基线高度偏差。1.2.2甲板边线相对船台半宽线偏差。1.2.3分段定位水平。1.2.4分段肋位线相对船台肋位线偏差。1.2.5肋骨间距。1.3甲板分段检验内容1.3.1甲板中心线相对外,内底(平台)中心线偏差。1.3.2甲板中心线高度。1.3.3甲板分段水平。1.3.4分段肋位线相对舷侧分段肋位线偏差。1.3.5肋骨间距。1.4纵,横壁分段检验内容1.4.1纵,横壁中心相对中心线偏差。1.4.2纵,横壁定位水平。1.4.3纵,横壁定位高度。1.4.4纵壁肋位相对外,内底(平台)肋位偏差。1.4.5纵,横垂直度。1.4.6肋骨间距。1.5机舱分段检验内容1.5.1中心纵桁相对中心线偏差。1.5.2平台(甲板)边线相对船台半宽线线偏差。1.5.3平台(甲板)边线相对船台假设基线偏差。1.5.4平台(甲板)定位水平。1.5.5分段肋位线相对船台肋位线偏差。1.5.6肋骨间距。1.6首尾立体分段检验内容1.6.1分段中心相对中心线偏差。1.6.2分段定位水平。1.6.3首端(或尾端)相对船台肋位线(首,尾止线)位置偏差。1.6.4首端(或尾端)相对船台假设基线高度偏差。1.6.5肋骨间距。1.7上层建筑分段检验内容1.7.1各层甲板定位水平。1.7.2分段中心线相对主甲板中心线偏差。1.7.3分段各层之间高度。1.7.4分段前,后围壁相对主甲板肋位偏差,两侧围壁相对主甲板纵桁位置偏差。1.8主机座分段检验内容1.8.1主机座定位水平。1.8.2主机座面板对轴线高度偏差。1.8.3主机座面板相对轴线半宽偏差。1.8....

1、当您付费下载文档后,您只拥有了使用权限,并不意味着购买了版权,文档只能用于自身使用,不得用于其他商业用途(如 [转卖]进行直接盈利或[编辑后售卖]进行间接盈利)。
2、本站所有内容均由合作方或网友上传,本站不对文档的完整性、权威性及其观点立场正确性做任何保证或承诺!文档内容仅供研究参考,付费前请自行鉴别。
3、如文档内容存在违规,或者侵犯商业秘密、侵犯著作权等,请点击“违规举报”。

碎片内容

船体检验细则

您可能关注的文档

确认删除?
VIP
微信客服
  • 扫码咨询
会员Q群
  • 会员专属群点击这里加入QQ群
客服邮箱
回到顶部