电脑桌面
添加小米粒文库到电脑桌面
安装后可以在桌面快捷访问

综合布线工艺VIP免费

综合布线工艺_第1页
1/7
综合布线工艺_第2页
2/7
综合布线工艺_第3页
3/7
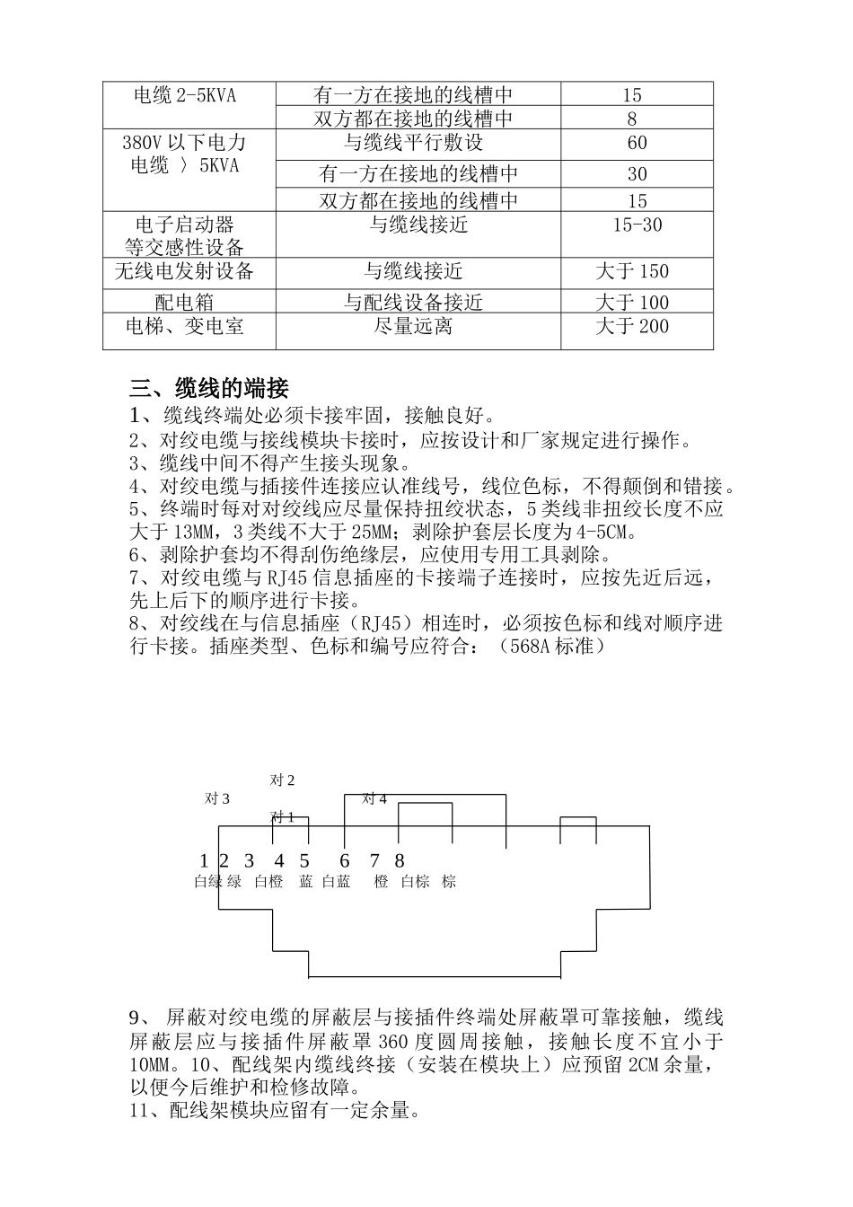
综合布线系统工程安装工艺为了提高施工队伍的整体素质和操作技能,保证施工质量,提高工作效率,合理利用材料,使工程施工专业化,规范化,工程管理部结合公司几年的综合布线系统工程施工经验和总结,制定出综合布线系统工程安装工艺(主要针对IBDN布线产品),以便更好的指导工程施工。施工人员应严格按照综合布线系统工程的安装工艺要求及操作规程进行施工。本安装手册还有许多需完善之处,希望在施工过程中不断得到总结和补充。综合布线系统工程施工主要步骤如下:1、预埋暗管、墙盒2、缆线的布放3、缆线的端接(包括安装主配线架、分配线架、信息插座)4、布线系统测试5、验收规范一、预埋暗管在土建工程开始的初期,线管的预埋和线槽与桥架的敷设需要与土建工程同步进行。因此,在预埋线管施工过程中,应充分了解土建具体情况,同时应与施工单位,建设单位密切配合,合理进行暗管预埋工作。1、预埋暗管、预留孔洞的位置、数量、尺寸应符合施工设计要求。2、暗管宜采用金属管或阻燃硬质PVC管,预埋在墙体内暗管内径不宜超过Ф50MM,楼板中的暗管内径宜为Ф15-25MM。3、直线布管30M处应设置拉线盒;在弯曲布管时,每间隔15M处应设置拉线盒,两个弯头7M处设拉线盒,以便于布放缆线和维修。4、暗管的转弯角度应大于90度,路径上每根暗管转弯角不得多于两个,并不应有S弯出现;不可使用直角弯头。5、暗管转弯的曲率半径不应小于该管外径的6倍,如暗管外径大于Ф50MM时,不应小于10倍。6、所有出线盒、转线盒、拉线盒须用锁扣;所有预埋暗管(PVC)接头处应上胶固定;金属管出线盒、转线盒开孔处应加橡胶防护圈。7、暗管内应无阻挡,道口应无毛刺,并安置牵引线或拉线。8、管内穿放大对数电缆时,直线管路的管径利用率宜为50-60%,弯管路的管径利用率宜为40-50%;桥架利用率为50%。9、预埋墙盒为86*86*50盒,底边距地0.3m,(在具体施工过程中,可根据土建或甲方要求确定)安装要求横平竖直、安装深度与墙面平齐。10、钢管、PVC管容纳线缆统计表(弯管情况)管型CAT3UTP4PCAT5UTP4P钢管PVC管钢管PVC管Ф163根1根2根1根Ф204根3根3根2根Ф256根5根4根3根Ф3212根10根12根8根Ф40二、缆线的布放1、缆线布放前,先检查预埋线管、出线墙盒、配线箱、托盘安装是否到位、是否畅通。2、缆线布放前,应核对布放缆线的规格、程式、路由及位置与施工设计相符。3、电缆布放应平直,不得产生扭绞、打圈等现象,不应受到外力的挤压和损伤。4、在天花板封顶之前,完成从配线架到各工作区的水平线缆的布放;主干电缆的布放包括3、5类大对数电缆的布放和光缆的敷设(有关光缆敷设要求可参见相关安装工艺)。5、通常情况下,由弱电竖井出发的线缆先进入吊顶中的线槽或桥架,到达房间位置后再分出支管到房间内吊顶,剔墙而下至信息出口处。6、电源线、信号电缆、对绞电缆及建筑物内其他弱电系统的缆线应分离布放;不同种类的缆线布放在金属线槽内,应同槽分室(用金属板隔开)布放,以便防止电磁干扰。7、缆线布放时应有冗余。在交接间、设备间对绞电缆预留长度应为配线箱内周长,工作区处预留20CM。8、缆线的弯曲半径应符合下列规定:1)非屏蔽4对对绞电缆的弯曲半径应至少为电缆外径的4倍。2)屏蔽4对对绞电缆的弯曲半径应至少为电缆外径的6倍。3)主干对绞电缆的弯曲半径应至少为电缆外径的10倍。9、布放水平电缆线以前,应对信息点进行配线估算,充分利用好每箱线,做到节约用线。10、穿放缆线时,拉线用力应适度,不得野蛮施工。11、穿线过程中,特别是在与金属管、转线盒等断面接触时,应保护好缆线护套层。13、穿放缆线前,应及时做好电缆两端识别标记;缆线布放到位后,应对音两次,穿放电缆后及时对音一次,发现问题,及时整改;绑扎电缆时,安装配线架前再对音一次。14、缆线布放与其他干扰源的间距:干扰源与综合布线接近状况最小间距(CM)380V以下电力电缆〈2KVA与缆线平行敷设13有一方在接地的线槽中7双方都在接地的线槽中3380V以下电力与缆线平行敷设30电缆2-5KVA有一方在接地的线槽中15双方都在接地的线槽中8380V以下电力电缆〉5KVA与缆线平行敷设60有一方在接地的线槽中30双方都在接地...

1、当您付费下载文档后,您只拥有了使用权限,并不意味着购买了版权,文档只能用于自身使用,不得用于其他商业用途(如 [转卖]进行直接盈利或[编辑后售卖]进行间接盈利)。
2、本站所有内容均由合作方或网友上传,本站不对文档的完整性、权威性及其观点立场正确性做任何保证或承诺!文档内容仅供研究参考,付费前请自行鉴别。
3、如文档内容存在违规,或者侵犯商业秘密、侵犯著作权等,请点击“违规举报”。

碎片内容

综合布线工艺

您可能关注的文档

确认删除?
VIP
微信客服
  • 扫码咨询
会员Q群
  • 会员专属群点击这里加入QQ群
客服邮箱
回到顶部