电脑桌面
添加小米粒文库到电脑桌面
安装后可以在桌面快捷访问

(工艺流程)工艺流程卡片VIP免费

(工艺流程)工艺流程卡片_第1页
1/9
(工艺流程)工艺流程卡片_第2页
2/9
(工艺流程)工艺流程卡片_第3页
3/9
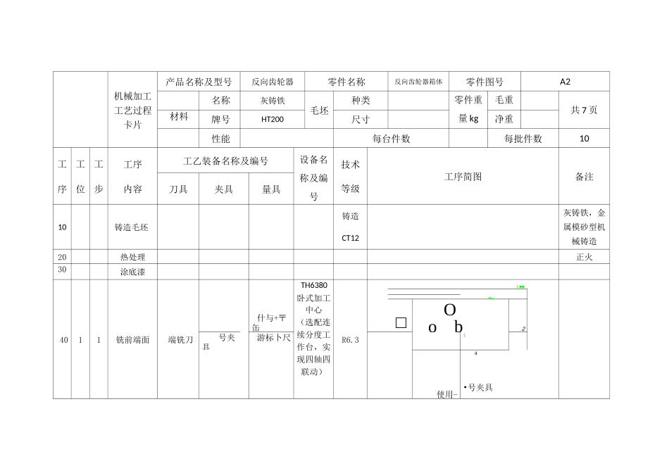
机械加工工艺过程卡片产品名称及型号反向齿轮器零件名称反向齿轮器箱体零件图号A2名称灰铸铁毛坯种类零件重量kg毛重共7页材料牌号HT200尺寸净重性能每台件数每批件数10工序工位工步工序内容工乙装备名称及编号设备名称及编号技术等级工序简图备注刀具夹具量具10铸造毛坯铸造CT12灰铸铁,金属模砂型机械铸造20热处理正火30涂底漆4011铣前端面端铣刀什与+〒缶TH6380卧式加工中心(选配连续分度工作台,实现四轴四联动)R6.3L■■r~□Oo__b_2号夹具游标卜尺1使用-4•号夹具5011粗铣上盖结合面咼速钢套式面铣刀二号夹具游标卡尺2半粗铣上盖结合面咼速钢套式面铣刀二号夹具游标卡尺3精铣上盖结合面咼速钢套式面铣刀二号夹具三棱平尺、游标卡尺4铣箱体内斜槽咼速钢圆柱形铣刀二号夹具钢尺5钻上盖结合面上的4个①12的孔直柄麻花钻二号夹具游标卡尺6钻上盖结合面上的4个螺纹底孔直柄麻花钻二号夹具TH6380卧式加工中心(选配连续分度工作台,实现四轴四联动)Ral.6R6.3配用转位夹具定位夹紧(使用二号夹具)7钻上盖结合面上的4个①5油孔直柄短麻花钻二号夹具游标卡尺8攻上盖结合面上的4个螺纹细柄机用丝锥二号夹具TH6380卧式加工中心(选配连续分度工作台,实现四轴四联动)21铣左端面咼速钢圆柱形铣刀二号夹具游标卡尺2铣吊耳左端面咼速钢圆柱形铣刀二号夹具游标卡尺3钻左端面上均布的3个M6的螺纹底孔直柄麻花钻二号夹具4钻左端面上①5的油孔直柄麻花钻二号夹具游标卡尺5攻左端面上的3个均细柄机用丝锥二号夹具R6.3深度34mm号夹具定位夹紧旋转90度布螺纹31铣下底面四个角的端面咼速钢圆柱形铣刀二号夹具游标卡尺2铣吊耳上凸台面咼速钢套式面铣刀二号夹具3钻吊耳上①8的销孔直柄麻花钻二号夹具4钻下底面上M12的螺纹底孔(①10.2)直柄麻花钻二号夹具5锪四角下面上4个①16的沉头孔咼速钢锪钻二号夹具游标卡尺6锪下底面上①20的孔咼速钢锪钻二号夹具游标卡尺7攻下底面上的螺纹细柄机用丝锥二号夹具TH6380卧式加工中心(选配连续分度工作台,实现四轴四R6.3R6.3旋转90度8钻下底面边角上的2个①5的锥销孔直柄麻花钻二号夹具联动)41铣右端面咼速钢圆柱形铣刀二号夹具游标卡尺R6.32铣吊耳右端面咼速钢圆柱形铣刀二号夹具游标卡尺TH6380卧式加3钻右端面上均布的3个M6的螺纹底孔直柄麻花钻二号夹具4钻右端面上①5的油孔直柄麻花钻二号夹具游标卡尺深度35mm号夹具定位夹紧旋转90度5攻右端面上的3个均布螺纹细柄机用丝锥二号夹具6011粗镗左端面①47轴承孔镗刀三号夹具游标卡尺2半精镗左端面①47轴承孔镗刀三号夹具游标卡尺3精镗左端面①47轴承孔镗刀三号夹具游标卡尺塞规4粗镗①35吊耳孔镗刀三号夹具游标卡尺5精镗①35吊耳孔镗刀三号夹具游标卡尺塞规21钻前端面上2个①10的通孔直柄麻花钻三号夹具工中心(选配连续分度工作台,实现四轴四联动)R1.6号夹具定位夹紧R3.2旋转90度2锪2个深度15mm的孑L咼速钢锪钻三号夹具游标卡尺TH6380卧式加工中心(选配连续分度工作台,实现四轴四联动)3扩铰刖端面上①12的孔直柄机用铰刀三号夹具内径千分尺R1.6)nd厂4钻前端面上2个M12的螺纹底孔直柄麻花钻三号夹具游标卡尺45攻前端面上2个M12的螺纹细柄机用丝锥三号夹具1■1使用三号夹具定位夹紧31粗镗右端面①35轴承孔镗刀三号夹具游标卡尺旋转90度2半精镗左端①35轴承孔镗刀三号夹具游标卡尺3精镗左端①35轴承孔镗刀三号夹具游标卡尺塞规R1.6三号夹具定位夹紧70清洗80终检更改内容编制校对审核会签

1、当您付费下载文档后,您只拥有了使用权限,并不意味着购买了版权,文档只能用于自身使用,不得用于其他商业用途(如 [转卖]进行直接盈利或[编辑后售卖]进行间接盈利)。
2、本站所有内容均由合作方或网友上传,本站不对文档的完整性、权威性及其观点立场正确性做任何保证或承诺!文档内容仅供研究参考,付费前请自行鉴别。
3、如文档内容存在违规,或者侵犯商业秘密、侵犯著作权等,请点击“违规举报”。

碎片内容

(工艺流程)工艺流程卡片

确认删除?
VIP
微信客服
  • 扫码咨询
会员Q群
  • 会员专属群点击这里加入QQ群
客服邮箱
回到顶部