电脑桌面
添加小米粒文库到电脑桌面
安装后可以在桌面快捷访问

塔吊检查记录簿表(最全)VIP免费

塔吊检查记录簿表(最全)_第1页
1/42
塔吊检查记录簿表(最全)_第2页
2/42
塔吊检查记录簿表(最全)_第3页
3/42
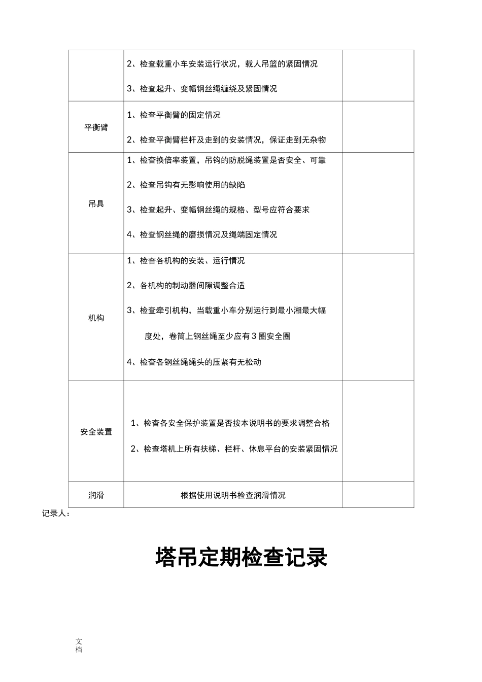
文档塔吊定期检查记录工程名称:年月日检杳项目检杳内容检查结果基础1.检查地脚螺栓的情况2.检查输电线距塔机最大旋转部分的安全距离并检查电缆通过情况,以防损坏塔身检查标准节连接螺栓的紧固情况爬升架1、检查与下支座的连接情况2、检查各滚轮、活动爬爪、销轴连接各部件的转动或摆动是否灵活3、检查走到、栏杆的紧固情况上、下支座司机室1、检查与回转支承连接的螺栓紧固情况2、检查电缆的通行状况3、检查平台、栏杆的紧固情况4、检查与司机室的连接情况5、司机室内严禁存放润滑油、油棉纱及其它易燃品塔帽1、检查起重臂、栏杆、平衡臂拉杆的安装情况2、检查扶梯、平台、护栏的安装情况3、保证起升钢丝绳穿扰正确起重臂1、检查各处连接销轴、垫圈、开口销安装的正确性文档2、检查载重小车安装运行状况,载人吊篮的紧固情况3、检查起升、变幅钢丝绳缠绕及紧固情况平衡臂1、检查平衡臂的固定情况2、检查平衡臂栏杆及走到的安装情况,保证走到无杂物吊具1、检杳换倍率装置,吊钩的防脱绳装置是否安全、可靠2、检查吊钩有无影响使用的缺陷3、检查起升、变幅钢丝绳的规格、型号应符合要求4、检查钢丝绳的磨损情况及绳端固定情况机构1、检杳各机构的安装、运行情况2、各机构的制动器间隙调整合适3、检查牵引机构,当载重小车分别运行到最小湘最大幅度处,卷筒上钢丝绳至少应有3圈安全圈4、检杳各钢丝绳绳头的压紧有无松动安全装置1、检杳各安全保护装置是否按本说明书的要求调整合格2、检查塔机上所有扶梯、栏杆、休息平台的安装紧固情况润滑根据使用说明书检查润滑情况记录人:塔吊定期检查记录文档工程名称:年月日检杳项目检查内容检查结果电气系统1电线、电缆是否损坏、破皮2、电机是否过热3、电控箱、配电箱是否清洁4、各安全装置的行程开关触点开闭是否可靠,触头弧坑是否磨光5、保护接地电阻测试数据6、绝缘电阻测试数据记录人:测试人:文档塔吊定期检查及维护工程名称:年月日检查项目检杳内容检查结果维护方法基础1、检查地脚螺栓的情况2、检查输电线距塔机最大旋转部分的安全距离并检查电缆通过情况,以防损坏塔身检查标准节连接螺栓的紧固情况爬升架1、检查与下支座的连接情况2、检查各滚轮、活动爬爪、销轴连接各部件的转动或摆动是否灵活3、检查走到、栏杆的紧固情况上、下支座司机室1、检查与回转支承连接的螺栓紧固情况2、检查电缆的通行状况3、检查平台、栏杆的紧固情况4、检查与司机室的连接情况5、司机室内严禁存放润滑油、油棉纱及其它易燃品塔帽1、检查起重臂、栏杆、平衡臂拉杆的安装情况2、检查扶梯、平台、护栏的安装情况文档3保证起升钢丝绳穿扰正确起重臂1、检杳各处连接销轴、垫圈、开口销安装的正确性2、检杳载重小车安装运行状况,载人吊篮的紧固情况3、检查起升、变幅钢丝绳缠绕及紧固情况平衡臂1、检查平衡臂的固定情况2、检杳平衡臂栏杆及走到的安装情况,呆证走到无杂物吊具1、检杳换倍率装置,吊钩的防脱绳装置是否安全、可靠2、检查吊钩有无影响使用的缺陷3、检杳起升、变幅钢丝绳的规格、型号应符合要求4、检查钢丝绳的磨损情况及绳端固定情况机构1、检杳各机构的安装、运行情况2、各机构的制动器间隙调整合适3、检杳牵引机构,当载重小车分别运行到最小和最大幅度处,卷筒上钢丝绳至少应有3圈安全圈4、检杳各钢丝绳绳头的压紧有无松动安全装置1、检杳各安全保护装置是否按本说明书的要求调整合格2、检杳塔机上所有扶梯、栏杆、休息平台的安装紧文档固情况润滑根据使用说明书检查润滑情况记录人:塔式起重机定期检查及维护记录年月日目项塔吊结构确否是装立口全是销樹开灵UP毛蝮□纹裂劳疲开变否是构结否是置位董绳轮钩系统好良否是滑闰/电幺一标废艮+J到达否是损磨和丝断/确是孵准□准标家国合符否是二于象现塞卡无有靠可舌灵否是动转轮骨位RM立口各靠可否是置达否是损磨钩吊传动系统声向有/稳是确否是号牌油滑闰/好良滑闰/否是点骨闰靠可舌気否是离文档电器系统否是细%加亠5哇士好良否是点触會口M电断碳靠可靠可舌灵否是亂控靠可全齐置安全限位和保险装置误综H,靠可舌灵否是靠否是口苛制限%量5重的□靠可灵否是靠可灵否是靠可灵否是靠可灵否...

1、当您付费下载文档后,您只拥有了使用权限,并不意味着购买了版权,文档只能用于自身使用,不得用于其他商业用途(如 [转卖]进行直接盈利或[编辑后售卖]进行间接盈利)。
2、本站所有内容均由合作方或网友上传,本站不对文档的完整性、权威性及其观点立场正确性做任何保证或承诺!文档内容仅供研究参考,付费前请自行鉴别。
3、如文档内容存在违规,或者侵犯商业秘密、侵犯著作权等,请点击“违规举报”。

碎片内容

塔吊检查记录簿表(最全)

wxg+ 关注
实名认证
内容提供者

该用户很懒,什么也没介绍

确认删除?
VIP
微信客服
  • 扫码咨询
会员Q群
  • 会员专属群点击这里加入QQ群
客服邮箱
回到顶部