电脑桌面
添加小米粒文库到电脑桌面
安装后可以在桌面快捷访问

大功率装置用多路输出高压隔离新型开关电源设计VIP免费

大功率装置用多路输出高压隔离新型开关电源设计_第1页
1/6
大功率装置用多路输出高压隔离新型开关电源设计_第2页
2/6
大功率装置用多路输出高压隔离新型开关电源设计_第3页
3/6
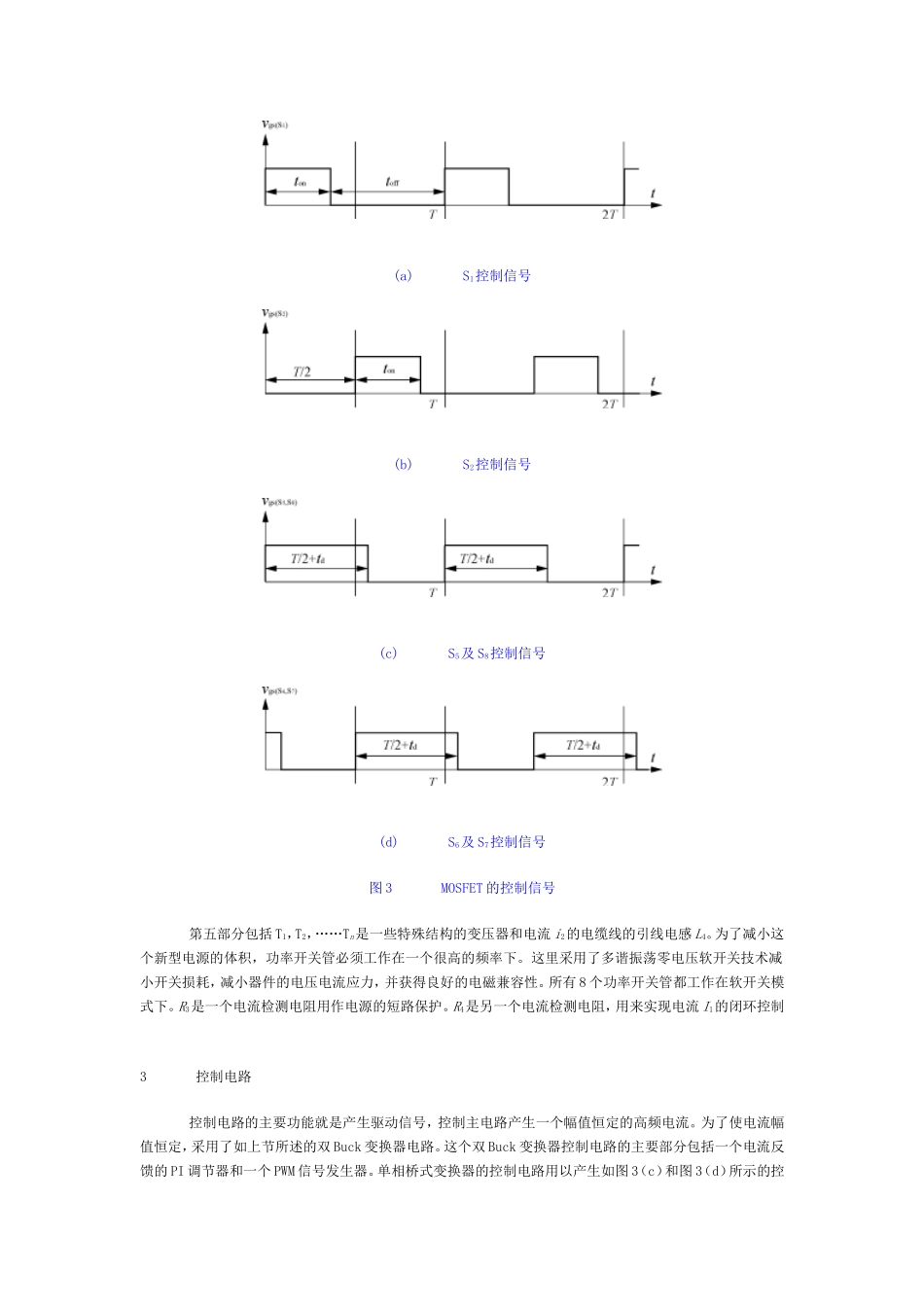
大功率装置用多路输出高压隔离新型开关电源设计夏凌辉,吕征宇,费万民(浙江大学电力电子国家重点实验室,浙江杭州310027)摘要:基于专利技术[1],通过设计高频交流电流源和一种特殊的输出变压器,研制了一种用于短路故障限流器中晶闸管驱动的多输出开关电源。给出了主电路拓扑结构,叙述了输出变压器的结构及特点,分析了系统的工作原理,进行了校验电源有效性的仿真,开发了一台样机并成功应用在限流器实验装置中。关键词:多路输出;高压隔离;驱动电源;短路故障限流器1引言随着高压大功率电力电子装置的不断发展,串接在一起的驱动电源之间,往往需要承受极高的工作电压。近来,多级隔离技术越来越多地被用在电路的驱动系统中,以满足高电压隔离的需要;但这同时也使得开关管的驱动电路越来越复杂。如图1所示是一个使用在三相接地系统中的固态短路限流器。它是由晶闸管三相整流器和一个限流电感组成的。限流器主要被用在15kV的电力系统中。考虑到电源电压的波动,晶闸管阻断电压限制和均压系数等因素,图1中所示限流器中的每个晶闸管阀在实际中必须要用8个6kV等级的晶闸管串联组成。这样在限流器中的晶闸管总数达到了64个,则至少需要有61路高压隔离驱动电源用到这些晶闸管的门极驱动中。所以,开发一个新型的电源用作限流器中晶闸管的门极驱动电源是一项非常重要的任务。图1三相接地系统固态短路限流器主电路拓扑DusanM.Raonic[2]提出了一种晶闸管自我供能的门极驱动方式,它把一个缓冲电容作为能量存贮单元,解决了几乎每个功率开关管都存在的对隔离电源的需求。但是,这种方式只能被用于工作在功率变换器直流侧的晶闸管和GTO的门极驱动中。ChangLiuchen[3]研制了一种驱动板电源用于三相逆变器中大功率IGBT的驱动,它通过一个多绕组的变压器,实现了4路相互隔离的输出。这种电源的缺点是随着输出路数和隔离电压的增加会导致变压器的结构很复杂,体积极庞大。HeinemannLotharetal[4]提出了一种具有超高压隔离性能的电源用作IGBT的门极驱动,它使用了一种特殊结构的变压器,于是只能有一路输出。如果这种电源被用到如图1所示的固态短路故障限流器中,61路驱动电源将会不可避免地导致装置体积庞大,而且安装和配线都会有很大的不便。基于专利技术[1],研制了一种具有多路输出,高压隔离性能的实用新型开关电源,用于多管驱动。该开关电源采用了磁环作输出变压器,仅由无需弯曲的电缆穿过1次形成单匝原边,副边就可以输出10W以上的功率,经过简单的整流和稳压形成一路驱动电源。因而驱动电源路数极易增减,既可按装置需要随意安装又易达到极高的隔离电压(仅取决于电缆的绝缘性)。应用在要求很多路输出,高隔离电压的大功率装置,如固态短路故障限流器中,此电源已体现了无可比拟的优越性。2主电路拓扑新型电源的主电路拓扑如图2所示。它由5个部分组成。第一部分是一个由4个二极管组成的单相整流器。第二部分是半桥拓扑结构,它主要由MOSFETS3及S4和电容C1及C2组成。这个部分是新型电源中辅助电源的主电路。图2新型电源的主电路拓扑第三部分的功能是产生一个幅值恒定的直流电流I1。由于这里采用的PWM开关控制芯片是专门为移相全桥变换器电路设计的,满足全桥变换器需要的4路48%占空比的PWM驱动信号,通过简单组合可形成两路占空比48%内可调的PWM驱动信号,所以恒流源的主电路采用了一个双Buck的电路拓扑。这个双Buck变换器等效于两个普通的单Buck变换器的并联。MOSFETS1,二极管D1,电感L2组成了一个单Buck变换器;MOSFETS2,二极管D2,电感L3组成了另一个。这两个单Buck变换器分别由两路互补对称的PWM驱动信号控制。它们和电感L1,二极管D3一起组成了双Buck变换器。两个单Buck变换器共同使用电感L1,这样电感L2和L3的体积和重量都可以减小。二极管D3的功能是箝制恒流输出型双Buck变换器的输出电压,使它不超过整流器的输出电压。第四部分是一个单相的全桥变换器,它把幅值恒定的直流电流I1变换成高频的交流电流i2。S5和S8(或S6和S7)由同一个驱动信号控制,实现了同步开通和关断。S1及S2和S5~S8的控制信号如图3所示。当S6及S7开通且S5及S8关断时,按照图2所定义的i2的正方...

1、当您付费下载文档后,您只拥有了使用权限,并不意味着购买了版权,文档只能用于自身使用,不得用于其他商业用途(如 [转卖]进行直接盈利或[编辑后售卖]进行间接盈利)。
2、本站所有内容均由合作方或网友上传,本站不对文档的完整性、权威性及其观点立场正确性做任何保证或承诺!文档内容仅供研究参考,付费前请自行鉴别。
3、如文档内容存在违规,或者侵犯商业秘密、侵犯著作权等,请点击“违规举报”。

碎片内容

大功率装置用多路输出高压隔离新型开关电源设计

确认删除?
VIP
微信客服
  • 扫码咨询
会员Q群
  • 会员专属群点击这里加入QQ群
客服邮箱
回到顶部