电脑桌面
添加小米粒文库到电脑桌面
安装后可以在桌面快捷访问

QTZ63系列塔吊主要参数表VIP免费

QTZ63系列塔吊主要参数表_第1页
1/5
QTZ63系列塔吊主要参数表_第2页
2/5
QTZ63系列塔吊主要参数表_第3页
3/5
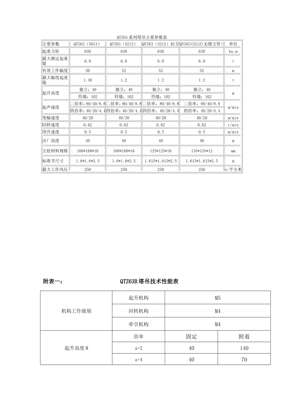
QTZ63系列塔吊主要参数表主要参数QTZ63(5013)QTZ63(5212)QTZ63(5212)扣方QTZ63(5212)无缝方管)单位起重力矩630630630630kn.m最大额定起重量6.06.06.06.0t有效工作幅度50525252m最大幅度起重量1.301.21.21.2t起升高度独立:40独立:40独立:40独立:40m符墙:102符墙:102符墙:102符墙:102起声速度二倍率:80/40/8.8二倍率:80/40/8.8二倍率:80/40/8.8二倍率:80/40/8.8m/min四倍率:40/20/4.4四倍率:40/20/4.4四倍率:40/20/4.4四倍率:40/20/4.4变幅速度40/2040/2040/2040/20m/min回转速度0.620.620.620.62r/min顶升速度0.50.50.50.5m/min出厂高度40404040m主肢材料规格160*160*16160*160*16125*125*10135*135*12mm标准节尺寸1.6*1.6*2.51.6*1.6*2.51.615*1.615*2.51.615*1.615*2.5m最大工作风压250250250250n/平方米附表一:QTZ63B塔吊技术性能表机构工作级别起升机构M5回转机构M4牵引机构M4起升高度M倍率固定附着a=240140a=44070最大起重量t6幅度M最大幅度m45,50最小幅度m2起升机构速度倍率a=2a=4起重量t331.5663速度M/min8.540804.252040电机型号、功率、转速YZTD250M2-4/8/32-24/24/5.4KW-1410/710/150R/min回转机构转速电机型号功率转速0.6r/minYZR132M1-62×2.2KW908r/min牵引机构转速电机型号功率转速42/21m/minYD132S-4/8-B53.3/2.2KW1440/710r/min顶升机构转速电机型号功率转速0.5工作压力18MPa平衡重臂长m重量t45115012总功率31.7KW(不包括顶升电机)工作温度-20℃~40℃附表二:起重性能表幅度R(m)50m臂长起重量Q(kg)50m臂长起重量Q(kg)2倍率4倍率2倍率4倍率2~13.72300060003000600014300058653000600014.18300056463000600015300054263000576816300050463000536517300047123000501218300044173000469919300041543000441220300039183000417121300037063000394722300035143000374323300033393000355824300031803000338825300030323000323325.233000300031992628973000309026.27281230002727722958282656283529254927213024492615302355251632226824243321862337342108225535203621783619672106371902203738184119723917831911401728185241167617974216261744431578169444153316464514901600461449471409481371491335501300QTZ5013B塔身节形式:基础节:1.5×1.5×5.5米整体(1.633吨),标准节:1.5×1.5×2.5米片式(0.923吨),套架总成:(套架截面:2×2米;高7.16米)2.2吨回转:3.44吨平衡臂:12.39米(2.91t)塔头及驾驶室节:0.95吨最大自由高度基础受力(吨):P=37,M=186,H=8起重性能:幅度/米18.8420222426283032343638404244464850吊重/吨4.003.753.373.072.802.582.392.222.061.931.811.701.611.521.441.361.30幅度/米19.032022242628303234363840424445吊重/吨4.003.793.413.102.842.612.412.242.091.961.841.731.631.541.50幅度/米19.222022242628303234363840吊重/吨4.003.833.453.142.842.872.442.272.121.981.861.75幅度/米19.65202224262830323436吊重/吨4.003.923.543.212.942.702.502.332.172.10自由高度:固定式:满顶12节标准节:35.5米行走式:满顶12节标准节:36.5米起重臂长组合(由起重臂臂根至臂尖顺序)6表示该大臂节上部装有大臂拉杆起重臂臂长起重臂组合顺序35米6m-6m-6m-6m-6m-5m40米6m-6m-6m-6m-5m-6m-5m45米6m-6m-6m-6m-5m-6m-5m-5m50米6m-6m-6m-6m-5m-5m-6m-5m-5m配重起重臂长(米)平衡臂长配置组合配重重量(吨)最大起重量(吨)5011.642A4.164452A4.1644401B2.168351B2.168配重形式A=2082KgB=2168Kg塔吊机构参数:主卷扬机构:YZRW200L-6B3起升速度(米/分):(2)5米/分(2.5t);38米/分(2.5t);81米/分(1.3t)(2/4)2.5米/分(4t);19米/分(4t);40.5米/分(2.5t)主卷扬电机功率:22kw卷筒最大容绳量:425m钢丝绳直径:φ11变幅机构:YZR132M1-6变幅速度(米/分):33变幅电机功率:2.2Kw钢丝绳直径:φ回转机构:YZR132M2-6回转速度(tr/min):0~0.67回转电机功率:3.7Kw行走机构:Y100L2-4B3行走速度(米/分):23行走电机功率:3×2kw电网参数:电源:380V50HZ电缆截面面积(平方毫米):25附墙与塔高和标准节的关系:说明:H-塔吊高度(m)N-标准节数量n1-附墙数量H1-第一道附墙高度H2-自由高度附墙性能:附着式塔机吊钩最大高度达106米,应设有4道附着装置。第一道附着装置距离轨道或混凝土基础平面小于28米,第二道距离第一道为20米,第三道距离第二道为20米,第四道距离第三道为19米,塔身悬高不大于23米。NHn1H1H24010642821.33388.532822.82568.522822.81748.512822.8

1、当您付费下载文档后,您只拥有了使用权限,并不意味着购买了版权,文档只能用于自身使用,不得用于其他商业用途(如 [转卖]进行直接盈利或[编辑后售卖]进行间接盈利)。
2、本站所有内容均由合作方或网友上传,本站不对文档的完整性、权威性及其观点立场正确性做任何保证或承诺!文档内容仅供研究参考,付费前请自行鉴别。
3、如文档内容存在违规,或者侵犯商业秘密、侵犯著作权等,请点击“违规举报”。

碎片内容

QTZ63系列塔吊主要参数表

确认删除?
VIP
微信客服
  • 扫码咨询
会员Q群
  • 会员专属群点击这里加入QQ群
客服邮箱
回到顶部