电脑桌面
添加小米粒文库到电脑桌面
安装后可以在桌面快捷访问

地下停车库设计规定VIP免费

地下停车库设计规定_第1页
1/6
地下停车库设计规定_第2页
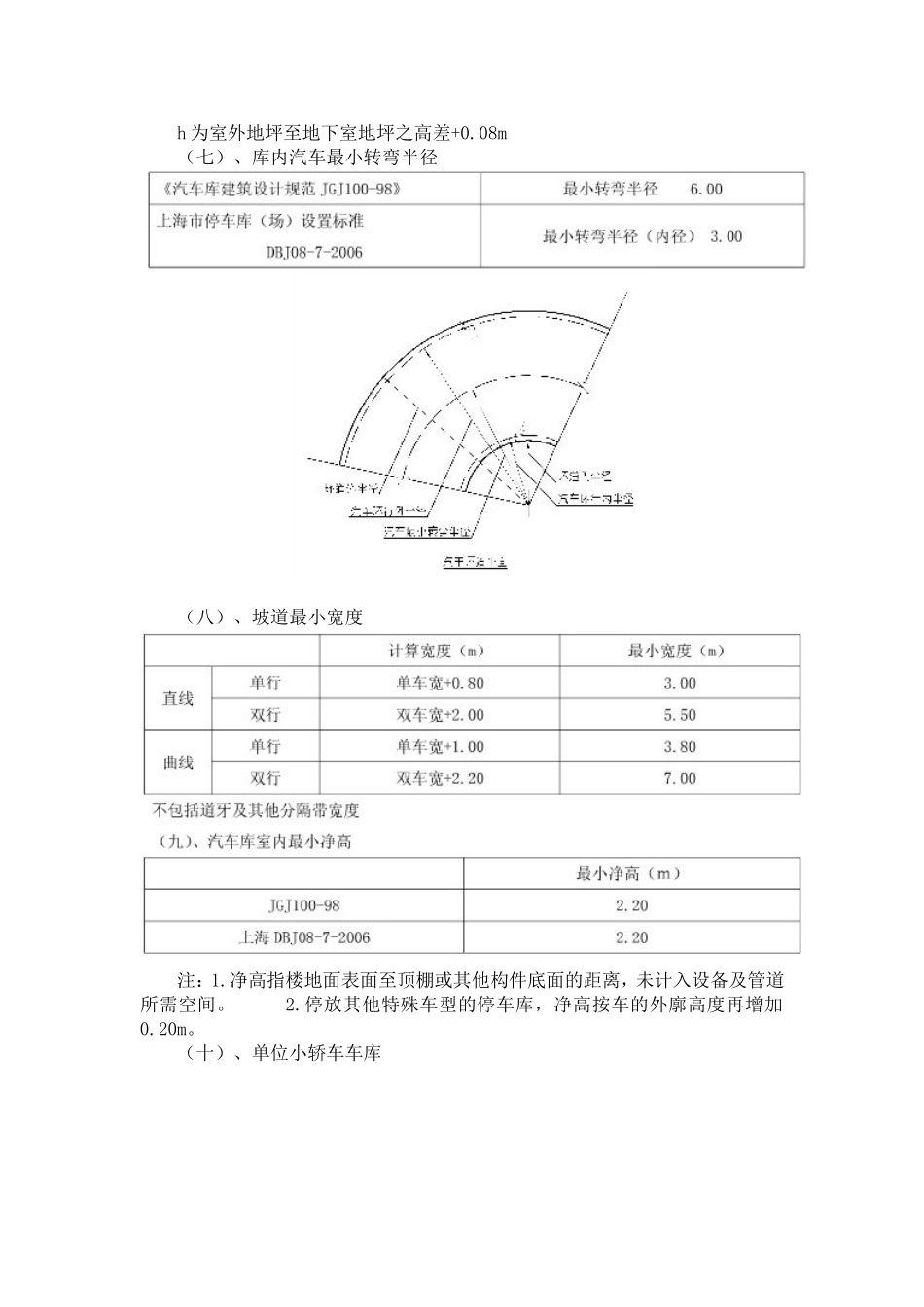
2/6
地下停车库设计规定_第3页
3/6
地下停车库设计规定地下停车库设计规定(小型车、坡道式)整理依据:1.《汽车库建筑设计规范》JGJ100-982.《汽车库、修车库、停车场设计防火规范》GB50067-973.工程建设规范《建筑工程交通设计及停车库(场)设置标准》DBJ08-7-20064.中华人民共和国《工程建设标准强制性条文》(房屋建筑部分停车库设计要点停车库设计要点停车库设计要点停车库设计要点设计范围仅限于居住区或公共建筑之地下停车库,车型为小型车(小轿车)。(一)、防火分类及耐火等级(GB50067-97.3.0.1;3.0.3)(二)、设计车型外廓尺寸(m)(三)防火分隔地下汽车库防火分区最大允许建筑面积为2000.00㎡。注:1.室内地坪低于室外地坪高度超过该层汽车库净高1/3且不超过净高1/2的汽车库,防火分区最大允许建筑面积不应超过2500㎡。2.复式汽车库的防火分区最大允许建筑面积应按本规定值减少35%。汽车库内设有自动灭火系统时,其防火分区的最大允许建筑面积可按本规定增加一倍。防火墙上如需设门、通道口,应设置甲级防火门和耐火极限不低于3.00h的防火卷帘。汽车坡道两侧应用防火墙与停车区隔开,坡道出入口应采用水幕、防火卷帘或甲级防火门与停车区隔开,但汽车库与坡道上均设有自动灭火系统时,不受此限。(四)、汽车与汽车、柱、墙或护栏之间的最净距(五)、最小停车带、停车位、通车道宽度(垂直式)(六)通车道的最大坡度(斜坡道)h为室外地坪至地下室地坪之高差+0.08m(七)、库内汽车最小转弯半径(八)、坡道最小宽度注:1.净高指楼地面表面至顶棚或其他构件底面的距离,未计入设备及管道所需空间。2.停放其他特殊车型的停车库,净高按车的外廓高度再增加0.20m。(十)、单位小轿车车库(十一)、安全疏散1.汽车疏散出口1-1GB50067-97要求:(1)汽车疏散出口应不少于两个,但停车数小于100辆的地下车库,可设一个。(2)汽车疏散坡道的宽度不应小于4m,双车道不宜小于7m。(3)两个汽车疏散出口之间的间距不应小于10m,两个坡道毗邻设置时,应采用防火墙隔开。(4)汽车库的车道应满足一次出车的要求(即汽车在启动后不需要调头、倒车而直接驶出汽车库)。(5)坡道的通过能力一般按每小时通过约300台小轿车设计。1-2JGJ100-98要求:(1)各汽车出入口之间的净距应大于15m(2)出入口的宽度:双向行驶时,不应小于7m单向行驶时,不应小于5m(3)当需设置办理车辆出入口手续的出入口时应设候车道。候车道的宽度不应小于3m,长度按每辆车5m计,不应少于2辆的长度。(4)车辆出入口距离城市道路红线不应小于7.5m,并在距出入口区域内2m处作视点的120°范围内至区域外7.5m以上不应有遮挡视线障碍物。1-3上海DBJ08-7-2006要求:(1)出入口应设在内部道路上。(2)机动车停车库出入口的坡道终点面向城市道路时,其与城市道路红线的距离不应小于7.5m,平行城市道路或与城市道路斜交角度小于75°时,应后退基地的出入口不小于5m。(3)出入口数量及要求:上海市机动车停车库出入口设置规定:(4)出入口之间的净距不应小于5m。(5)机动车与非机动车出入口应分开设置,且净距不宜小于5m。(6)停车库内部通道和坡道的宽度双向行驶的通道宽度不应小于5.5m,单向行驶的不应小于3.0m,弯道处当转弯半径(内径)小于15m时,双向的应不小于7m,单向的应不小于4m。2.人员安全出口(1)人员安全出口应与汽车疏散出口分开设置。(2)每个防火分区内,其人员安全出口不应小于两个,但符合下列条件之一的可设一个:同一时间的人数不超过25人IV类汽车库(3)地下汽车库其楼梯间和前室的门应采用乙级防火门,并开向疏散方向。疏散楼梯的宽度不应小于1.10m。(4)汽车库内最远工作地点至楼梯间的距离不应超过45m,当设有自动灭火系统时,其距离不应超过60m。(十二)其他(1)汽车库内当采用天然采光时,其停车空间天然采光系数不宜小于0.5%,或其他窗地面积比宜大于1:15。封闭或汽车库的坡道墙上不得开窗,并应采用漫射光照明。(2)当出入口处于建筑物下部时,宜于出入口上方设防坠落物措施。(3)二层以下的地下车车库,应设置供载人电梯。(4)汽车库内可按管理方式和停车位数量,设置相应的管理、控制、休息用...

1、当您付费下载文档后,您只拥有了使用权限,并不意味着购买了版权,文档只能用于自身使用,不得用于其他商业用途(如 [转卖]进行直接盈利或[编辑后售卖]进行间接盈利)。
2、本站所有内容均由合作方或网友上传,本站不对文档的完整性、权威性及其观点立场正确性做任何保证或承诺!文档内容仅供研究参考,付费前请自行鉴别。
3、如文档内容存在违规,或者侵犯商业秘密、侵犯著作权等,请点击“违规举报”。

碎片内容

地下停车库设计规定

确认删除?
VIP
微信客服
  • 扫码咨询
会员Q群
  • 会员专属群点击这里加入QQ群
客服邮箱
回到顶部