电脑桌面
添加小米粒文库到电脑桌面
安装后可以在桌面快捷访问

产品审核员考试试题VIP免费

产品审核员考试试题_第1页
1/4
产品审核员考试试题_第2页
2/4
产品审核员考试试题_第3页
3/4
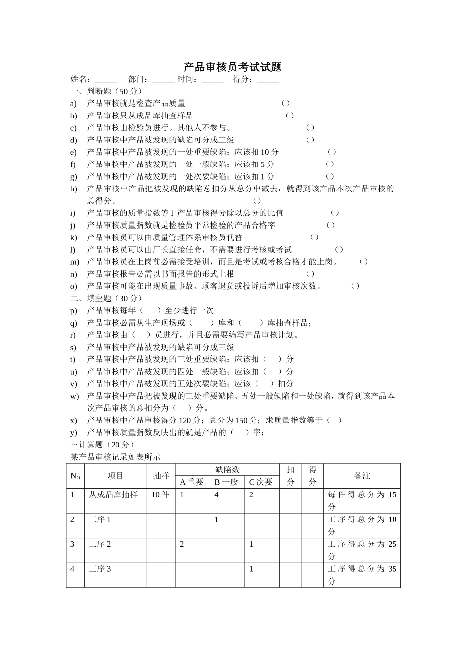
产品审核员考试试题姓名:部门:时间:得分:一、判断题(50分)a)产品审核就是检查产品质量()b)产品审核只从成品库抽查样品()c)产品审核由检验员进行。其他人不参与。()d)产品审核中产品被发现的缺陷可分成三级()e)产品审核中产品被发现的一处重要缺陷;应该扣10分()f)产品审核中产品被发现的一处一般缺陷;应该扣5分()g)产品审核中产品被发现的一处次要缺陷;应该扣1分()h)产品审核中产品把被发现的缺陷总扣分从总分中减去,就得到该产品本次产品审核的总得分。()i)产品审核的质量指数等于产品审核得分除以总分的比值()j)产品审核质量指数就是检验员平常检验的产品合格率()k)产品审核员可以由质量管理体系审核员代替()l)产品审核员可以由厂长直接任命,不需要进行考核或考试()m)产品审核员在上岗前必需接受培训,而且是考试或考核合格才能上岗。()n)产品审核报告必需以书面报告的形式上报()o)产品审核可能在出现质量事故、顾客退货或投诉后增加审核次数。()二、填空题(30分)p)产品审核每年()至少进行一次q)产品审核必需从生产现场或()库和()库抽查样品;r)产品审核由()员进行,并且必需要编写产品审核计划。s)产品审核中产品被发现的缺陷可分成三级t)产品审核中产品被发现的三处重要缺陷;应该扣()分u)产品审核中产品被发现的四处一般缺陷;应该扣()分v)产品审核中产品被发现的五处次要缺陷;应该()扣分w)产品审核中产品把被发现的三处重要缺陷、五处一般缺陷和一处缺陷,就得到该产品本次产品审核的总扣分为()分。x)产品审核中产品审核得分120分;总分为150分;求质量指数等于()y)产品审核质量指数反映出的就是产品的()率;三计算题(20分)某产品审核记录如表所示NO项目抽样缺陷数扣分得分备注A重要B一般C次要1从成品库抽样10件142每件得总分为15分2工序11工序得总分为10分3工序221工序得总分为25分4工序31工序得总分为35分5工序41工序得总分为30分6工序52工序得总分为45分7工序65工序得总分为18分8总计求:该产品的产品质量指数(说明成样品加权系数0.7与各工序抽样加权系数0.3;各工序之间无加权系数)评价该项产品质量指数产品审核员考试试题(答案)姓名:部门:时间:得分:一、判断题(50分)z)产品审核就是检查产品质量(×)aa)产品审核只从成品库抽查样品(×)bb)产品审核由检验员进行。其他人不参与。(×)cc)产品审核中产品被发现的缺陷可分成三级(√)dd)产品审核中产品被发现的一处重要缺陷;应该扣10分(√)ee)产品审核中产品被发现的一处一般缺陷;应该扣5分(√)ff)产品审核中产品被发现的一处次要缺陷;应该扣1分(√)gg)产品审核中产品把被发现的缺陷总扣分从总分中减去,就得到该产品本次产品审核的总得分。(√)hh)产品审核的质量指数等于产品审核得分除以总分的比值(√)ii)产品审核质量指数就是检验员平常检验的产品合格率(√)jj)产品审核员可以由质量管理体系审核员代替(×)kk)产品审核员可以由厂长直接任命,不需要进行考核或考试(√)ll)产品审核员在上岗前必需接受培训,而且是考试或考核合格才能上岗。(√)mm)产品审核报告必需以书面报告的形式上报(√)nn)产品审核可能在出现质量事故、顾客退货或投诉后增加审核次数。(√)二、填空题(30分)oo)产品审核每年(至少)进行一次pp)产品审核必需从生产现场或(半成品)库和(成品)库与生产现场抽查样品;qq)产品审核由(产品审核员)员进行,并且必需要编写产品审核计划。rr)产品审核中产品被发现的缺陷可分成(三)级ss)产品审核中产品被发现的三处重要缺陷;应该扣(10)分tt)产品审核中产品被发现的四处一般缺陷;应该扣(5)分uu)产品审核中产品被发现的五处次要缺陷;应该(1)扣分vv)产品审核中产品把被发现的三处重要缺陷、五处一般缺陷和一处缺陷,就得到该产品本次产品审核的总扣分为(46)分。ww)产品审核中产品审核得分120分;总分为150分;求质量指数等于(0-80)xx)产品审核质量指数反映出的就是产品的(符合)率;三计算题(20分)某产品审核记录如表所示NO项目抽样缺陷数扣分得分备注A重要B一般C次要1从成品...

1、当您付费下载文档后,您只拥有了使用权限,并不意味着购买了版权,文档只能用于自身使用,不得用于其他商业用途(如 [转卖]进行直接盈利或[编辑后售卖]进行间接盈利)。
2、本站所有内容均由合作方或网友上传,本站不对文档的完整性、权威性及其观点立场正确性做任何保证或承诺!文档内容仅供研究参考,付费前请自行鉴别。
3、如文档内容存在违规,或者侵犯商业秘密、侵犯著作权等,请点击“违规举报”。

碎片内容

产品审核员考试试题

确认删除?
VIP
微信客服
  • 扫码咨询
会员Q群
  • 会员专属群点击这里加入QQ群
客服邮箱
回到顶部