电脑桌面
添加小米粒文库到电脑桌面
安装后可以在桌面快捷访问

大型钢箱梁焊接收缩变形及其控制VIP免费

大型钢箱梁焊接收缩变形及其控制_第1页
1/27
大型钢箱梁焊接收缩变形及其控制_第2页
2/27
大型钢箱梁焊接收缩变形及其控制_第3页
3/27
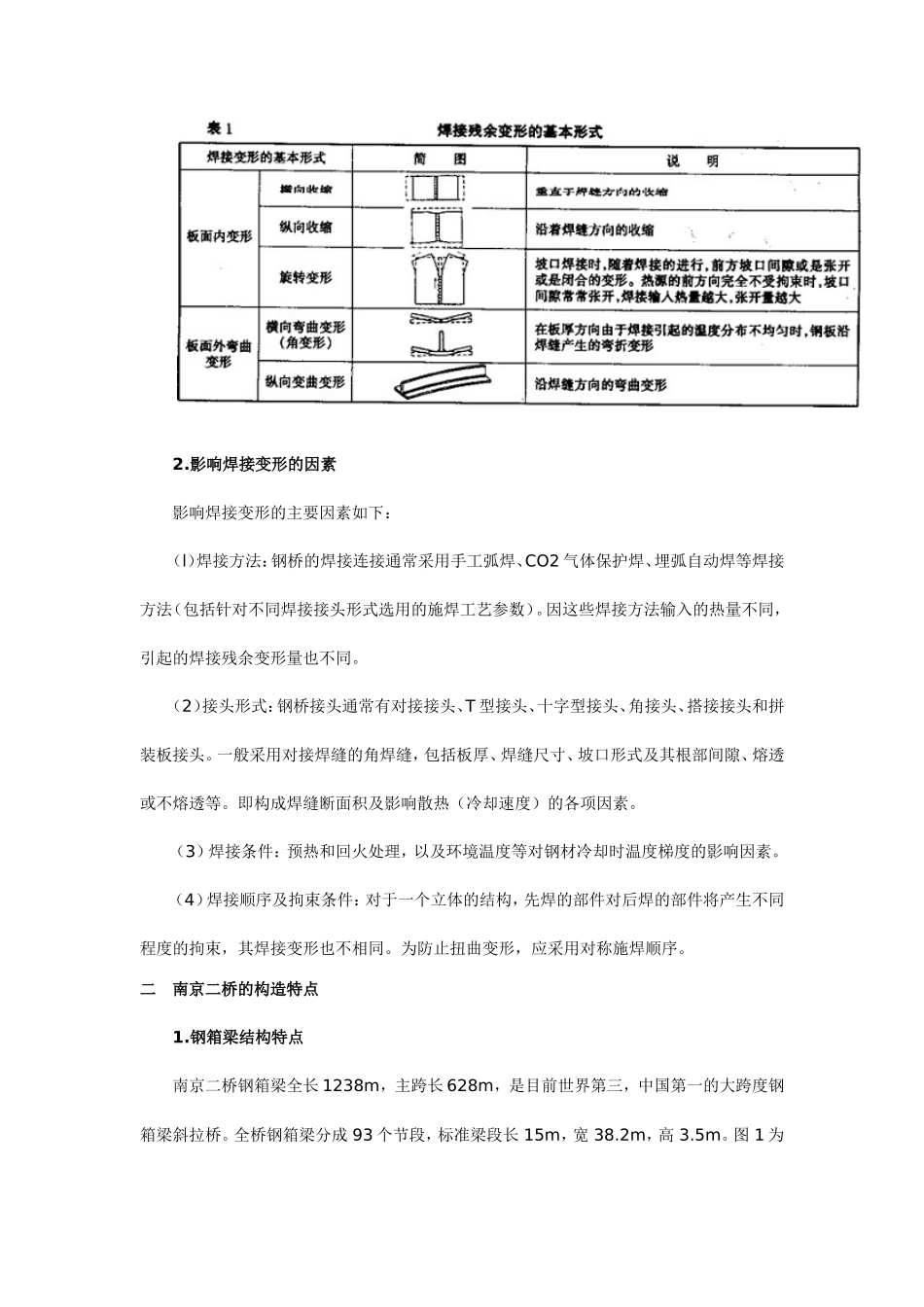
大型钢箱梁焊接收缩变形及其控制来源:《中国土木工程学会桥梁及结构工程学会第十四届年会论文集》发布时间:2008-04-28作者:白玲史志强史永吉,肖鹏王林摘要:近年来,抗风性能优越的扁平钢箱梁作为大跨度索支撑结构(悬索桥和斜拉桥)的加劲梁得到广泛应用。从制造角度来看,钢箱梁为全焊板系结构.即将钢箱梁划分成若干类带纵横加劲肋的板单元构件在工厂预制,然后分段组装焊接成箱梁,现场逐段吊装焊接连成整体。基于这一制造架设特点,对钢箱梁的几何精度要求极高。而几何精度主要取决于焊接收缩变形的控制。以南京长江二桥为例,一节长15m的标准梁段.焊缝总长达5000余米,共有40多种类型焊接接头,采用了CO2气体保护焊、埋弧自动焊、手工弧焊等多种焊接方法,其焊接变形控制是非常复杂的课题。本文概要介绍了各种条件下焊接变形的测试结果,以及钢箱梁组焊中焊接变形的系统控制方法。一焊接残余变形的机理及影响因素1.焊接残余变形钢材的焊接通常采用熔化焊方法,是在接头处局部加热,使被焊接材料与添加的焊接材料熔化成液态金属,形成熔池,随后冷却凝固成固态金属,使原来分开的钢材连接成整体。由于焊接加热,熔合线以外的母材产生膨胀,接着冷却,熔池金属和熔合线附近母材产生收缩,因加热、冷却这种热变化在局部范围急速地进行,膨胀和收缩变形均受到拘束而生塑性变形。这样,在焊接完成并冷却至常温后该塑性变形残留下来。表1为焊接残余变形的基本形式。实际结构中,焊接残余变形呈现出由这些基本形式组合的复杂状态。2.影响焊接变形的因素影响焊接变形的主要因素如下:(l)焊接方法:钢桥的焊接连接通常采用手工弧焊、CO2气体保护焊、埋弧自动焊等焊接方法(包括针对不同焊接接头形式选用的施焊工艺参数)。因这些焊接方法输入的热量不同,引起的焊接残余变形量也不同。(2)接头形式:钢桥接头通常有对接接头、T型接头、十字型接头、角接头、搭接接头和拼装板接头。一般采用对接焊缝的角焊缝,包括板厚、焊缝尺寸、坡口形式及其根部间隙、熔透或不熔透等。即构成焊缝断面积及影响散热(冷却速度)的各项因素。(3)焊接条件:预热和回火处理,以及环境温度等对钢材冷却时温度梯度的影响因素。(4)焊接顺序及拘束条件:对于一个立体的结构,先焊的部件对后焊的部件将产生不同程度的拘束,其焊接变形也不相同。为防止扭曲变形,应采用对称施焊顺序。二南京二桥的构造特点1.钢箱梁结构特点南京二桥钢箱梁全长1238m,主跨长628m,是目前世界第三,中国第一的大跨度钢箱梁斜拉桥。全桥钢箱梁分成93个节段,标准梁段长15m,宽38.2m,高3.5m。图1为钢箱梁横断面图。共划分成55块带纵横加劲助的板单元构件在工厂预制,然后在桥位附近的组装场正装法拼装焊接成钢箱梁节段,而后船运至桥下吊装就位,焊接连成全桥。2.钢箱梁几何精度控制方法从上节所述的制造和安装顺序看,钢箱梁几何尺寸的控制要点及控制措施加表2。三焊接收缩量测量试验由钢箱梁结构特点及其几何尺寸控制项点可知,除宽度及相邻梁段U型肋匹配与焊接横向收缩密切相关外,其他项点均可通过焊后处理措施达到精度要求。所以准确掌握梁段板块焊接横向收缩量是控制钢箱梁段制造几何尺寸精度的关键,所以本文仅就各种条件下的焊接横向收缩量进行了详细测量。1.板块焊接工艺参数(表3)2.测量试验简介为了减少组装胎架上的焊接工作量,先在胎架侧的平台上将2.4m宽的板单元构件两两拼接成4.8m宽的块件,简称拼板,这就使胎架上拼接工作量减少约一半。由于胎下和胎上的拘束条件不同,按不同板厚,对其焊接收缩量分别进行了测量。另外,根隔板长约33m。考虑运输条件分成三块制造,胎架上立焊拼接。因下端已与底板和斜底板焊连,呈较强拘束状态,上端为自由状态,对其横向收缩变形也进行了测量。测量标距取300mm。为减少温差影响,测量时间定在温度相对恒定的时间内进行。3.测量结构及分析对相同板厚、相同焊接工艺、相同拘束条件,横向收缩值按焊缝根部间隙分组,各组数据分布直方目如图2所示。图中G为焊缝根部间隙,Δ为焊接横向收缩量。图3表示图2中的纵向对接焊引起的横向收缩平均值与根部间隙的关系。焊接方法...

1、当您付费下载文档后,您只拥有了使用权限,并不意味着购买了版权,文档只能用于自身使用,不得用于其他商业用途(如 [转卖]进行直接盈利或[编辑后售卖]进行间接盈利)。
2、本站所有内容均由合作方或网友上传,本站不对文档的完整性、权威性及其观点立场正确性做任何保证或承诺!文档内容仅供研究参考,付费前请自行鉴别。
3、如文档内容存在违规,或者侵犯商业秘密、侵犯著作权等,请点击“违规举报”。

碎片内容

大型钢箱梁焊接收缩变形及其控制

墨香书阁+ 关注
实名认证
内容提供者

热爱教学事业,对互联网知识分享很感兴趣

确认删除?
VIP
微信客服
  • 扫码咨询
会员Q群
  • 会员专属群点击这里加入QQ群
客服邮箱
回到顶部