电脑桌面
添加小米粒文库到电脑桌面
安装后可以在桌面快捷访问

低压管道输水技术VIP免费

低压管道输水技术_第1页
1/35
低压管道输水技术_第2页
2/35
低压管道输水技术_第3页
3/35
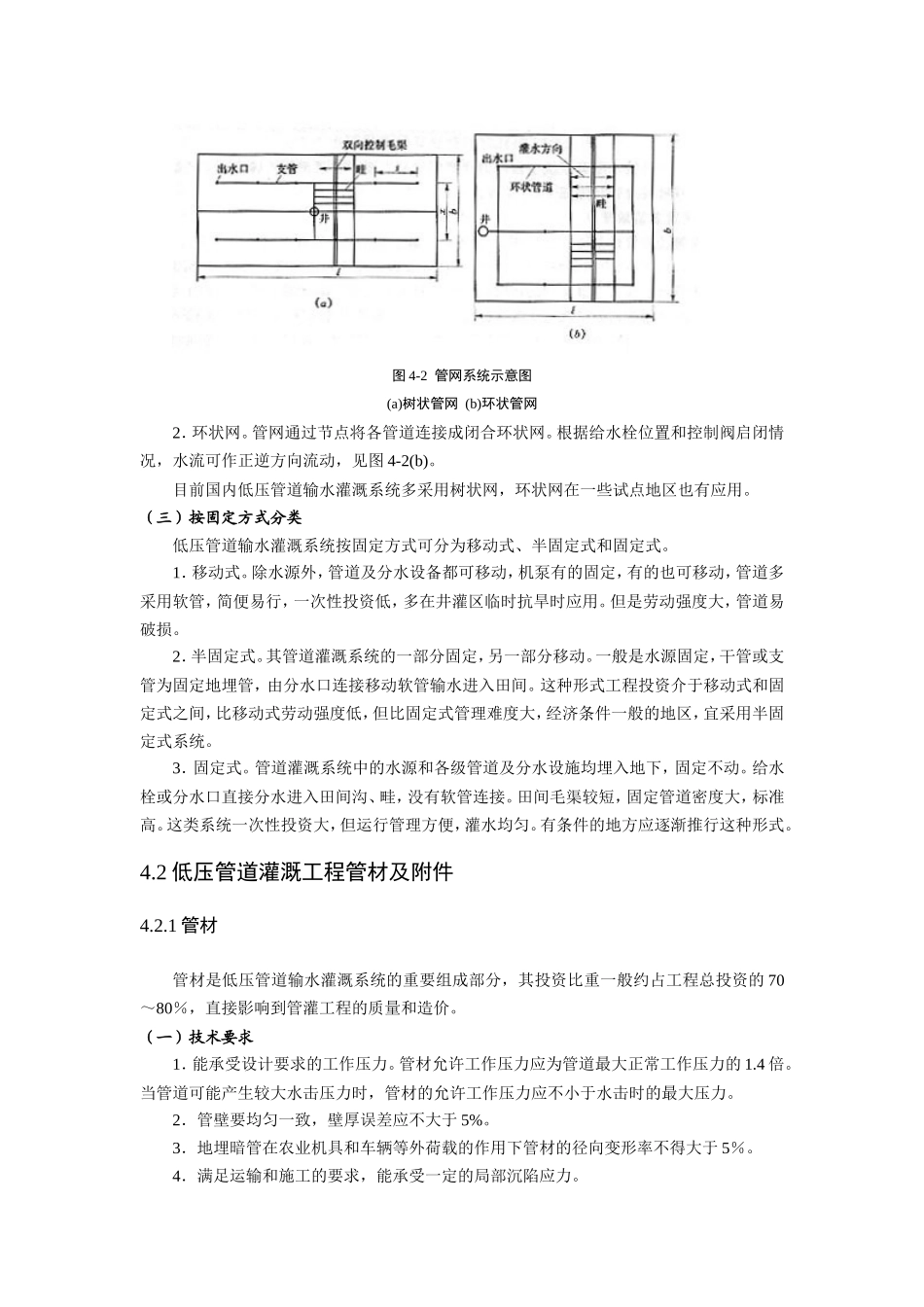
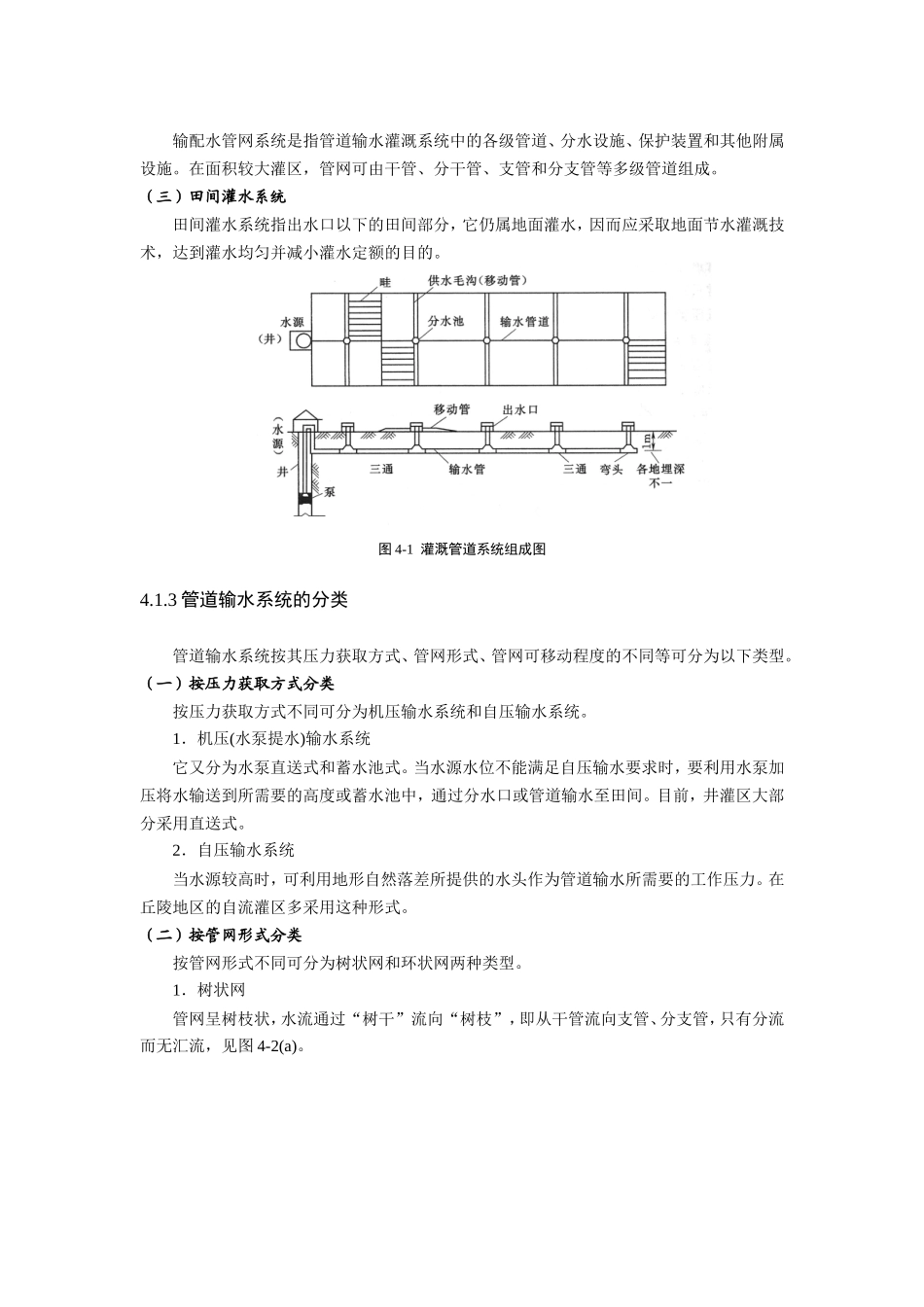
低压管道输水技术4.1概述管道输水灌溉是以管道代替明渠输水灌溉的一种工程形式,水由分水设施输送到田间。直接由管道分水口分水进人田问沟输水进入田间沟、畦。管道输水有多种使用范围,大中型灌区可以采用明渠水与管道有压输水相结合,有专门为喷灌供水的压力输水管道,还有为田间沟畦灌的低压管道输水。本章主要介绍工作压力低于0.2MPa.,自成独立灌溉系统的低输水。管道输水灌溉的特点是出水口流量大,出不会发生堵塞,仍属地面灌溉技术。4.1.1管道输水特点(一)节水节能管道输水可减少渗漏损失和蒸发损失,与土垄沟相比,管道输水损失可减少5%,水的利用率比土渠提高了30%~40%,比混凝土等衬砌方式节水5%~15%。对机井灌区,节水就意味着降低能耗。(二)省地、省工用土渠输水,田间渠道用地一般占灌溉面积的1%~2%,有的多达3%~5%,而管道输水只占灌溉面积的0.5%,提高了土地利用率。同时管道输水速度快,避免了跑水漏水现象,缩短了灌水周期,节省了巡渠和清淤维修用工。(三)投资小、效益高管灌投资较低,一般每亩在100~300元。同等水源条件下,由于能适时适量灌溉,满足作物生长期需水要求,因而起到增产增收作用。(四)适应性强压力管道输水,可以越沟、爬坡和跨路,不受地形限制,施工安装方便,便于群众掌握,便于推广。配上田间地面移动软管,可解决零散地块浇水问题,适合当前农业生产责任制形式。4.1.2管道输水系统的组成管道输水灌溉系统由水源与取水工程部分、输水配水管网系统和田间灌水系统3部分组成,见图4-1。(一)水源与取水工程管道输水灌溉系统的水源有井、泉、沟、渠道、塘坝、河湖和水库等。水质应符合《农田灌溉用水标准》,且不含有大量杂草、泥沙等杂物。井灌区的取水工程应根据用水量和扬程大小,选择适宜的水泵和配套动力机、压力表及水表,并建有管理房。自压灌区或大中型提水灌区的取水工程还应改进水闸、分水闸、拦污栅及泵房等配套建筑物。(二)输水配水管网系统输配水管网系统是指管道输水灌溉系统中的各级管道、分水设施、保护装置和其他附属设施。在面积较大灌区,管网可由干管、分干管、支管和分支管等多级管道组成。(三)田间灌水系统田间灌水系统指出水口以下的田间部分,它仍属地面灌水,因而应采取地面节水灌溉技术,达到灌水均匀并减小灌水定额的目的。图4-1灌溉管道系统组成图4.1.3管道输水系统的分类管道输水系统按其压力获取方式、管网形式、管网可移动程度的不同等可分为以下类型。(一)按压力获取方式分类按压力获取方式不同可分为机压输水系统和自压输水系统。1.机压(水泵提水)输水系统它又分为水泵直送式和蓄水池式。当水源水位不能满足自压输水要求时,要利用水泵加压将水输送到所需要的高度或蓄水池中,通过分水口或管道输水至田间。目前,井灌区大部分采用直送式。2.自压输水系统当水源较高时,可利用地形自然落差所提供的水头作为管道输水所需要的工作压力。在丘陵地区的自流灌区多采用这种形式。(二)按管网形式分类按管网形式不同可分为树状网和环状网两种类型。1.树状网管网呈树枝状,水流通过“树干”流向“树枝”,即从干管流向支管、分支管,只有分流而无汇流,见图4-2(a)。图4-2管网系统示意图(a)树状管网(b)环状管网2.环状网。管网通过节点将各管道连接成闭合环状网。根据给水栓位置和控制阀启闭情况,水流可作正逆方向流动,见图4-2(b)。目前国内低压管道输水灌溉系统多采用树状网,环状网在一些试点地区也有应用。(三)按固定方式分类低压管道输水灌溉系统按固定方式可分为移动式、半固定式和固定式。1.移动式。除水源外,管道及分水设备都可移动,机泵有的固定,有的也可移动,管道多采用软管,简便易行,一次性投资低,多在井灌区临时抗旱时应用。但是劳动强度大,管道易破损。2.半固定式。其管道灌溉系统的一部分固定,另一部分移动。一般是水源固定,干管或支管为固定地埋管,由分水口连接移动软管输水进入田间。这种形式工程投资介于移动式和固定式之间,比移动式劳动强度低,但比固定式管理难度大,经济条件一般的地区,宜采用半固定式系统。3.固定式。管道灌溉系统中的水源和...

1、当您付费下载文档后,您只拥有了使用权限,并不意味着购买了版权,文档只能用于自身使用,不得用于其他商业用途(如 [转卖]进行直接盈利或[编辑后售卖]进行间接盈利)。
2、本站所有内容均由合作方或网友上传,本站不对文档的完整性、权威性及其观点立场正确性做任何保证或承诺!文档内容仅供研究参考,付费前请自行鉴别。
3、如文档内容存在违规,或者侵犯商业秘密、侵犯著作权等,请点击“违规举报”。

碎片内容

低压管道输水技术

您可能关注的文档

确认删除?
VIP
微信客服
  • 扫码咨询
会员Q群
  • 会员专属群点击这里加入QQ群
客服邮箱
回到顶部